IRAYPLE 大华华睿 MH0420S 面阵镜头
● 最大支持 1/1.8''靶面大小;
● 全系列共9款焦距,焦距包括4mm~75mm;
● 全视野3MP分辨率,成像清晰度均匀;
● 近距设计,更合适工业视觉检测场景;
● 外形尺寸极小,易于安装与集成;
● 支持工作温度范围-20℃~50℃,成像清晰度稳定;
.
基本参数
结构
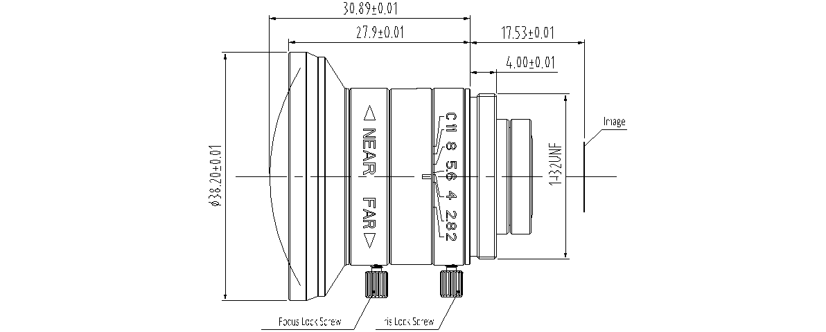
安装接口
C口
滤镜接口
无滤镜
对焦方式
手动调节
光圈控制
手动调节
产品尺寸
30.89mmxФ38.2mm
环境

联系电话 : 0755-83317774 移动电话 : 18938648240 Email : 1605935956@qq.com QQ : 1605935956