Thorlabs索雷博    LD2746-C   双凹透镜
特性
- 材料:N-BK7或N-SF11
- 增透膜1050 - 1700 nm
- 焦距可选-6.0 mm至-100.0 mm
- 球面不均匀度:λ/4
Thorlabs提供由N-BK7或N-SF11材料制造的双凹透镜。这些透镜可选择不镀膜的版本,或在两个表面镀三种常用宽带增透膜中的一种的版本,增透膜用于减少透镜表面上的光反射。本页的透镜是镀1050 - 1700 nm波段的增透膜的版本。关于镀膜曲线的详细信息请看曲线标签。
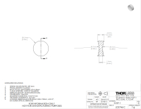
双凹透镜的焦距是负的,是发散会聚光束的最佳选择。类似于平凹透镜,双凹透镜可将一束平行光束发散到虚焦点,像在伽利略型扩束器中一样(请参照曲线标签)。由于N-SF11的阿贝数(25.76)小于N-BK7的阿贝数(64.17),因此由N-SF11制成的透镜比N-BK7透镜展示出更大的色散。
我们提供包含由N-BK7和N-SF11制造的双凹透镜的透镜套件。
| Table 1.1  N-BK7 and N-SF11 Bi-Concave Lenses | 
|---|
| Lens Shape | Concave/Concave | 
| Material | N-BK7 or N-SF11a | 
| Wavelength Range | 1050 - 1700 nm | 
| Design Wavelength | 587.6 nm | 
| Index of Refraction (at Design Wavelength)
 | N-BK7: 1.515, N-SF11: 1.778
 | 
| Surface Quality | 40-20 Scratch-Dig | 
| Spherical Surface Powerb | 3λ/2 | 
| Surface Irregularity (Peak to Valley)
 | λ/4 | 
| N-BK7 Damage Thresholdc
 | 7.5 J/cm2 (1542 nm, 10 ns, 10 Hz, Ø0.123 mm) | 
| Diameter Tolerance | +0.0/-0.1 mm | 
| Thickness Tolerance | ±0.1 mm | 
| Centration | ≤3 arcmin | 
| Clear Aperture | ≥90% of Diameter | 
| Focal Length Tolerance | ±1% | 
- 点击链接查看关于基底的详细规格。
- 类似于平面光学元件的表面平整度,光圈数(surface power)为球面光学元件的表面相对校准基准的偏差度,除非另有说明,一般是针对633 nm光源。此参数也常称为曲面拟合。
- 受到增透膜限制。
 Click to Enlarge
Click to Enlarge
点击这里查看原始数据
上图为N-BK7(符合RoHS标准的BK7)的透过率曲线。显示了10 mm厚,未镀膜样品的总透过率,包括表面反射。
 Click to Enlarge
Click to Enlarge
点击这里查看原始数据
上图为N-SF11的透过率曲线。显示了10 mm厚,未镀膜样品的总透过率,包括表面反射。
 Click to Enlarge
Click to Enlarge
点击这里查看原始数据
蓝色阴影区域表示可实现最佳性能的1050 - 1700 nm指定波长范围。
 
| N-BK7 and N-SF11 Bi-Concave Lens Selection Guide | 
|---|
| Unmounted Lenses | Mounted Lenses | 
| Uncoated | Uncoated | 
| A Coating (350 - 700 nm) | A Coating (350 - 700 nm) | 
| B Coating (650 - 1050 nm) | B Coating (650 - 1050 nm) | 
| C Coating (1050 - 1700 nm) | C Coating (1050 - 1700 nm) | 
本页面出售的透镜可镀宽带增透膜,它们的反射率曲线如下图所示。
这些高性能多层增透膜在指定波长范围内的平均反射率小于0.5%(每个面),并且在入射角(AOI)为0°-30°的范围内可实现优异性能(0.5 NA)。下图曲线显示了这些标准镀膜的反射性能作为波长的函数曲线图。宽带膜具有0.25%的典型吸收值,这一点未显示在反射率曲线中。


联系电话 : 0755-83317774  移动电话 : 18938648240 Email : 1605935956@qq.com QQ : 1605935956