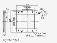
WORDOP 沃德普 FQG2-200X160 侧部背光源
轻薄设计,大幅面检测的常用选择
应用领域:
物体尺寸测量
产品定位检测
可透射物体外观缺陷检测
技术指标

*1 波长与色温可定制,波长与色温因生产批次而异,有关详细内容,请参见规格书
型号代码说明



*2 实际产品功率与功率表内容相差±10%为正常范围



均匀性平面图(代表例:FQG2-90X90W)

数据仅供参考,实际数值可能存在出入
联系电话 : 0755-83317774 移动电话 : 18938648240 Email : 1605935956@qq.com QQ : 1605935956