HIKROBOT 海康机器人 HK-EJH16-16T 工业读码器
功能特性
订货型号
HK-EJH16-16T
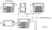
外形尺寸

*产品所涉数据可能因环境等因素而产生差异,本公司不承担由此产生的后果。
| 型号 | 型号 | HK-EJH16-16T |
| 名称 | 160 万像素极小型智能读码器 |
| 性能 | 条码类别 | 一维码:Code 39,Code 93,Code 128,ITF14,ITF25,CodaBar,EAN8,EAN13,UPCA,UPCE等 二维码:QR Code,Data Matrix等 |
| 最大处理帧率 | 60 fps |
| 最大读取速度 | 45个码/秒 |
| 传感器类型 | CMOS,全局快门 |
| 像元尺寸 | 3.45 μm × 3.45 μm |
| 靶面尺寸 | 1/2.9” |
| 分辨率 | 1408 × 1024 |
| 曝光时间 | 16 μs ~ 2.5 sec |
| 增益 | 0 ~ 40 dB |
| 黑白/彩色 | 黑白 |
| 通讯协议 | SmartSDK,TCP Client,Serial,FTP,TCP Server, Profinet,MELSEC,Ethernet/IP,ModBus,UDP,Fins,SLMP |
| 电气特性 | 数据接口 | Fast Ethernet(100 Mbit/s) |
| 数字I/O | 17-pin M12接口提供电源和I/O:包含1路非隔离输入(Line 2),1路非隔离输出(Line 3),2路双向可配置非隔离I/O(Line 0/1),1路RS-232 支持通过侧面按钮触发设备 |
| 供电 | 12 ~ 24 VDC |
| 最大功耗 | 11 W@12 VDC |
| 结构 | 焦距 | 6 mm |
| 镜头接口 | M12-Mount |
| 工作距离 | 70 ~ 160 mm |
| 环境光照 | 0 ~ 50000 lux |
| 光源 | 红色,偏振 |
| 瞄准器 | 橙光LED |
| 指示灯 | 电源指示灯PWR,网络指示灯LNK,状态指示灯STS |
| 外形尺寸 | 46 mm × 40 mm × 25 mm |
| 重量 | 约135 g |
| IP防护等级 | IP65 |
| 温度 | 工作温度0 ~ 50°C,储藏温度-30 ~ 70°C |
| 湿度 | 20% ~ 95%RH无冷凝 |
| 一般规范 | 软件 | IDMVS |
| 认证 | CE、RoHS,KC |
联系电话 : 0755-83317774 移动电话 : 18938648240 Email : 1605935956@qq.com QQ : 1605935956