HIKROBOT 海康机器人 MVL-HY-15-65C 远心镜头
功能特性
高分辨率,画面清晰度一致性高
低畸变,高远心度,更适合高精度测量与定位应用
具有优秀的抗振性能和高低温稳定性
最大支持1/2”相机
订货型号
MVL-HY-15-65C
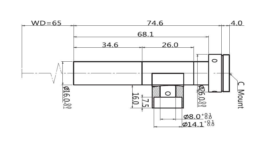
外形尺寸

*产品所涉数据可能因环境等因素而产生差异,本公司不承担由此产生的后果。
| 型号 | 型号 | MVL-HY-15-65C |
| 名称 | 65mm工作距,1/2",1.5x,带同轴光接口 |
| 性能 | 放大倍率 | 1.5 |
| 工作距离 | 65±2 mm |
| F数 | F17.3 |
| 像面尺寸 | Φ8 mm |
| 光学畸变 | ≤ 1% |
| 景深 | 0.55 mm |
| 物方分辨率 | 7.0 μm |
| 物方远心度 | ≤ 0.1° |
| 结构 | 接口类型 | C-Mount |
| 外形尺寸 | Φ6 mm × 74.6 mm |
| 重量 | 100 g |
| 温度 | -10 ~ 50°C |
| 同轴光 | 支持 |
| 一般规范 | 认证 | RoHS2.0 |
联系电话 : 0755-83317774 移动电话 : 18938648240 Email : 1605935956@qq.com QQ : 1605935956