HIKROBOT 海康机器人 MV-DP4180-03P 3D激光轮廓传感器
功能特性
高帧率、高分辨率、大像元图像芯片
FPGA硬件加速,扫描速率可达49 KHz
定制化大光圈镜头和超均匀激光光学方案
超高亚像素算法,精度可达亚微米级
支持多种曝光模式,鲁棒性更强
多帧算法融合技术,轮廓更完整
多种滤波模式可选,数据更稳定
一体化集成设计,安装、调试便捷
订货型号
MV-DP4180-03P
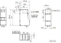
外形尺寸

*产品所涉数据可能因环境等因素而产生差异,本公司不承担由此产生的后果。
| 型号 | 型号 | MV-DP4180-03P |
| 名称 | 3D激光轮廓传感器 |
| 性能 | 单轮廓点数 | 4080 |
| 参考距离 | 175 mm |
| Z轴测量范围 | 100 mm |
| X轴测量范围 | 75 mm@近端 100 mm@参考距离 125 mm@远端 |
| 轮廓数据间隔 | 18.5 ~ 32.2 μm |
| 扫描帧率 | 2.5 KHz(最大测量范围下),最高可达49KHz(ROI模式下) |
| 数据输出类型 | 轮廓数据、深度图、亮度图 |
| 触发模式 | 软触发、硬触发(差分编码器触发) |
| 激光波长 | 650 nm |
| 激光安全等级 | Class 3R |
| Z轴分辨率 | 3.72~ 8.40 μm |
| Z轴重复精度 | 1.50 μm@传感器在光学平台上测试标准量块的数据 |
| Z轴线性度(±% of MR) | 0.01 |
| 电气特性 | 数据接口 | Gigabit Ethernet(1000Mbit/s),兼容Fast Ethernet(100Mbit/s) |
| 数字I/O | 12-pin M12接口提供供电和I/O,3路差分信号输入(Line 0/3/6),1路差分信号输出(Line 1),1路RS-232 |
| 供电 | 24 VDC |
| 典型功耗 | 20.6 W@24 VDC |
| 结构 | 外形尺寸 | 129 mm ×125 mm × 69 mm |
| 重量 | 约1330 g |
| IP防护等级 | IP67 |
| 温度 | 工作温度 0 ~ 45°C,储藏温度-30 ~ 80°C |
| 湿度 | 20%~85%RH无冷凝 |
| 一般规范 | 软件 | 3DMVS(V3.1.0及以上版本)/VM3D/其它第三方软件 |
| 操作系统 | Windows 7/10/11 32/64bits(8G内存,i5处理器) |
联系电话 : 0755-83317774 移动电话 : 18938648240 Email : 1605935956@qq.com QQ : 1605935956