Thorlabs索雷博     LB4837-C   紫外熔融石英双凸球面透镜
特性
- 提供五种不同直径:Ø5 mm、Ø6 mm、Ø1/2英寸、Ø1英寸和Ø2英寸
- 增透膜适用波长范围:1050 - 1700 nm
- 用紫外级熔融石英制作
- 焦距范围:10.0 - 1003.5 mm
Thorlabs提供的紫外级熔融石英双凸透镜有Ø5 mm、Ø6 mm、Ø1/2英寸、Ø1英寸和Ø2英寸版本,两面镀有增透膜,适用于1050 - 1700 nm的波长范围。由于紫外级熔融石英在深紫外波长范围具有高的透射率,同时在激光诱导下几乎没有荧光发射(用193 nm测试过),所以非常适合从紫外到近红外的应用。此外,紫外级熔融石英比N-BK7玻璃具有更好的均匀性和较低的热膨胀系数。
这些双凸镜片上镀的减反射膜特别适合于多个光学元件的应用。由于未镀膜的基质有约4%的反射率,紫外镀膜能改善透过率,这在弱光领域应用中特别重要,并能防止一些与多次反射有关的不利的影响(例如重影图像)。
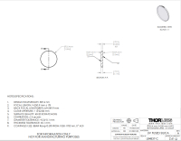
双凸透镜常用于许多有限成像应用中。两个表面都是球面,并且具有相同的曲率半径,在物距和像距相等或者近似相等的情况下,能够最小化像差。作为一个指导原则,如果共轭比(物距:像距)在5:1和1:5之间,双凸透镜是最大限度地减少像差的最佳选择。超出此范围,平凸透镜通常会更好。
这些透镜与Thorlabs大多数透镜安装座兼容,详细信息请参阅安装选项。  
| Bi-Convex Lens Selection Guide | 
|---|
| N-BK7 | Uncoated-A (350 - 700 nm)
 -AB (400 - 1100 nm)
 -B (650 - 1050 nm)-C (1050 - 1700 nm)
 | 
| Mounted N-BK7 | Uncoated-A (350 - 700 nm)
 -B (650 - 1050 nm)-C (1050 - 1700 nm)
 | 
| UV Fused Silica | Uncoated-UV (245 - 400 nm)
 -A (350 - 700 nm)
 -AB (400 - 1100 nm)
 -B (650 - 1050 nm)
 -C (1050 - 1700 nm)-532 V-Coating (532 nm)
 -YAG (532 / 1064 nm)
 -1064 V-Coating (1064 nm)
 -1550 V-Coating (1550 nm)
 | 
| CaF2 | Uncoated -E1 (2 - 5 µm) | 
| ZnSe | -E3 (7 - 12 µm) | 
我们也提供定制镀膜。
| Common Specifications | 
|---|
| Lens Shape | Convex / Convex | 
| Substrate Material | UV-Grade Fused Silicaa | 
| AR Coating Range | 1050 - 1700 nm | 
| Reflectance Over Coating Range (AOI = 0°)
 | Ravg < 0.5% | 
| Diameters Available | 5 mm, 6 mm, 1/2", 1", and 2" | 
| Diameter Tolerance | +0.0 mm / -0.1 mm | 
| Thickness Tolerance | ±0.1 mm | 
| Clear Aperture | >90% of Diameter | 
| Design Wavelength | 587.6 nmb | 
| Index of Refraction | 1.458 @ 587.6 nmb | 
| Surface Quality | 40-20 Scratch-Dig | 
| Spherical Surface Powerc | 3λ/2d | 
| Surface Irregularity (Peak to Valley)
 | λ/4d | 
| Centration | ≤3 arcmin | 
| Focal Length Tolerance | ±1% | 
| Damage Threshold
 | Pulsed | 7.5 J/cm2 (1542 nm, 10 ns, 10 Hz, Ø0.189 mm)
 | 
| CWe | 350 W/cm (1540 nm, Ø1.030 mm) | 
- 点击链接查看详细的基底规格。
- LB4854-C、LB4879-C和LB4096-C针对的是588 nm。
- 类似于平面光学元件的表面平整度,光圈数(surface power)为球面光学元件的表面相对校准基准的偏差度。此参数也常称为曲面拟合。
- 此处λ为633 nm。
- 详情请参考损伤阈值标签。
这种高性能的多层增透膜在指定的波长范围内的平均反射率小于每表面0.5%。增透膜设计的入射角(AOI)为0°和30°之间。更详细的增透膜曲线如图2.2,用于此页上出售的-C*镀膜透镜。
对于拟用于在较大的入射角的光学系统,还请考虑订购传统的为45°的入射角优化的镀膜方式,这些镀膜建议用于从25°至52°的入射角。欲了解更多信息,请联系技术支持。

点击放大
点击这里获取原始数据
图2.2 蓝色阴影区域表明最佳性能在1050 - 1700 nm的波长范围内

点击放大 
点击这里获取原始数据
图2.1 下面是入射光垂直于入射到1 mm厚未镀膜紫外级熔融石英样品的透过率曲线。请注意这是实际测量的透过率结果,包含了表面反射。


联系电话 : 0755-83317774  移动电话 : 18938648240 Email : 1605935956@qq.com QQ : 1605935956