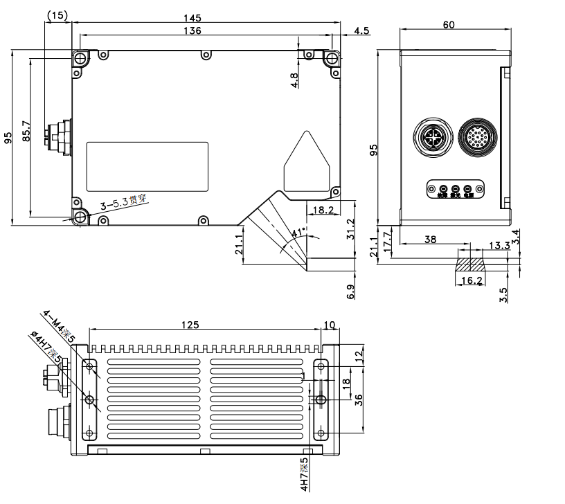
IRAYPLE 大华华睿 DL5020B-H 3D激光轮廓传感器
● 配套视觉软件平台快速部署;
● 千兆以太网传输,数据传输高效稳定;
● 高精度三维测量,精度达微米级;
● 内嵌航空插头,防灰尘吸入,防短暂雨水侵入;
基本参数
系列
5000系列
触发方式
硬触发、软触发、编码器触发
配套软件
ProfileViewer
认证
CE
功能
3D检测
激光线轮廓点数
1920
性能参数
近视场
13 mm
远视场
16 mm
X方向分辨率
7 μm ~ 8 μm
Z方向线性度(±% of MR)
0.02
净距离(CD)
18 mm
测量范围
6.9 mm
Z向精度
0.2 μm
扫描速度
2.5 KHz ~ 56 KHz
数据类型
点云、深度、亮度
光源类型
一字线激光模组
激光器等级
2M(输出可调3R)
激光波长
405 nm
接口参数
电源
结构
工作环境

联系电话 : 0755-83317774 移动电话 : 18938648240 Email : 1605935956@qq.com QQ : 1605935956