MindVison迈德威视 MV-GEF890GM 面阵工业相机
型 号
MV-GEF890GM
传感器
1" CMOS
快门类型
全局快门
相机类型
黑白
像元尺寸
3.45umx3.45um
有效像素
890万
分辨率@帧率
4096X2160最大@13.5FPS
输出像素宽度
12bit
动态范围
73.6dB
曝光方式
帧曝光
灵敏度
915mV
GPIO
1路光隔输入,1路光隔输出;可选配3路输入4路输出
信噪比
40.4dB
最大增益(倍数)
250
曝光时间范围(ms)
0.034~71303.1
AD宽度
12bit
帧缓存
128M Bytes
用户自定义数据区
2K Bytes
视频输出格式
Mono 8/12bit
视觉标准协议
GigE Vision V1.2、GenICam
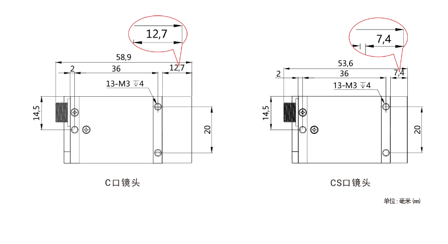
镜头接口
C/CS接口,提供转接环
接口
千兆网、POE(选配)
电源供电
12~24V/POE,48~57V(POE为选配)
功率
<2.5W
外形尺寸
29(mm)X39.5(mm)X40(mm) (不含镜头底座和后壳接口)
重量
<75g
工作温度
0~50度
工作湿度
20~80%(无凝结)
储存温度
-30~60度
储存湿度
20~95%(无凝结)
操作系统
WINXP、WIN7/8/10 32&64位系统, Linux和ARM Linux驱动、安卓平台驱动、MAC OS系统
驱动程序
Directshow组件 Halcon专用组件 Labview专用驱动 OCX组件 TWAIN组件
编程语言包
C/C++/C#/VB6/VB.NET/Delphi/BCB/Python/Java
其它功能
支持任意尺寸的ROI自定义分辨率、对比度和伽马调节、饱和度调节、白平衡校正、黑电平校正、自定义死 点坐标校正、ISP图像处理加速、3D降噪、自定义LUT表、帧率调节、自定义相机名称等

联系电话 : 0755-83317774 移动电话 : 18938648240 Email : 1605935956@qq.com QQ : 1605935956