Thorlabs索雷博 LMU-20X-NUV MicroSpot®紫外聚焦物镜

MicroSpot®紫外聚焦物镜,消色差

放大
Click to EnlargeClick Here for Raw Data
图G2.1:带UVB或NUV AR膜的MicroSpot消色差物镜的轴向焦移。
- 增透膜,用于240 - 360 nm或325 - 500 nm
- 放大倍率5X、20X或40X
- 衍射极限性能,用于光束直径≤通光孔径的70%
- 数值孔径从0.12至0.49
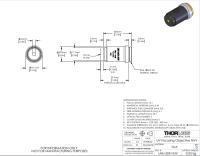
- RMS(0.800"-36)外螺纹,深3.8 mm
这些5X、20X和40X物镜经过色差校正,以最大程度地减少增透膜波长范围上的轴向焦移。光束直径≤每个物镜通光孔径的70%时,可以实现衍射极限性能。这些物镜适用于聚焦或收集多色光,因此非常适合光谱测定、晶圆检测或手术激光应用。不过,其小视场限制了它们在成像应用中的性能。
RMS(0.800"-36)外螺纹使得物镜可通过HCS013 RMS安装座安装到我们的光纤耦合系统或任一挠性位移台。另外,这些物镜通过SM1A3转接件也可以轻松安装到笼式系统、透镜套筒或其他兼容SM1的光机械件中。物镜盒(OC2RMS盒盖和OC22盒身)和铝盖(RMSCP1)可单独购买。
| Table G2.2 Specifications |
|---|
| Item # | AR Coating Range | Ma | WD | EFL | PFL | NA | EPb | Spot Sizec | OFN | Typical Transmission | Max Reflectance per Surfaced | Pulsed Damage Threshold | Design Tube Lens Focal Lengthe |
|---|
| LMU-5X-UVB | 240 - 360 nm | 5X | 37.3 mm | 39.8 mm | 63.7 mm | 0.12 | 9.9 mm | 3 µm | 18 |  Raw Data | < 1.5% (240 - 360 nm) | 5.0 J/cm2 (355 nm, 10 ns, 20 Hz, Ø0.342 mm) | 200 mm |
| LMU-5X-NUV | 325 - 500 nm | 5X | 37.5 mm | 39.9 mm | 63.8 mm | 0.12 | 9.9 mm | 4 µm | 18 |  Raw Data | < 1.0% (325 - 500 nm) | 3.0 J/cm2 (355 nm, 6.6 ns, 20 Hz, Ø0.206 mm) |
| LMU-20X-UVB | 240 - 360 nm | 20X | 4.1 mm | 9.9 mm | 39.1 mm | 0.39 | 8.0 mm | 1 µm | 5 |  Raw Data | < 1.5% (240 - 360 nm) | 5.0 J/cm2 (355 nm, 10 ns, 20 Hz, Ø0.342 mm) |
| LMU-20X-NUV | 325 - 500 nm | 20X | 4.1 mm | 10.1 mm | 39.1 mm | 0.38 | 8.0 mm | 1 µm | 5 |  Raw Data | < 1.0% (325 - 500 nm) | 3.0 J/cm2 (355 nm, 6.6 ns, 20 Hz, Ø0.206 mm) |
| LMU-40X-UVB | 240 - 360 nm | 40X | 0.8 mm | 5.2 mm | 34.4 mm | 0.49 | 5.1 mm | 1 µm | 10 |  Raw Data | < 1.5% (240 - 360 nm) | 5.0 J/cm2 (355 nm, 10 ns, 20 Hz, Ø0.342 mm) |
| LMU-40X-NUV | 325 - 500 nm | 40X | 0.8 mm | 5.3 mm | 34.5 mm | 0.47 | 5.1 mm | 1 µm | 10 |  Raw Data | < 1.0% (325 - 500 nm) | 3.0 J/cm2 (355 nm, 6.6 ns, 20 Hz, Ø0.206 mm) |
- 与焦距为200 mm的套筒透镜一起使用时
- 入瞳直径(EP)在物镜后孔径处定义。
- 理论光斑尺寸由λ = 360 nm 处的(1.83*λ)/(2*NA)确定。假设高斯输入光束(其轮廓在1/e2直径处截断)充满EP。
- 不建议在增透膜范围之外使用这些物镜,因为表面反射可能会造成重影,并且会明显降低光学元件的总透射率。
- 有关套筒透镜和物镜的兼容性信息,请看放大率&视场标签。
M = 放大倍率
WD = 工作距离
EFL = 有效焦距
PFL = 齐焦长度
NA = 数值孔径
EP = 入射孔径
OFN = 光场数

联系电话 : 0755-83317774 移动电话 : 18938648240 Email : 1605935956@qq.com QQ : 1605935956