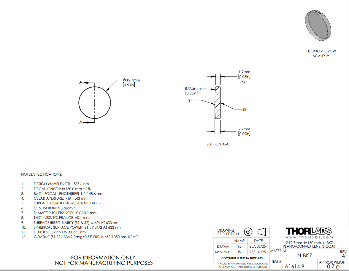
Thorlabs索雷博 LA1614-B 平凸透镜
特性
- 材料:N-BK7
- 增透膜波长范围:650-1050 nm
- 焦距从4到2500 mm可选
这些平凸透镜使用符合RoHS标准的BK7(N-BK7)生产,且镀有650-1050 nm波长范围的增透膜。当不需要紫外熔融石英的额外优点(一直到UV波段都具有高透过率且热膨胀系数更低)时,一般都会选择N-BK7玻璃。它们的焦距为正,对于无限远和有限远共轭比应用,性能接近最佳外形透镜。
平凸透镜可以将准直光束会聚在后焦点上,也可以将点光源变成准直光束。为了将球差降至最低,聚焦时准直光束应该入射到透镜的曲面上,而准直时点光源应该入射到透镜的平面上。
每个透镜的焦距可以使用简化的厚透镜公式来计算:
f= R/(n-1)
其中n是折射率,R是透镜表面的曲率半径。这些透镜使用阿贝数为64.17的N-BK7材料生产;阿贝数是色散指标。
这些N-BK7平凸透镜可以选择未镀膜的型号,也可以选择五种增透膜型号的一种(-A、-AB、-B、-C或-D),增透膜可以降低光在透镜表面的反射量(每种镀膜选项请看表1.1)。在未镀膜基底的每个表面约有4%的入射光会反射,因此AR膜层的应用可改善透射率,这在弱光应用中尤为重要,且防止与多层反射相关的不良影响(如重影)。这些平凸透镜上的附加增透膜非常适合具有多个光学元件的应用。请在曲线标签中查看镀膜信息。
Thorlabs提供固定式透镜安装座,用于安装这里所售的透镜。如需安装某些尺寸的高曲率透镜,我们提供具有SM05(0.535"-40)、SM1(1.035"-40)或SM2(2.035"-40)螺纹的特厚卡环,安装透镜时能为卡环扳手提供更大的间隙(更多信息请查看安装选项标签)。
Thorlabs也提供N-BK7透镜套件,请点击这里获取详情。
| Table 1.1 N-BK7 Plano-Convex Lens Selection Guide |
|---|
| Unmounted Lenses | Mounted Lenses |
| Uncoated | Uncoated |
| -A Coating (350 - 700 nm) | -A Coating (350 - 700 nm) |
| -AB Coating (400 - 1100 nm) | -AB Coating (400 - 1100 nm) |
| -B Coating (650 - 1050 nm) | -B Coating (650 - 1050 nm) |
| -C Coating (1050 - 1700 nm) | -C Coating (1050 - 1700 nm) |
| -D Coating (1650 - 3000 nm) | - |
| 关键规格 |
|---|
| 直径 | 2毫米和3毫米 | 6毫米、9毫米、1/2英寸、18毫米、25毫米、1英寸、30毫米、1.5英寸、2英寸和75毫米 |
| 镜片形状 | 平凸 |
| 基底材料 | N-BK7A级a |
| AR镀膜范围 | 650 - 1050 纳米(-B 镀膜) |
反射率b过度涂层 平均射程(0°入射角时) | < 0.5% |
| 设计波长 | 587.6 纳米c |
| 折射率 | 1.515d |
表面平整度 普莱诺侧 | 半波长d |
球面光焦度e 凸面 | 3倍λ/2d |
表面不规则 峰谷 | 四分之一波长d |
| 表面质量 | 60-40 划痕-麻点 | 40-20划痕-麻点 |
| 厚度公差 | ±0.03毫米 | ±0.1毫米 |
| 直径公差 | +0.00 / -0.02 毫米 | +0.0 / -0.1 毫米 |
| 专注 | ≤5角分 | < 3角分 |
| 伤害阈值f | 7.5 焦耳/平方厘米(810 纳米,10 纳秒,10 赫兹,直径0.144毫米)2
|
| 阿贝数 | v = 64.17d |
| 净孔径 | >90%的Diameterg |
| 焦距公差 | ±1% |
- 点击链接查看关于基底的详细规格。
- 每个面
- Ø25 mm透镜的设计波长为632.8 nm。
- 633纳米处
- 类似于平面光学元件的表面平整度,光圈数(surface power)为球面光学元件的表面相对校准基准的偏差,除非另有说明,一般是针对633 nm光源。此参数也常称为曲面拟合。
- 受到增透膜限制;详情请查看损伤阈值标签
- LA1254-B、LA1258-B和LA1259-B透镜的通光孔径为直径的90%。
图2.1是N-BK7玻璃(符合RoHS标准的BK7玻璃)的透射率曲线。总透过率使用10 mm厚的未镀膜样品测量,且包含表面反射。我们的N-BK7平凸透镜可选未镀膜版本,也可选镀增透膜的版本,包括:350 - 700 nm(型号后缀为-A)、400 - 1100 nm(型号后缀为-AB)、650-1050 nm(型号后缀为-B)、1050 - 1700 nm(型号后缀为-C)或1.65 - 3.0 µm(-型号后缀为D)。
这些高性能的多层增透膜在指定波长范围内的平均反射率低于0.5% (每个表面),-AB和-D膜除外,它们提供< 1.0%的平均反射率。这些镀膜对于从0°和 30° (0.5 NA)之间的入射角(AOI)都提供高性能。如需更大入射角的光学元件,可以考虑针对45°入射角优化的定制光学镀膜,这种定制镀膜可以在25到52度的入射角下使用。图2.3中的曲线给出了该系列中的标准镀膜的性能与波长的关系。宽带薄膜的典型吸收为0.25%,这没有反映在反射率曲线中。
点击放大
点击这里原始数据
图2.1:上方是正入射到表面时,10 mm厚未镀膜N-BK7样品的透过率曲线图。请注意,这是测量的透过率,包含表面反射。
点击放大
点击这里原始数据
图2.2:蓝色阴影区域表示最佳性能所在的650到1050 nm波长范围。

图2.3:Thorlabs标准宽带增透膜(8° AOI)的反射率曲线图。

联系电话 : 0755-83317774 移动电话 : 18938648240 Email : 1605935956@qq.com QQ : 1605935956