Thorlabs索雷博 LMU-15X-193 MicroSpot®紫外聚焦物镜

MicroSpot®紫外聚焦物镜,激光线增透膜

放大
Click to EnlargeClick Here for Raw Data
图G4.1:带激光谱线AR膜的MicroSpot窄带物镜的轴向焦移。
- 增透膜,用于192 - 194 nm、240 - 260 nm、248 - 287 nm或325 - 380 nm
- 放大倍率3X、10X或15X
- 衍射极限性能,用于光束直径≤通光孔径的70%
- 数值孔径从0.08至0.35
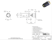
- RMS(0.800"-36)外螺纹,深3.8 mm
这些3X、10X和15X物镜均镀有以准分子激光线为中心的窄带增透膜,每个表面的最大反射率小于1%,且损伤阈值高,因此非常适合高功率下的激光切割和微加工元件。
RMS(0.800"-36)外螺纹使得物镜可通过HCS013 RMS安装座安装到我们的光纤耦合系统或任一挠性位移台。另外,这些物镜通过SM1A3转接件也可以安装到笼式系统、透镜套筒或其他兼容SM1的光机械件中。物镜盒(OC2RMS盒盖和OC22盒身)和铝盖(RMSCP1)可以单独购买。
| Table G4.2 Specifications |
|---|
| Item # | AR Coating Range | Ma | WD | EFL | PFL | NA | EPb | Spot Sizec | OFN | Typical Transmission | Max Reflectance per Surfaced | Pulsed Damage Threshold | Design Tube Lens Focal Lengthe |
|---|
| LMU-3X-193 | 192 - 194 nm | 3X | 48.6 mm | 59.0 mm | 74.7 mm | 0.08 | 9.9 mm | 2 µm | 12 |  Raw Data | < 0.3% (192 - 194 nm) | - | 200 mm |
| LMU-3X-248 | 240 - 260 nm | 3X | 49.5 mm | 59.8 mm | 75.7 mm | 0.08 | 9.9 mm | 3 µm | 15 |  Raw Data | < 0.5% (240 - 260 nm) | - |
| LMU-3X-266 | 248 - 287 nm | 3X | 49.7 mm | 60.0 mm | 75.9 mm | 0.08 | 9.9 mm | 3 µm | 16 |  Raw Data | < 0.7% (248 - 287 nm) < 0.2% (256 - 275 nm) | 5.0 J/cm2 (266 nm, 10 ns, 10 Hz, Ø0.127 mm) |
| LMU-3X-351 | 325 - 380 nm | 3X | 50.5 mm | 60.7 mm | 76.6 mm | 0.08 | 9.9 mm | 4 µm | 18 |  Raw Data | < 0.7% (325 - 380 nm) < 0.2% (335 - 362 nm) | 10 J/cm2 (355 nm, 10 ns, 10 Hz, Ø0.406 mm) |
| LMU-10X-193 | 192 - 194 nm | 10X | 13.2 mm | 18.2 mm | 45.3 mm | 0.27 | 9.9 mm | 1 µm | 9 |  Raw Data | < 0.3% (192 - 194 nm) | - |
| LMU-10X-248 | 240 - 260 nm | 10X | 14.5 mm | 19.8 mm | 46.6 mm | 0.25 | 9.9 mm | 1 µm | 11 |  Raw Data | < 0.5% (240 - 260 nm) | - |
| LMU-10X-266 | 248 - 287 nm | 10X | 14.7 mm | 20.1 mm | 46.8 mm | 0.25 | 9.9 mm | 1 µm | 12 |  Raw Data | < 0.7% (248 - 287 nm) < 0.2% (256 - 275 nm) | 5.0 J/cm2 (266 nm, 10 ns, 10 Hz, Ø0.127 mm) |
| LMU-10X-351 | 325 - 380 nm | 10X | 15.4 mm | 20.9 mm | 47.5 mm | 0.24 | 9.9 mm | 1 µm | 14 |  Raw Data | < 0.7% (325 - 380 nm) < 0.2% (335 - 362 nm) | 10 J/cm2 (355 nm, 10 ns, 10 Hz, Ø0.406 mm) |
| LMU-15X-193 | 192 - 194 nm | 15X | 7.2 mm | 12.0 mm | 43.7 mm | 0.35 | 8.5 mm | 1 µm | 9 |  Raw Data | < 0.3% (192 - 194 nm) | - |
| LMU-15X-248 | 240 - 260 nm | 15X | 8.0 mm | 13.1 mm | 44.4 mm | 0.32 | 8.5 mm | 1 µm | 12 |  Raw Data | < 0.5% (240 - 260 nm) | - |
| LMU-15X-266 | 248 - 287 nm | 15X | 8.1 mm | 13.3 mm | 44.5 mm | 0.32 | 8.5 mm | 1 µm | 13 |  Raw Data | < 0.7% (248 - 287 nm) < 0.2% (256 - 275 nm) | 5.0 J/cm2 (266 nm, 10 ns, 10 Hz, Ø0.127 mm) |
| LMU-15X-351 | 325 - 380 nm | 15X | 8.5 mm | 13.9 mm | 44.9 mm | 0.31 | 8.5 mm | 1 µm | 13 |  Raw Data | < 0.7% (325 - 380 nm) < 0.2% (335 - 362 nm) | 10 J/cm2 (355 nm, 10 ns, 10 Hz, Ø0.406 mm) |
- 与焦距为200 mm的套筒透镜一起使用时
- 入瞳直径(EP)在物镜后孔径处定义。
- 理论光斑尺寸由物镜中心波长处的(1.83*λ)/(2*NA)确定。假设高斯输入光束(其轮廓在1/e2直径处截断)充满EP。
- 不建议在增透膜范围之外使用这些物镜,因为表面反射可能会造成重影,并且会明显降低光学元件的总透射率。
- 有关套筒透镜和物镜的兼容性信息,请看放大率&视场标签。
联系电话 : 0755-83317774 移动电话 : 18938648240 Email : 1605935956@qq.com QQ : 1605935956