BOCIC北光世纪     BSC301   分束立方体转接器
  • BOCIC北光世纪     BSC301   分束立方体转接器

BOCIC北光世纪 BSC301 分束立方体转接器

BOCIC北光世纪     BSC301   分束立方体转接器


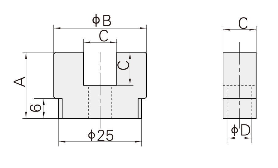
型号

BSC301

BSC302

BSC303

BSC304

BSC305

BSC306

A

20

22.7

25

30

35.4

35

B

28

28

28

36

40

40

C

10

12.7

15

20

25.4

25

D

7

7

11

15

19

19



联系电话 : 0755-83317774  移动电话 : 18938648240 Email : 1605935956@qq.com QQ : 1605935956

联系我们 Contact us

联系电话:18938648240
固定电话:0755-83317774
邮箱:1605935956@qq.com
联系地址:深圳市龙岗区平湖双拥街
扫一扫加微信
深圳市朗磊贸易有限公司  版权所有
本站使用百度智能门户搭建 管理登录
粤ICP备12090468号