BRIGATES锐芯微 PM002 科学相机
产品参数
| 靶面尺寸 | 1 英寸(对角线18mm) | 靶面分辨率 | 800 H×600 V |
| 像素面积 | 18×18 μm | 感光结构 | 背照式 |
| 光谱响应范围 | 400~1100 nm | 快门方式 | 卷帘快门 |
| 曝光时间 | 1 ms~60 s | 帧率 | 25 fps |
位深 | 20 bit | 满阱电荷 | 200 Ke- |
| 视频输出接口 | USB 2.0 | 典型暗电流(-40℃) | 0.02 e-/s/pixel |
| PRNU | 0.6% | 典型读出噪声(-40℃) | 0.5 e- |
| 外部曝光触发 | 支持 | 输入电压 | 5 VDC(相机)/12 VDC(制冷系统) |
| 功耗 | 42 W | 镜头接口 | C-Mount |
| 制冷方式 | 四级半导体制冷 | 典型最大制冷温度(室温25℃) | -40 ℃ |
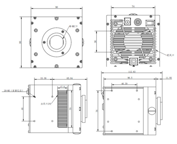
外形尺寸:(单位mm)

联系电话 : 0755-83317774 移动电话 : 18938648240 Email : 1605935956@qq.com QQ : 1605935956