Thorlabs索雷博 C036TME-E 模压红外非球面透镜
特性
- 聚焦或准直光束时不会引入球差
- 未安装时的通光孔径:Ø3.3 mm、Ø4.00 mm、Ø5.00 mm或Ø7.60 mm
- 增透膜范围:1.8- 3 μm(-D)、3 - 5 μm(-E)或8 - 12 μm(-F)
- 可选未安装或安装在刻有标识的螺纹不锈钢外壳中的版本
- BD-2和VIG06基底分别在高达130 °C和110 °C仍可稳定工作
球差常常会限制球面透镜实现衍射极限设计。非球面透镜的表面设计为可最大程度地减少球差,从而为许多应用提供可靠的单个光学元件解决方案,例如进行光纤或激光二极管的输出准直、将光耦合到光纤中、空间滤波或将光成像在探测器上。特别是,我们的红外非球面透镜非常适合准直来自中波红外(MWIR)和长波红外(LWIR)的光(包括量子级联激光器(QCL))。
本页所有模压玻璃透镜在两面都镀有增透膜,范围有1.8 - 3 µm、3 - 5 µm或8 - 12 µm。其它增透膜选项列在表1.1中。
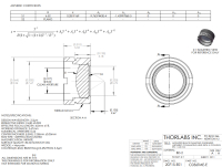
这些模压玻璃透镜可选未安装或者预安装在不锈钢外壳中的版本,外壳上刻有方便识别的产品型号。这些外壳带有公制螺纹,使其便于集成到光学装置或者OEM应用中。比如,通过使用非球面透镜转接件,它们能直接接入我们的SM1(1.035"-40)透镜套筒。已安装非球面透镜与RMS螺纹物镜替换转接件组合使用时,能够直接替换多元件显微镜物镜。
如果使用未安装非球面透镜来准直点光源或者激光二极管时,应将曲率半径较大的一面朝向点光源或者激光二极管。如果使用已安装非球面透镜对光束进行准直时,应将外壳上带有外螺纹的一侧朝向光源。
黑色金刚石
黑色金刚石-2(BD-2)是一种硫族化合物,它是由锗(28%)、锑(12%)和硒(60%)组成的无定形混合物,与传统上用于制造红外光学元件的锗相比,黑色金刚石-2具有一些优势。BD-2具有热稳定折射率(请查看折射率标签)和低热膨胀系数(13.5 x 10-6 / °C),所以由温度变化引起的焦距变化比锗更小。另外,锗材料的透过率随温度增加而降低,而BD-2非球面透镜在高达130 °C的环境中仍可使用。这种材料特别是在1.7到2.2 μm波长范围内具有优异的性能,能提供大于99%的透过率和平坦的色散曲线。
VIG06
VIG06是一种由砷(40%)和硒selenium (60%)非晶混合制造的硫化物。VIGO6具有和BD-2相似的光学性质,但折射率和热膨胀系数(20.8 x 10-6 / °C)略高,热光系数(32.1 x 10-6 / °C)更低。VIG06非球面透镜可在最高110 °C环境下使用。

Click to Enlarge
Click Here for BD-2 Raw Data
Click Here for VIG06 Raw Data
图1.2:-D宽带增透膜透镜的反射率曲线图

Click to Enlarge
Click Here for BD-2 Raw Data
Click Here for VIG06 Raw Data
图1.3:-E宽带增透膜透镜的反射率曲线图

Click to Enlarge
Click Here for BD-2 Raw Data
Click Here for VIG06 Raw Data
图1.4:-F宽带增透膜透镜的反射率曲线图
图1.2、1.3和1.4中的阴影区域表示指定的增透膜波长范围。请注意,这些曲线图是典型的;不同批次之间的性能可能略有差异。
Table 1.1 Molded Glass Aspheric Lenses |
|---|
| Infinite Conjugate |
| Uncoated |
| 350 - 700 nm (-A Coating) |
| 600 - 1050 nm (-B Coating) |
| 1050 - 1700 nm (-C Coating) |
| 1.8 - 3 µm (-D Coating) |
| 3 - 5 µm (-E Coating) |
| 8 - 12 µm (-F Coating) |
| 405 nm V-Coating |
| 1064 nm V-Coating |
| Finite Conjugate |
| Uncoated |
| Common Specifications |
|---|
| Substrate | Black Diamond-2 | VIG06 |
| Refractive Indexa | 2.630 ± 0.003 at 2.5 µm | 2.795 ± 0.003 @ 3.5 µm |
| Damage Threshold (Typical) | 100 W/cm2 @ (1064 nm, CW)b 0.1 J/cm2 @ (1064 nm, 10 ns)b | N/A |
Surface Quality (Bulk Material) | 80-50 Scratch-Dig |
Coefficient of Thermal Expansion | 13.5 x 10-6 / °C | 20.8 x 10-6 / °C |
| Thermooptic Coefficient (Δn / ΔT) | 91 x 10-6 / °C | 32.1 x 10-6 / °C |
- 与波长相关的折射率信息请查看折射率标签。
- 透镜的损伤阈值受增透膜限制,无法保证。
Click to Enlarge图2.2:VIG06的折射率
Click to Enlarge图2.1:BD-2的折射率
| Table 2.3 Herzberger Coefficients |
|---|
Herzberger Coefficient | Value |
|---|
| BD-2 | VIG06 |
|---|
| A | 2.614 | 2.789 |
| B | 1.491 x 10-1 | 1.120 x 10-1 |
| C | -2.875 x 10-1 | 1.782 x 10-2 |
| D | -9.573 x 10-5 | -1.109 x 10-4 |
| E | -5.109 x 10-7 | -7.893 x 10-8 |
| F | 9.894 x 10-10 | -9.027 x 10-12 |
如图2.1和2.2所示,黑色金刚石-2(BD-2)和VIG06的折射率随波长变化,这是使用Herzberger公式(Sellmeier公式在红外波段的类比)计算得出的。BD-2和VIG06的Herzberger系数如表2.3所示。
Herzberger公式(λ以µm为单位)

为光纤耦合选择合适的透镜
一般使用非球面透镜将直径为1到5 mm的入射光耦合到单模光纤中。下面通过一个简单的示例来说明选择正确透镜时需要考虑的主要规格。
示例
- 波长:1950 nm
- 光纤:P1-1950-FC-1
- 透镜前的准直光束直径:1.2 mm
Thorlabs的P1-1950-FC-1单模光纤跳线在1950 nm处的模场直径(MFD)为8.0 μm。此规格应匹配下方公式计算出的衍射极限光斑大小:

其中,f是透镜的焦距,λ是输入光的波长,D是入射在透镜上的准直光直径。求解准直透镜的所需焦距,得到:

我们的C093TME-D(f = 3.00 mm)为已安装非球面透镜,镀有增透膜可用于1950 nm波长,且焦距匹配所需的3.87 mm,如下方所示。它的通光孔径为5.0 mm,远大于1.2 mm的准直光束直径。因此,它满足示例装置的要求。
聚焦光束的光斑应该小于单模光纤的模场直径,才能获得最佳耦合。因此,如果没有完全匹配的非球面透镜,可以选择焦距比计算结果小的非球面透镜。另外,如果非球面透镜的通光孔径足够大,也可以在非球面透镜之前对光束进行扩束,这样可以减小聚焦光斑的大小。

联系电话 : 0755-83317774 移动电话 : 18938648240 Email : 1605935956@qq.com QQ : 1605935956