zolix卓立汉光 TBRU100 电动旋转台
TBRU系列高精密闭环电动旋转台说明:
TBRU 系列产品是卓立汉光为解决全闭环使用、高重复性、高精密性而开发的高精密闭环电动旋转滑台。导向机构采用精密交叉滚柱轴环,轴系结构采用耐磨的精研蜗轮蜗杆,蜗杆材质为合金结构钢,经过高频淬火处理,硬度高,刚性好,蜗轮材质选用锡青铜,具有突出的耐磨性。主体采用硬质铝合金,表面黑色阳极氧化处理,外形美观。保证了高旋转精度,轴向跳动、同心度等关键指标达到国际同类产品水平。特有的蜗轮蜗杆调整机构,有效的消除了机械误差并保证长期使用精度。该系列产品具有较高的负载能力,可用于竖直及倒置使用。
特点:
• 使用精研蜗轮蜗杆传动,实现高定位性能
• 内置光栅尺,闭环分辨率可达0.55″
• 采用高等级交叉滚柱轴环,具有高运动特性
• 标配二相步进电机,稳定、可靠
• 内置零位传感器
命名规则:

TBRU系列高精密闭环电动旋转台选型表:
| 型号 | TBRU100 | TBRU200 |
机械规格 | 台面尺寸(mm) | Φ102 | Φ196 |
角度范围(°) | 360 |
蜗轮蜗杆传动比 | 180:1 |
导轨(导向机构) | 交叉滚柱轴环 |
蜗轮材料 | 耐磨锡青铜 |
蜗杆材料及工艺 | 钢质,高频淬火 |
主体材料及表面处理 | 铝合金,黑色阳极氧化处理 |
自重(Kg) | 3.4 | 11.5 |
联轴器(外径-孔径1-孔径2)(mm) | 20-5-5 | 25-6.35-6.35 |
精度规格 | 闭环分辨率(°/pp) | 0.000152027 | 0.0000762712 |
开环8细分下的分辨率(°) | 0.00125 |
最大速度(°/s)* | 20 |
重复定位精度(°) | ≤±0.003 |
背隙(反冲间隙)(um) | ≤6 | ≤12 |
回程间隙(空转或反转定位精度)(°) | ≤0.003 |
静态平行度(mm) | ≤0.08 |
端跳(轴向跳动)(µm) | ≤36 | ≤40 |
同心度(径向跳动)(µm) | ≤27 | ≤30 |
电气规格 | 步进电机(步距角1.8°) | 二相42 | 二相57 |
电机型号 | 42M-1.8D-C-10 | 57M-1.8D-C |
工作电流(A) | 1.7 | 2.4 |
电机扭矩(Nキm) | 0.42 | 1 |
光栅尺品牌 | LAMOTION |
驱动器厂牌及型号(另配) | 鸣志,SR2 | 鸣志,SR4 |
滑台接头 | DB9(针) |
滑台接头线缆类型 | 高柔性线缆(德国和柔) |
滑台接头线缆长度(m) | 0.2 |
限位传感器 | 无(外置可选) |
原点传感器(内置) | 1个PM-L25(日本SUNX) |
传感器电压(V) | DC5~24V±10% |
消耗电流(mA) | ≤15 |
控制输出 | NPN开路集电极输出;DC5~24V 50mA以下 |
输出逻辑 | 检测(遮光)时:输出晶体管ON(导通) |
负载 | 水平负载(Kg) | 20 | 40 |
倒置负载(Kg) | 5 | 10 |
竖直负载(Kg) | 5 | 10 |
*注:最大速度是在空载情况下,按照步进电机600转/分钟的理论计算速度和实际测试值。
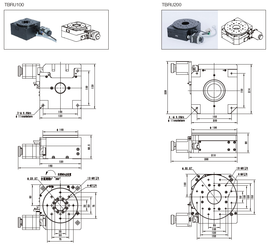
尺寸图

联系电话 : 0755-83317774 移动电话 : 18938648240 Email : 1605935956@qq.com QQ : 1605935956