IRAYPLE 大华华睿 MTL16-32001X-C 远心镜头
● 采用双远心光学设计;
● 最大支持1英寸靶面工业相机;
● 110mm工作距离,可选同轴光功能;
● 支持12MP、20MP分辨率工业相机,成像清晰度均匀;
● 低畸变,高远心度,适用于高精度测量和定位等工业应用;
基本参数
结构
相机接口
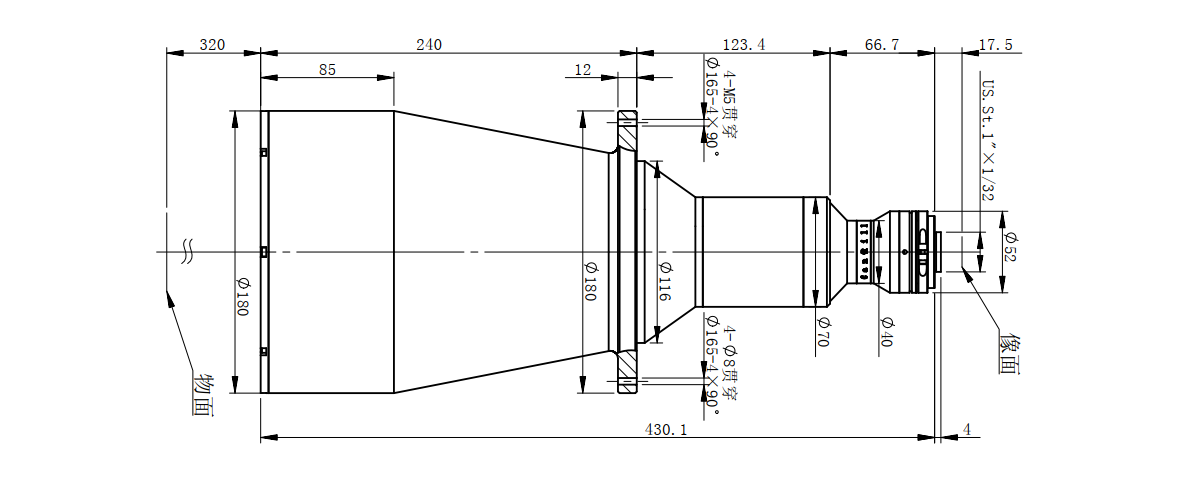
C接口
产品尺寸
430.1mm×φ180mm
环境

联系电话 : 0755-83317774 移动电话 : 18938648240 Email : 1605935956@qq.com QQ : 1605935956