Thorlabs索雷博 AC127-019-C-ML 消色差双胶合透镜
特性
- 1050 - 1620 nm或1050 - 1700 nm范围的增透膜
- Ø5 mm、Ø6 mm、Ø6.35 mm、Ø8 mm、Ø1/2英寸、Ø1英寸或者Ø2英寸已安装的正红外消色差双胶合透镜
- Ø1/2英寸以上透镜的螺纹外壳刻有产品型号、焦距和镀膜类型
- 外壳使得其便于集成到Thorlabs的光机械组件中
- 可选焦距范围:7.5 mm到1000 mm
Thorlabs的红外消色差双胶合透镜现在有了预安装在带有刻纹和螺纹的安装座上的版本,便于将这些光学元件集成到您的装置中。我们提供7种可选直径: Ø5 mm, Ø6 mm,Ø6.35 mm,Ø8 mm,Ø1/2英寸,Ø1英寸和Ø2英寸。请查看我们的红外消色差双合透镜 来购买这些未安装的透镜。
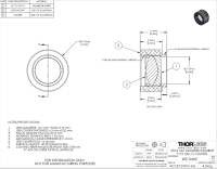
在直径为1/2英寸或者更大的安装座上的标记清晰地标明了产品型号、焦距、镀于表面的增透膜。所刻箭头从透镜曲率半径较大的一侧(较平侧)指向曲率半径较小的一侧,并指示准直点源的推荐光传播方向。如果聚焦准直光束,所刻箭头应指向与光传播相反的方向。无限大符号表示这个透镜具有无限的共轭比。(例如,如果发散光源放置在距离平的透镜表面一个焦距的位置时,从弯曲表面出来的光束将是准直光束)。直径小于Ø1/2英寸的安装座上只标记了产品型号。
这些专门设计用于红外光谱范围(1050 - 1700 nm或1050 - 1620 nm)的消色差双胶合透镜经过计算机优化,具有无限共轭比。设计波长分别为1016 nm、1330 nm和1550 nm。对于波长范围小于410 nm的应用,Thorlabs的空气间隔紫外双胶合透镜提供低至240 nm的优良性能。
消色差双胶合透镜对于控制色差非常有用,当使用单色光源例如激光时,它们经常用来产生衍射受限的点。关于消色差双胶合透镜的优越性(与单透镜相比),请参见上面的应用标签。
如表G1.1-G5.1的规格标签所示,正曲率半径表示当透镜像对应的图片中所示一样放置的时候,表面的开口向右。而负曲率半径则表示,在同样的情况下开口向左。正曲率和负曲率半径透镜都具有无限大的共轭比率(例如,当在距离透镜较为平缓的侧面一个焦距长度的地方放置一个发散光源时,曲面的出射光将是平行准直的)。
为实现最佳性能,透镜上曲率半径最大的那一侧(最平坦的侧)应该背离准直光。详情请看表G1.1-G5.1图像下面的链接。
定制消色差透镜
Thorlabs的光学事业部拥有出色的制造能力,使我们能同时为OEM及小批量订单提供多种定制光学元件。可以定制尺寸、焦距、基底材料、双胶合材料和镀膜的消色差光学元件。此外,我们提供比库存产品规格更好的光学元件。关于定制下单的更多信息或者咨询,请联系技术支持。
Click to Enlarge
Click Here for Raw Data
图1.1 每个消色差双胶合透镜都有1050 - 1700 nm或1050 - 1620 nm的镀膜范围,如下方所指示。以上是在0° AOI下建模的理论数据。
| General Specifications |
|---|
| Design Wavelengths | 1016 nm, 1330 nm, and 1550 nm |
| AR Coating Range | 1050 - 1620 nm or 1050 - 1700 nm (-C Coating) |
Reflectance Over AR Coating Range (0° AOI) | Ravg < 0.5% |
| Diameters Available | 5 mm, 6, 6.35 mm, 8 mm, 1/2", 1", and 2" |
| Diameter Tolerance | +0.00/-0.10 mma |
| Focal Length Tolerance | ±1% |
| Surface Quality | 40-20 Scratch-Dig |
| Spherical Surface Powerb | 3λ/2 |
Spherical Surface Irregularity (Peak to Valley) | λ/4 |
| Centration | ≤3 arcminc |
| Clear Aperture | >90% of Diameter |
| Damage Thresholdd | Pulse | 5.0 J/cm2 (1542 nm, 10 ns, 10 Hz, Ø0.181 mm) |
| CWe | 1000 W/cm (1540 nm, Ø1.030 mm) |
| Operating Temperature | -40 °C to +85 °C |
- ACT508-200-C-ML、ACT508-250-C-ML、ACT508-300-C-ML、ACT508-400-C-ML、ACT508-500-C-ML、ACT508-750-C-ML和ACT508-1000-C-ML的此规格为+0.0 / -0.1 mm
- 类似平面光学元件表面平整度,球面表面折光度是表面弯曲的光学元件与校准参考面之间的偏差参数,校准参考面通常对于633纳米源,除非特别注明。这个参数通常也称曲面拟合度。
- ACT508-200-C-ML、ACT508-250-C-ML、ACT508-300-C-ML、ACT508-400-C-ML、ACT508-500-C-ML、ACT508-750-C-ML和ACT508-1000-C-ML的此规格为< 3 arcmin。
- 双胶合消色差透镜的损伤阈值受双胶合剂的限制。
- 光束的功率密度应以W/cm为单位计算。关于为何线性功率密度是长脉冲和连续光的最佳量度,请查看损伤阈值标签。
| Mounted Achromat Diameter | Mounting Threads |
|---|
| Ø5 mm, Ø6 mm, or Ø6.35 mm | M9 x 0.5 |
| Ø8 mm | M12 x 0.5 |
| Ø1/2" | SM05 (0.535"-40) |
| Ø1" | SM1 (1.035"-40) |
| Ø2" | SM2 (2.035"-40) |
| Achromatic Doublets Selection Guide |
|---|
| Unmounted Lenses | Mounted Lenses |
| Visible (400 - 700 nm) | Visible (400 - 700 nm) |
| Extended Visible (400 - 1100 nm) | Extended Visible (400 - 1100 nm) |
| Near IR (650 - 1050 nm) | Near IR (650 - 1050 nm) |
| IR (1050 - 1700 nm) | IR (1050 - 1700 nm) |
| Achromatic Doublet Kits |
每种消色差双胶合透镜的详细信息,都能够在它的支持文档中的Zemax®文件中找到。下面是应用Zemax®文件进行性能测试的一些例子。
焦距和波长的关系
Thorlabs的消色差双合透镜经优化,在较宽带宽范围上提供几乎不变的焦距。这是通过利用多重元件的设计,尽可能减少透镜色差来实现的。双合透镜的第一个(负透镜)元件的色散由第二个(正透镜)元件校正,导致宽带性能比球面单合透镜或非球面透镜更好。图2.1为AC254-125-C双合透镜的随波长变化的近轴焦点移动,该双合透镜是焦距125 mm、Ø24.5 mm的消色差双合透镜,镀有增透膜,增透膜范围是1050至1700 nm。

点击放大
图2.1 AC254-125-C的近轴焦移随波长变化的曲线图
波前误差和光斑尺寸
球面双胶合透镜可对多种像差进行矫正。一种表征像差校正的理论水平的方法是通过波前误差和光线追踪来确定光斑尺寸。例如,图2.2中像平面的波前,给出了利用AC254-125-C透镜的矫正后的像差矫正信息。在本例中,理论波前误差在3/100波长的量级。这告诉我们,对于光线阵列经过透镜中心和整个透镜区域的情况,光程差是非常小的。
图2.3中给出了光线追踪得到的AC254-250-C透镜像面上光斑尺寸。在这个近红外消色差双胶合透镜中,利用三个设计波长(706.5 nm,855 nm和1015 nm)对其进行了追迹,分别以不同的颜色表示。图中的光线交点轨迹周围的圆环代表了艾里斑的直径。如果光斑尺寸在艾里斑范围内,一般认为透镜性能是接近衍射极限的。光斑尺寸是由光线追踪光线绘制的,由于衍射的限制,不可能得到比艾里斑小很多的光斑。

点击放大
图2.2 AC254-125-C像面上波前图

点击放大l
图2.3 AC254-250-C像面上光斑尺寸的光线追迹
理解调制传递函数,MTF
调制传递函数图像质量是透镜的重要特征。通常是通过对比度来衡量它。调制传递函数曲线经常被作为理论和实际通用的图像质量评判标准。透镜的传递函数描述了透镜传输不同分辨率水平图像的对比度的能力。一般情况下,通过对不同间距的黑白条纹组成的分辨率目标进行成像,就能够测量对比度。100%的对比度是由纯黑和纯白的线条组成。随着对比度的下降,线条分界开始变得模糊。光学传递函数曲线给出了对比度百分比随着线条间距的减少而产生的变化。物体的线条间距通常代表空间频率,单位为线/毫米。
Zemax®所计算的MTF曲线通常呈现的是加权平均结果,其中包含来自多个波长的值,此曲线被称为多色MTF曲线。由于较短和较长波长都具有不同的分辨率限制,因此具有不同的单个MTF曲线,根据曲线计算中包含的波长,可能会产生不同数量的多色MTF曲线。
点击放大
图2.4 AC254-200-B的理论调制传递函数
图中给出了我们的直径为Ø25.4 mm,焦距为200 mm的近红外消色差双胶合透镜的理论调制传递函数。从图中可以看出83%的对比度对应着约20线/毫米的空间频率。这说明间距为0.05 mm的线条经过透镜后有83%的对比度。理论的光学调制函数给出的设计性能,是指光学元件的实际尺寸和设计尺寸完全相同时的结果。事实上,由于制造公差的存在,大多数光学元件的光学传递函数将低于理论值。

图2.5 上图是以USAF 1951分辨率板作为对象的测量结果。对于这个目标对象,测得的对比度为82.3%。

联系电话 : 0755-83317774 移动电话 : 18938648240 Email : 1605935956@qq.com QQ : 1605935956