Thorlabs索雷博 LA4148-UV-ML 平凸透镜
特性
- Ø1/2英寸、Ø1英寸,Ø2英寸和Ø75 mm透镜可选,安装在SM螺纹安装座中
- 紫外增透膜,波长范围245 - 400 nm
- 由紫外级熔融石英制造
- 可提供的焦距:20.0 - 1000.0 mm
- 表面质量:40-20划痕-麻点
这些紫外级熔融石英平凸透镜可选择Ø1/2英寸、Ø1英寸、Ø2英寸和Ø75 mm的尺寸,安装在螺纹外壳内,透镜的两个表面镀245-400 nm紫外增透膜。紫外级熔融石英在深紫外波段具有很高的透过率,并且几乎不产生激光诱导荧光(测量波长193 nm),这使其特别适合应用于紫外到近红外波段。另外,与N-BK7相比,紫外级熔融石英具有更好的均匀性和更低的热膨胀系数。
这些平凸透镜上附加的紫外增透膜在有多个光学元件的应用中是尤其可取的。每个未镀膜的基底表面大约反射4%的入射光,紫外增透膜提高了透过率,这在弱光应用中是尤为重要的,可以防止多重反射的不良影响(如鬼影)。
平凸透镜具有正焦距,是应用最广泛的透镜元件。它们一般用来对准直的入射光进行聚焦;在这种情况下,为了尽量减小球差,准直光束应从透镜的曲面入射。当成像质量不重要时,平凸透镜也可以作为消色差双胶合透镜的替代品。

虽然平凸透镜和双凸透镜都可以对准直光进行会聚,但在选择时,如果想要获得低于0.2或者大于5的绝对放大倍率,通常倾向于选取平
凸透镜。当需要的放大率介于0.2和5之间时,使用双凸透镜比较适合。
| UVFS平面凸透镜选型指南 |
|---|
| 未安装的镜头 | 安装式镜头 |
| 无涂层的 | 未涂层的 |
| 紫外线涂层(245 - 400 纳米) | 紫外线涂层(245 - 400 纳米) |
| 涂层(350 - 700 纳米) | 涂层(350 - 700 纳米) |
| -AB涂层(400 - 1100纳米) | AB 涂层(400 - 1100 纳米) |
| T1 纹理表面(400 - 1100 纳米) | T1纹理表面(400 - 1100纳米) |
| -B涂层(650 - 1050纳米) | B涂层(650 - 1050 纳米) |
| C涂层(1050 - 1700纳米) | -C 涂层(1050 - 1700 纳米) |
| -405 纳米减反射镀膜(405 纳米) | - |
| -532 镀膜(532 纳米) | - |
| YAG 镀V膜(532/1064 纳米) | YAG 镀V膜(532/1064纳米) |
| -1064 减反射镀膜(1064纳米) | - |
| -1550纳米镀膜(1550纳米) | - |
我们还提供定制镀膜。
| 紫外熔融石英平凸透镜,紫外增透膜镀层 |
|---|
| 镜片形状 | 平凸 |
| 基底材料 | 紫外级熔融石英a |
| UV AR镀膜系列 | 245 - 400 纳米 |
涂层反射率 范围(AOI = 0°) | Ravg < 0.5% |
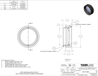
| 透镜直径 | Ø1/2" 螺纹安装座(SM05螺纹规格) (0.535"-40) SM1-螺纹接口中的"Ø1" (1.035"-40) SM2螺纹安装中的Ø2 (2.035"-40) Ø75毫米 SM3螺纹接口 (3.035"-40) |
| 直径公差 | +0.00毫米 / -0.10毫米 |
| 通光孔径 | Ø1/2" 镜片:直径大于11.05毫米 镜片直径:>22.86毫米 Ø2" 镜片:直径 >45.72 毫米 直径75毫米的镜头:大于67.50毫米 |
| 设计波长 | 546纳米b |
折射率 (@546纳米) | 1.460 |
| 表面质量 | 40-20划痕-缺陷 |
| 损伤阈值c | 5焦耳/平方厘米2(355纳米,10纳秒,10赫兹,直径0.350毫米) |
表面平整度 普莱诺侧 | 半波长 |
球面光焦度d 凸面 | 3倍波长除以2 |
表面不规则 峰谷 | 四分之一波长 |
| 集中 | ≤3角分 |
| 焦距公差 | ±1% |
- 点击链接查看基底的详细规格
- LA4052-UV-ML、LA4306-UV-ML、LA4148-UV-ML、LA4725-UV-ML和LA4380-UV-ML的设计波长为587.6纳米。
- 受到增透膜限制。
- 类似于平面光学元件的表面平整度,光圈数(surface power)为球面光学元件的表面相对校准基准的偏差度,除非另有说明,一般是针对588 nm光源。此参数也常称为曲面拟合。
这种高性能的多层增透膜在指定波长范围上平均反射率小于0.5%(每个表面),且在0°到30°的入射角(AOI)时具有良好性能。图2.2给出了本页出售的透镜上UV镀膜的详细增透膜曲线。
点击放大
点击这里原始数据
图2.2:上图为入射光法线入射时,紫外熔融石英基底上的UV增透膜的反射率曲线。蓝色阴影区域表示可获得最佳性能的245 - 400 nm指定波长范围。
点击放大
点击这里原始数据
图2.1:该透过率曲线为一块10 mm厚、未镀膜的紫外熔融石英样品在入射光法线入射时的透过率曲线。请注意,这是测量的透过率,包括了表面反射。
| UVFS平面凸透镜选型指南 |
|---|
| 未安装的镜头 | 安装式镜头 |
| 未涂层的 | 未涂层的 |
| 紫外线涂层(245 - 400 纳米) | 紫外线涂层(245 - 400 纳米) |
| 涂层(350 - 700 纳米) | 涂层(350 - 700 纳米) |
| -AB涂层(400 - 1100纳米) | -AB涂层(400 - 1100纳米) |
| T1 纹理表面(400 - 1100 纳米) | T1 纹理表面(400 - 1100 纳米) |
| B涂层(650 - 1050 纳米) | B涂层(650 - 1050 纳米) |
| -C 涂层(1050 - 1700 纳米) | -C 涂层(1050 - 1700 纳米) |
| YAG 增透膜(532/1064 纳米) | YAG增透膜(532/1064纳米) |
| -405 纳米镀膜(405纳米) | - |
| -532 增透膜(532 纳米) | - |
| -1064纳米增透膜(针对1064纳米波长) | - |
| -1550纳米增透膜(1550纳米波长) | - |
本页出售的透镜可选择镀宽带增透膜的版本,它们的反射率曲线见图2.3。
这些高性能的多层增透膜在指定波长范围内平均反射率小于0.5%(每面),并且在0°至30° (0.5 NA)的入射角范围内提供良好性能。图2.3为该系列标准镀膜随波长变化的性能曲线。宽带镀膜的典型吸收率为0.25%,反射率曲线图中没有显示。

图2.3:Thorlabs标准宽带增透膜(8° AOI)的反射率曲线图。

联系电话 : 0755-83317774 移动电话 : 18938648240 Email : 1605935956@qq.com QQ : 1605935956