Thorlabs索雷博 LA1612-C 平凸透镜
特性
- 材质:N-BK7
- 宽带增透镀膜波长范围:1050 - 1700 nm
- 焦距长度从4到2500 mm
这些平凸透镜都是用符合RoHS标准的BK7玻璃(N-BK7)制成,它们镀有增透膜,用于1050 - 1700 nm的波长范围。如果不一定需要紫外熔融石英的优势(即在紫外区域有很好的透过率和较低的热膨胀系数),一般都会选择N-BK7。它们具有正焦距并接近最佳外形,适合无限远和有限远共轭应用。
平凸透镜将准直光束会聚在后焦点上,也可以准直点光源发出的光。为了最大程度地减少引入的球差,在聚焦准直光束时应使其入射到透镜曲面上,而在准直点光源发出的光束时应使其入射到透镜平面上。
透镜焦距可用厚透镜简化公式计算:
f= R/(n-1),
其中n是折射率,R是透镜表面曲率半径。这种透镜采用N-BK7玻璃制造,阿贝数为64.17;该值表征色散指标。
这些N-BK7平凸透镜可以选择未镀膜的型号,也可以选择五种增透膜型号的一种(-A、-AB、-B、-C或-D),增透膜可以降低光在透镜表面的反射量(每种镀膜选项请看表1.1)。在未镀膜基底的每个表面约有4%的入射光会反射,因此AR膜层的应用可改善透射率,这在弱光应用中尤为重要,且防止与多层反射相关的不良影响(如重影)。这些平凸透镜上的附加增透膜非常适合具有多个光学元件的应用。请在曲线标签中查看镀膜信息。
Thorlabs提供了固定式透镜安装座,用于安装这里所售的透镜。如要安装一些高曲率透镜,我们提供带有SM05(0.535"-40)、SM1(1.035"-40)或SM2(2.035"-40)螺纹的特厚卡环,能为卡环扳手提供多余的间隙(更多信息,请查看安装选项标签)。
| Table 1.1 N-BK7 Plano-Convex Lens Selection Guide |
|---|
| Unmounted Lenses | Mounted Lenses |
| Uncoated | Uncoated |
| -A Coating (350 - 700 nm) | -A Coating (350 - 700 nm) |
| -AB Coating (400 - 1100 nm) | -AB Coating (400 - 1100 nm) |
| -B Coating (650 - 1050 nm) | -B Coating (650 - 1050 nm) |
| -C Coating (1050 - 1700 nm) | -C Coating (1050 - 1700 nm) |
| -D Coating (1650 - 3000 nm) | - |
我们也提供定制镀膜服务
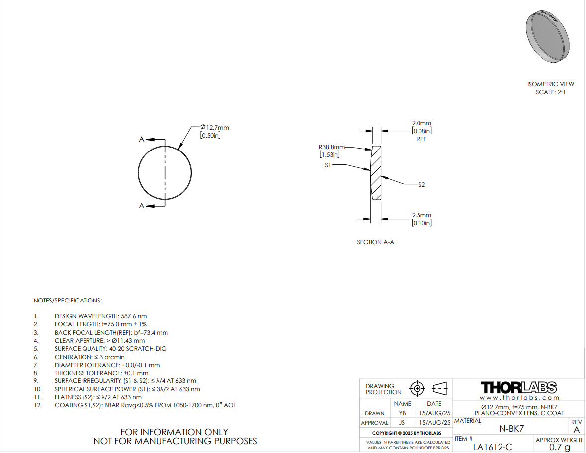
| 主要规格 |
|---|
| 直径 | 2毫米和3毫米 | 6毫米,9毫米,1/2英寸,18毫米,25毫米,1英寸,30毫米,1.5英寸,2英寸,75毫米 |
| 透镜形状 | 平凸 |
| 基底材料 | N-BK7光学玻璃A级a |
| AR镀膜范围 | 1050 - 1700纳米(-C镀膜) |
反射率b涂层表面处理 平均范围 @ 0°入射角 | < 0.5% |
| 设计波长 | 587.6纳米c |
| 折射率 | 1.515d |
| 表面平整度(平面端) | 半波长d |
球面度e 凸面 | 3λ/2d |
表面不规则 峰谷值 | 四分之一波长d |
| 表面质量 | 60-40 刮痕-麻点 | 40-20划痕-麻点 |
| 厚度公差 | ±0.03毫米 | ±0.1 毫米 |
| 直径公差 | +0.00 / -0.02 毫米 | +0.0 / -0.1 毫米 |
| 集中 | ≤5角分 | < 3角分 |
| 损伤阈值f | 7.5 焦耳每平方厘米(1542纳米,10纳秒,10赫兹,直径0.123毫米)2
|
| 阿贝数 | v = 64.17d |
| 净通光孔径 | 直径的90%以上g |
| 焦距公差 | ±1% |
- 点击链接查看关于基底的详细规格。
- 每个面
- LA1907-C、LA1541-C、LA1832-C、LA1419-C和LA1237-C透镜的设计波长为632.8纳米。
- 633纳米处
- 类似于平面光学元件的表面平整度,光圈数(surface power)为球面光学元件的表面相对校准基准的偏差,除非另有说明,一般是针对633 nm光源。此参数也常称为曲面拟合度。
- 受到增透膜限制;详情请查看损伤阈值标签
- LA1254-C、LA1258-C和LA1259-C透镜的通光孔径为直径的90%。
图2.1是符合RoHS标准的BK7,即N-BK7的透过率曲线。图中所示的是10毫米厚未镀膜样品的总透射率曲线,包含了表面的反射。每种N-BK7平凸透镜都可以订购未镀膜版本,或者镀下述宽带增透膜之一的版本:350 - 700 nm(-A膜)、400 - 1100 nm(-AB膜)、650 - 1050 nm(-B膜)、1050 - 1700 nm(-C膜)或1.65 - 3.0 µm(型号后缀为-D)。
这些高性能的多层减反射膜在整个指定波长范围内的平均反射率低于0.5%(每个表面),AB和D膜除外,它们的平均反射率< 1.0%。这些膜层提供良好的性能,用于0°和30°(0.5 NA)之间的入射角度范围。对于大角度入射的光学元件,可以考虑针对45度入射角优化的定制光学薄膜;这些薄膜可以在25°到52°的入射角下使用。图2.3中的曲线给出了该系列中的标准薄膜的性能与波长的关系。宽带薄膜的典型吸收率为0.25%,这在反射率曲线中没有显示出来。
点击放大
点击这里原始数据
图2.1:上方是正入射到表面时,10 mm厚未镀膜N-BK7样品的透过率曲线图。请注意,这是测量的透过率,包含表面反射。
点击放大
点击这里原始数据
图2.2:蓝色阴影区域代表1050 - 1700 nm波长范围内具有最佳性能。

图2.3:Thorlabs标准宽带增透膜(8° AOI)的反射率曲线图。更多有关我们增透膜的信息,请点击这里。

联系电话 : 0755-83317774 移动电话 : 18938648240 Email : 1605935956@qq.com QQ : 1605935956