Thorlabs索雷博 C230TMD-1064 模压玻璃非球面透镜
特性
- 设计用于无穷放大率的模压玻璃非球面透镜
- 聚焦或准直光时不引入球差
- 提供未安装或带无磁303不锈钢透镜外壳(刻有型号)的预安装版本
- 用于405 nm或1064 nm的增透膜
非球面透镜在聚焦或者准直时不会在透射波前中引入球差。对于单色光源,球差往往是限制单个球面透镜在聚焦或者准直时达到衍射极限性能的因素。因此,非球面透镜经常是在许多应用中使用单光学元件的最佳方案,包括对光纤或激光二极管的输出光进行准直、将光耦合到光纤中、空间滤波、或者将光束成像在探测器上。
所有这些模压玻璃透镜在两面镀有405 nm或1064 nm增透膜。其他增透膜选项请查看表1.1。
所有这些模压玻璃透镜都可以预先安装在303无磁不锈钢外壳中,外壳上刻有方便识别的产品型号。这些已安装版本带有公制螺纹,方便集成到光学装置或者OEM应用中。通过使用非球面透镜转接件,已安装非球面透镜能够直接兼容我们的SM1螺纹(1.035"-40)透镜套管。它们与显微物镜转接件延伸套管组合使用时,能够直接替换多元件显微镜物镜。
如果使用未安装非球面透镜来准直点光源或者激光二极管时,应将曲率半径较大的一面(即更平坦的一面)朝向点光源或者激光二极管。如果使用已安装非球面透镜对光束进行准直时,将外壳上带有外螺纹的一侧朝向光源。
这些透镜的损伤阈值由增透膜确定。作为指导,对于1064 nm波长,这些增透膜能够承受100 W/cm2连续波输入功率,或者10 ns脉冲时的0.1 J/cm2能量。我们使用多种光学玻璃生产模压玻璃非球面,从而达到需要的性能。模压工艺会使得这些玻璃的属性(比如阿贝数)稍微偏离玻璃生产商给出的数据。点击下方信息图标
并选择Glass标签可以查看每种透镜的特定的材料属性。

Click to Enlarge
Click for Raw Data

Click to Enlarge
Click for Raw Data
Table 1.1 Molded Glass Aspheric Lenses |
|---|
| Infinite Conjugate |
| Uncoated |
| 350 - 700 nm (-A Coating) |
| 600 - 1050 nm (-B Coating) |
| 1050 - 1700 nm (-C Coating) |
| 1.8 - 3 µm (-D Coating) |
| 3 - 5 µm (-E Coating) |
| 8 - 12 µm (-F Coating) |
| 405 nm V-Coating |
| 1064 nm V-Coating |
| Finite Conjugate |
| Uncoated |
如何选择透镜
一般使用非球面透镜将直径为1到5 mm的光束耦合到单模光纤中。下面通过一个简单的实例来说明选择正确的透镜需要考虑的主要规格。
实例:
光纤:P1-630A-FC-2
透过透镜前的准直光束:Ø3 mm
查看P1-630A-FC-2, 630 nm, FC/PC单模光纤跳线的规格知其模场直径(MFD)为4.3 μm,该规格需要满足下面方程计算出的衍射极限光斑大小:

这里,f是透镜的焦距,λ是入射光的波长,D是入射在透镜上的准直光的直径。换算求解准直透镜的焦距,得到

Thorlabs提供大量可供选择的已安装或者未安装非球面透镜。最接近16 mm的非球面透镜的焦距为15.29 mm (产品型号352260-B或A260-B)。该透镜的通光孔径也大于准直光的直径。因此,这个非球面透镜是符合以上参数要求(即P1-630A-FC-2单模光纤和3 mm准直光束直径)的最佳选择。另外,聚焦光束的光斑应该小于单模光纤的模场直径时,才能获得最佳的耦合。这样,如果没有完全匹配的非球面透镜,可以选择焦距比计算结果更小的非球面透镜。如果非球面透镜的通光孔径足够大,也可以在通过非球面透镜之前对光束进行扩束,这样可以减小聚焦光斑的大小。
非球面透镜设计公式
| Definitions of Variables |
|---|
| z | Sag (Surface Profile) as a Function of Y |
| Y | Radial Distance from Optical Axis |
| R | Radius of Curvature |
| k | Conic Constant |
| An | nth Order Aspheric Coefficient |
这些透镜的非球面可使用Y的多项式展开表示,而Y表示到光轴的距离。表面轮廓或矢高(经常简写为sag)由z表示,并通过下式给出:

其中R是曲率半径,k是圆锥常数,而An是n阶非球面系数。R的符号取决于透镜表面的曲率中心位于透镜顶点的左边还是右边;正的R说明曲率中心位于顶点的右边,而负的R说明曲率中心位于顶点的左边。比如,双凸透镜左侧表面的曲率半径将被规定为正的,而右侧表面的曲率半径将被规定为负的。
非球面透镜系数
由于透镜表面的旋转对称性,上面的多项式展开中只包含Y的偶次幂。
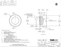
Click to Enlarge
图3.1 参考图纸

联系电话 : 0755-83317774 移动电话 : 18938648240 Email : 1605935956@qq.com QQ : 1605935956