Thorlabs索雷博 ASL2520-UV 高NA非球面透镜
特性
- 大直径平凸非球面透镜
- Ø12.5 mm、Ø25.0 mm或Ø50.0 mm
- 未镀膜或245 - 420 nm宽带增透膜选项
- CNC精密抛光确保高光学性能
- 适合高效率照明应用
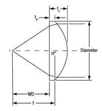
Thorlabs的精密非球面透镜采用电脑控制工艺(CNC)生产。CNC抛光产生的透镜相比模压非球面透镜具有更好的表面不规则度、表面平坦度和焦距偏差。使用CNC设备能够高性能大直径(≥ 10 mm)非球面透镜。非球面透镜的参考图纸请看图1.1。
本页销售的透镜使用紫外熔融石英生产,提供三种直径可选:Ø12.5 mm、Ø25.0 mm和Ø50.0 mm。它们具有0.65的高数值孔径(NA)和0.87的低f/#比,非常适合高效率照明应用或者准直宽谱光源、LED或类似光源。这些透镜相比我们的非球面聚光透镜提供更好的表面质量和更高的UV透过率。紫外熔融石英深入紫外也能提供高透过率,几乎为零的自发荧光性(193 nm处测量值),以及低的热膨胀系数,所以非常适合紫外到近红外应用。
Click for Details
Thorlabs还提供带SM05(0.535"-40)、SM1(1.035"-40)和SM2(2.035"-40)螺纹的超厚卡环,以便在使用扳手安装这些透镜时提供更大空隙(更多信息,请看透镜安装指南标签)。
增透膜选项
虽然未镀膜紫外熔融石英透镜提供优异的紫外性能,但是镀增透膜还能提高透过率。我们的紫外宽带增透膜(BBAR)提供在245 - 420 nm范围内每面具有小于0.5%的平均反射率。
光学性能验证
每个透镜都经过严格的检验程序。我们的计量实验室使用Zygo GPI™生成透镜光学表面的三维映射图。另外,Taylor Hobson LUPHOScan以无接触方法表征非球面表面。这些能力使我们可以比其它可能的方法更有自信地测量和保持我们产品的规格。更多信息,请看计量标签。
定制非球面透镜
Thorlabs的CNC抛光非球面透镜在我们的新泽西州牛顿总部的生产车间生产。我们的光学事业部拥有丰富的制造能力,使我们可以为OEM订单和小数量定制订单提供多种定制光学元件。我们提供定制透镜直径、焦距、基底、镀膜和安装选项,价格与库存产品相当。
其它CNC抛光非球面
Thorlabs也提供比本页所销售透镜具有更低NA、更好表面质量和更严格公差的CNC抛光紫外熔融石英非球面透镜,可选未安装和已安装版本。其它使用N-BK7或S-LAH64基底生产的CNC抛光非球面透镜提供未安装和已安装的版本。这些透镜具有多种直径和焦距可选,生产工艺和本页提到的类似。我们所有的精密非球面透镜请参考表1.3。
MRF抛光非球面
我们还提供具有最小波前误差的衍射极限MRF抛光的非球面透镜。这些透镜无球差,为许多轴向应用提供最佳的单元件解决方案。
| Table 1.2 Common Specificationsa |
|---|
| Design Wavelength | 405 nm |
| Numerical Aperture (NA)b | 0.65 |
| Diameter Tolerance | +0.00/-0.05 mm |
| Focal Length Tolerance | ±1.0% |
Surface Irregularity of Convex Surface | < 0.75 µm (RMS)
|
Surface Flatness of Plano Surface | < λ/4 at 633 nm
|
| Centration | < 3 arcmin
|
| Surface Quality | 60-40 Scratch-Dig |
| Index of Refraction (nd)c | 1.4585 |
| Abbe Number (Vd) | 67.82 ± 1.0% |
| f/#d | 0.87 |
| Substrate Material | UV Fused Silicae |
- 点击表G1.1和表G2.1中信息图标(
)查看完整规格。 - NA定义为边缘光线角度的正弦。
- nd指定在d线(587.6 nm)处。
- 等于透镜焦距除以其准直通光孔径。
- 点击链接查看详细的基底规格。
| Table 1.3 Precision Aspheric Lenses Selection Guide |
|---|
| Substrate Material | NA | Mount |
| UV Fused Silica | 0.142 - 0.145 | Unmounted |
| 0.142 - 0.145 | Mounted |
| 0.65 | Unmounted |
| N-BK7 / S-LAH64 | 0.23 - 0.61 | Unmounted |
| 0.23 - 0.55 | Mounted |
| Zinc Selenide | 0.22 - 0.67 | Unmounted |
| Acylindrical Lenses | 0.45 - 0.54 | Unmounted |
| Axicons | - | Unmounted |
Forbes非球面透镜设计公式
本页销售的透镜使用Forbes非球面透镜公式设计。传统的非球面透镜公式无法有效地归一化,而且要求对透镜表面进行合理的近似;这种多项式方程组不是正交的,也就是说,每一项会互相影响,多项式总阶数会影响多项式组的每个系数。Forbes非球面透镜公式如图1所示,它解决上述问题的方法是引入一组叫做Q多项式的新基函数,而这个多项式基于Jacobi变换多项式。Q多项式是一组描述旋转对称非球面形状的正交多项式。现在系数是归一化的,而且表面形状的影响幅度只反映在系数中。图2.1中包含前五个Q多项式方程的定义。
- 正半径表示曲率中心在透镜的右侧。
- 负半径表示曲率中心在透镜的左侧。
Click to Enlarge
图2.2 参考图纸
图2.1 Forbes非球面透镜方程
| Definitions of Variables |
|---|
| z | Sag (Surface Profile) |
| R | Radius of Curvature (mm) |
| k | Conic Constant |
| u | Normalized Aperture |
| ρmax | Maximum Semi-Aperture |
| Qconm | Shifted Jacobi Polynomials |
| am | mth Order Aspheric Coefficient |
点击表G1.1和表G2.1中的信息图标(
)或者查看每个透镜的pdf和dxf文件都可得到这些常数的目标值。

联系电话 : 0755-83317774 移动电话 : 18938648240 Email : 1605935956@qq.com QQ : 1605935956