HIKROBOT 海康机器人 MVGL-AC082L-100CM 工业线阵相机
功能特性
丰富的ISP处理技术,支持手动调节Gamma校正、平场校正、LUT、黑电平调节等
多种灵活的曝光和采集方式,支持2-TDI,最高行频100 kHz
支持ROI提行频(单线模式最高200 kHz)
支持双向I/O,输入/输出可灵活配置
结构设计紧凑,正面板和侧面板均有安装孔,可进行灵活安装
兼容Camera Link协议及GenICam标准
订货型号
MVGL-AC082L-100CM
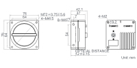
外形尺寸

*产品所涉数据可能因环境等因素而产生差异,本公司不承担由此产生的后果。
| 型号 | 型号 | MVGL-AC082L-100CM |
| 名称 | 8192 像素 TDI Camera Link 黑白工业线阵相机 |
| 性能 | 传感器类型 | CMOS |
| 像元尺寸 | 7 μm |
| 分辨率 | 8192 × 2 |
| 成像模式 | 支持1-Line/2-TDI |
| 最大行频 | 20 kHz(Base),40 kHz(Medium),80 kHz(Full),100 kHz(80-bit) |
| 配置模式 | Base,Medium,Full,80-bit |
| 通道模式 | 1 × 2,1 × 4,1 × 8,1×10 |
| 通道数 | 2/4/8/10 Taps |
| 像素时钟 | 40 MHz,66 MHz,80 MHz,85 MHz |
| 动态范围 | 63.4 dB |
| 信噪比 | 40.8 dB |
| 增益 | 1.0 x |
| 曝光时间 | 3 μs ~ 10 ms |
| 快门模式 | 支持自动曝光、手动曝光、一键曝光; 支持固定曝光时间、脉冲宽度控制曝光时间 |
| 黑白/彩色 | 黑白 |
| 像素格式 | Mono 8/10/12 |
| Binning | 支持1 × 1,2 × 2,4 × 4 |
| 镜像 | 支持水平镜像 |
| 触发模式 | 外触发,内触发 |
| 外触发模式 | 行触发,帧触发,行+帧触发 |
| 电气特性 | 数据接口 | Camera Link(SDR接口);支持USB口进行固件升级 |
| 数字I/O | 12-pin P10接头提供供电和I/O:4路双向可支配I/O(Line 0/1/3/4),支持差分和单端IO信号;Camera Link提供IO(CC1/CC2/CC3/CC4) |
| 供电 | 12 ~ 24 VDC |
| 典型功耗 | 9.8 W@12 VDC |
| 结构 | 镜头接口 | M72*0.75,法兰后焦12 mm;可通过转接环转接至F口镜头 |
| 外形尺寸 | 76 mm × 76 mm × 42.1 mm
|
| 重量 | 约320 g |
| IP防护等级 | IP40(正确安装镜头以及线缆的情况下) |
| 温度 | 工作温度-20~55°C,储藏温度-30~80°C |
| 湿度 | 5%~90% RH无冷凝 |
| 一般规范 | 软件 | MVS及符合Camera Link协议的采集卡控制软件 |
| 操作系统 | Windows 7/10/11 32/64bits |
| 协议/标准 | Camera Link V1.2,GenICam |
| 认证 | CE,RoHS2.0,KC |
联系电话 : 0755-83317774 移动电话 : 18938648240 Email : 1605935956@qq.com QQ : 1605935956