Thorlabs索雷博 ITL200 套筒透镜
特性
- 适合宽场成像的套筒透镜
- 真实成像透镜,用于形成矫正良好的无限远光学系统
- 复消色差矫正,在整个视场上实现衍射极限性能
- 与标准消色差透镜相比,具有更好的整体像差矫正功能
- 焦距有200 mm、180 mm、165 mm或100 mm可选
- 适合激光扫描和宽场成像的远心套筒透镜
- 无限远矫正设计
- 与SL50扫描透镜组合形成远心系统
- 焦距有600 mm、400 mm、300 mm或200 mm
- 增透膜在紫外、可见光和近红外波段都有高透过率
- 兼容Thorlabs、Nikon、Leica、Mitutoyo、Olympus和Zeiss显微镜
- 衍射极限光学性能
这些无限远矫正套筒透镜设计和各大物镜生产商的无限远矫正物镜一起使用,包括Thorlabs的干、油浸和生理学显微物镜。这些透镜设计用于高分辨成像、生物医学、机器视觉和激光扫描应用,可以用两个套筒透镜构成中继成像、可以和一个物镜在科研相机上形成不同的有效放大倍率、可以直接替换现有系统中的套筒透镜、可以集成在DIY Cerna®显微镜和其它自搭建的显微镜中生成高质量图像。
标准宽场套筒透镜
我们的宽场套筒透镜通过镀AR膜,可在紫外、可见光和近红外波段内提供衍射极限轴向消色差性能;性能数据请查看规格标签。它们的有效焦距匹配常用物镜的设计焦距(详情请看放大率&视场标签)。与ITL200套筒透镜相比,TTL200系列套筒透镜特别设计用于提供更宽的衍射极限轴向消色差范围。规格标签中可以查看所有透镜的规格和下载除ITL200之外所有透镜的Zemax暗箱文件。
远心套筒透镜,用于激光扫描和宽场成像
我们的激光扫描套筒透镜最适合激光扫描应用,比如共聚焦激光扫描、双光子显微镜和三光子显微镜。这些透镜可以和我们的SL50-CLS2、SL50-2P2和SL50-3P扫描透镜组成远心系统,通过振镜逐点扫描物平面。这些透镜也可在指定的波长范围内进行宽场成像。
我们的标准宽场套筒透镜与CLS-SL可见光扫描透镜等配合使用时也可用于激光扫描。不过,在扫描配置中使用标准套筒透镜将会限制无渐晕效果的视场尺寸,因为套筒透镜必须放在物镜的远心瞳距位置(比如,对于TTL200为250 mm),而不是套筒透镜的本身的瞳距。
显微镜和物镜兼容性
显微镜制造商使用不同的标准套筒透镜焦距设计系统,包括200 mm(Thorlabs、Nikon、Leica和Mitutoyo显微镜)、180 mm(Olympus显微镜)以及165 mm(Zeiss显微镜)。显微物镜与正确标准焦距的套筒透镜一起使用时才能提供外壳上标注的放大率。我们提供的无限远矫正套筒透镜包含所有这些焦距,使得自搭建显微镜可以使用这些行业标准。
另外,设计焦距不同的物镜和套筒透镜可以组合,在相机上得到不同的放大率,且不牺牲轴向色差矫正能力。我们提供四种非标准焦距的套筒透镜,可以改变已有系统的放大倍率。如需计算使用不同套筒透镜物镜组合的系统放大率,请查看放大率&视场标签。

| ube Lens Options |
|---|
| Tube Lens Type | Effective Focal Length | Available Wavelength Ranges |
| Widefield | 200 mm | UV |
| Visible |
| Visible and NIR |
| NIR |
| 180 mm | Visible |
| 165 mm |
| 100 mm |
| Laser Scanning and Widefield | 600 mm | Visible |
| 400 mm |
| 300 mm |
| 200 mm | Visible |
| Visible and NIR |
| NIR |
| Table 2.1 Specifications |
|---|
| Item # | TTL200-UVB | TTL200 | TTL200-A | TTL200-S8 | TTL200-B | ITL200 | TTL180-A | TTL165-A | TTL100-A |
|---|
| Effective Focal Length | 200 mm ± 1% | 200 mm ± 1% | 200 mm | 180 mm ± 1% | 165 mm ± 1% | 100 mm ± 1% |
| Working Distancea,b | 176.4 mm | 148.6 mm | 151.8 mm | 148 mm | 133.5 mm | 120.6 mm | 63.1 mm |
| Pupil Distancec | 50 - 80 mmd | 70 - 170 mm | 70 - 170 mm | 50 - 150 mm | 50 - 150 mm | 0 - 100 mm |
| Field Size at Image Plane | Ø24 mm | Ø22 mme | Not Available | Ø22 mme | Ø22 mme | Ø15 mme |
| Entrance Pupil | Ø13 mm (Max)d | Ø20 mm | Ø22 mm | Not Available | Ø18 mm | Ø16 mm | Ø14 mm |
| Lens Design | Apochromatic | Apochromatic | Apochromatic | Apochromatic | Apochromatic | Apochromatic |
| Design Wavelength Rangeb | 248 - 700 nm | 400 - 750 nm | 400 - 750 nm | 400 - 2000 nm | 650 - 1050 nm | Visible Wavelengths | 400 - 750 nm | 400 - 750 nm | 450 - 750 nm |
| AR Coating Range | 240 - 360 nm | 350 - 700 nm | Broadband Single-Layer MgF2 Coating | 650 - 1050 nm | Visible Wavelengths | 350 - 700 nm | 350 - 700 nm | 350 - 700 nm |
| Axial Color | Diffraction Limited | Diffraction Limited | Not Available | Diffraction Limited
|
| Resolution | Diffraction Limitedf | Diffraction Limitedf | Not Available | Diffraction Limitedf |
| Surface Quality | 20-10 Scratch-Dig | 60-40 Scratch-Dig | Not Available | 60-40 Scratch-Dig |
| External Threading | M32 x 0.5 (Top) SM1.5 (Top and Bottom) | M38 x 0.5 Bottom Only | SM2 Top and Bottom | M38 x 0.5 Bottom Only | SM2 Top and Bottom | SM2 Top and Bottom | SM2 Top and Bottom |
| Housing Length | 49.5 mm | 28.0 mm | 28.0 mm | 31.1 mm | 30.9 mm | 33.5 mm |
| Performance Data (Click for Graph) |
| Transmission | |  | |  |  |  | |  |
| Axial Color | |  400 - 800 nm | 650 - 1100 nm | 1000 - 2000 nm |
| Not Available | | | |
| RMS Wavefront Error |  | | Not Available |  | |  |
| MTF | | | Not Available |  | | |
| Distortion |  |  | Not Available | |  |  |
| Data | Excel Spreadsheet | Excel Spreadsheet | Excel Spreadsheet | Excel Spreadsheet | Excel Spreadsheet | Excel Spreadsheet |
| Zemax Black Box Files | Forward Backward | Forward Backward | Forward Backward | Forward Backward | Forward Backward | Not Available | Forward Backward | Forward Backward | Forward Backward |
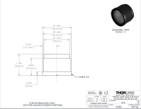
- 从外壳上边缘到像平面测量(见图2.2)。
- TTL系列透镜在240 nm到700 nm(TTL200-UVB)或在400 nm到2000 nm(所有其他TTL系列透镜)提供衍射极限性能;但是,工作距离仅在指定的设计波长范围有效。在其它波长使用时,透镜需要重新聚焦。在新的中心波长处重新聚焦后,能够在中心波长两边有限的带宽范围提供衍射极限性能。可用Zemax黑盒文件估算标称带宽、工作距离和性能。调整工作距离时可用轴向色差曲线和性能数据作为参考。
- 这是透镜套筒与物镜入射光瞳之间的最佳距离(见图2.2)。
- 当使用带较小入瞳的物镜时,可以增加套筒透镜与物镜之间的距离。例如,使用光瞳直径为7 mm的TTL200-UVB在50至130 mm的瞳距下可以实现衍射极限性能。
- 只要透镜聚焦在目标波长处,即可提供这一直径范围内的无晕场,其中目标波长可以是设计波长下限至高达2000 nm的任意波长。作为参考,Ø22 mm视场足够填满4/3英寸制式的相机传感器。
- 适合用于像素尺寸最小2 µm的相机。
Click To Enlarge
图2.2 TTL系列和ITL200系列套筒透镜的工作距离和瞳距示意图。工作距离是指外壳上表面到像平面的距离。瞳距定义为套筒透镜外壳下边缘到物镜入射光瞳的距离,可设置在上表指定范围内的任意位置,因为物镜输出的是平行光束。如果套筒透镜太近太远,图像可能产生像差。
插入TTL200和ITL200套筒透镜时,应该用M38 x 0.5螺纹端面向物镜,而所有其他标准宽场套筒透镜均在无限符号(∞)旁刻有箭头,指出透镜哪侧需要面向物镜(无限空间),如图2.2所示。

联系电话 : 0755-83317774 移动电话 : 18938648240 Email : 1605935956@qq.com QQ : 1605935956