Thorlabs索雷博 LA4936-1064 紫外熔融石英平凸球透镜
特性
- 材质:紫外级熔融石英
- V形增透膜:1064 nm处反射率< 0.25%
- 非常适合用于Nd:YAG激光器
- 焦距范围从15 mm到2500 mm
此页面的Thorlabs紫外级熔融石英平凸透镜两面镀有V形增透膜,在1064 nm处的反射率小于0.25%。透镜包含直径1/2英寸或1英寸版本,兼容多种Thorlabs的透镜安装座和调整架,详情请看安装选项标签。
UV级熔融石英具有更高的深紫外光透过率,几乎不会产生激光诱导荧光(在193 nm下测得),因此非常适合紫外到近红外的应用。此外,与N-BK7相比,UV熔融石英的均匀度更好,热膨胀系数更低。
这些镀V形膜透镜的每个面在1064 nm处的反射率小于0.25%,使其非常适用于Nd:YAG激光器,以及需要多光学元件的复杂系统。与我们的532/1064 nm V形膜平凸透镜相比,这些透镜提供了改良的表面质量和损伤阈值;详细信息请查看表1.1和损伤阈值标签。
V形膜是一种多层介质薄膜,在较窄的波长范围内反射率小于0.25%。在最低反射率两侧,反射率明显上升,因此反射率曲线呈“V”形(请查看曲线图标签了解性能详情)。未镀膜基底的每个表面大约会反射4%的入射光,而使用V形增透膜可改善透过率,这在弱光应用中尤为重要,可防止多重反射的不良影响(如重影)。与宽带增透膜相比,V形介质膜在更窄的带宽和入射角范围内能够实现更低的反射率。
平凸透镜具有正焦距,是应用最广泛的透镜元件。它们一般用来会聚准直入射光束;在这种情况下,为了减小球差,准直光束一般要入射在透镜的曲面。如果成像质量不是特别重要,那么平凸透镜也可以代替消色差胶合透镜使用。
虽然平凸透镜和双凸透镜都可以会聚准直入射光,但在选择时,如果想要获得低于0.2或大于5的绝对放大率,通常倾向于使用平凸透镜。当需要的放大率介于0.2和5之间时,则使用双凸透镜比较适合。
Thorlabs提供固定式透镜安装座,用于安装这里出售的透镜。如要安装高曲率透镜,我们也提供带SM05(0.535"-40)或SM1(1.035"-40)螺纹的特厚卡环,能够为卡环扳手提供额外的空隙(更多信息,请看安装选项标签)。
我们也提供用于保存这些透镜的光学元件存储箱。
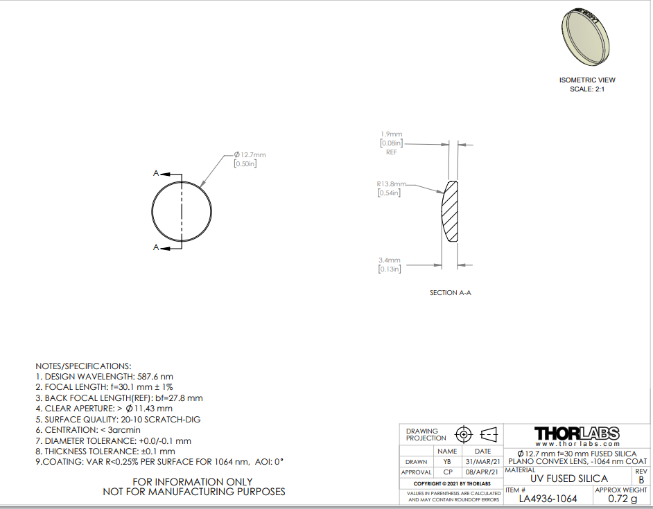
| Table 1.1 Common Specifications |
|---|
| Lens Shape | Plano-Convex |
| Substrate Material | UV-Grade Fused Silicaa |
| AR V-Coating | 1064 nm |
Reflectance at 1064 nm (AOI = 0°) | < 0.25% per Surface
|
| Diameters Available | 1/2" or 1" |
| Diameter Tolerance | +0.00 mm / -0.1 mm |
| Thickness Tolerance | ±0.1 mm |
| Design Wavelength | 587.6 nm |
Index of Refraction
| 1.458 @ 587.6 nm |
| Surface Quality | 20-10 Scratch-Dig |
Surface Flatness (Plano Side)b | λ/2 |
Spherical Surface Power (Convex Side)b,c | 3λ/2 |
Surface Irregularity (Peak to Valley)b | λ/4 |
| Pulsed Damage Thresholdd | 10 J/cm2 (1064 nm, 10 ns, 10 Hz, Ø0.446 mm) |
| Centration | < 3 arcmin |
| Abbe Number | 67.82 |
| Clear Aperture | >90% of Diameter |
| Focal Length Tolerance | ±1% |
- 点击链接查看详细的基底规格。
- 633 nm处测得
- 类似于平面光学元件的表面平整度,光圈数(surface power)为球面光学元件的表面相对校准基准的偏差度。此参数也常称为曲面拟合。
- 受增透膜的限制;详情请查看损伤阈值标签。
图2.1为入射光垂直于10 mm厚未镀膜UV熔融石英样品表面时的透过率曲线图,包含表面反射。此网页中的可选透镜具有Thorlabs的-1064 V形增透膜,与同等的未镀膜透镜相比,前者提高了1064 nm处的透过率。要查看我们未镀膜的紫外熔融石英透镜,请点击这里。

Click to Enlarge
Click Here for Raw Data
图2.1:上方是入射光正入射到表面时,10 mm厚未镀膜UV熔融石英样品的透过率曲线图。
请注意,这是测量的透过率,包含表面反射。
V形膜:
V形膜是一种多层的增透介质薄膜,在较窄的波长范围内反射率很小。在这个最低反射率两侧,反射率明显上升,因此反射率曲线呈"V"形,如图2.2和2.3所示。Thorlabs的V形膜在每个表面的最低反射率小于0.25%,适合0° - 20°之间的入射角(AOI)。与宽带增透膜相比,V形介质膜在更窄的带宽和指定的AOI内能够实现更低的反射率。点击这里查看原始数据。
Click to Enlarge
图2.2:1064 nm V形膜反射率(AOI: 0 - 20°)
Click to Enlarge
图2.3:这是图2.2中阴影区域的放大图,详细展示了1064 nm附近V膜反射率。
其他增透膜
Thorlabs提供紫外级熔融石英透镜,带V形膜:
- -405 V-Coating (405 nm)
- -YAG V-Coating (532/1064 nm)
- -532 V-Coating (532 nm)
- -1064 V-Coating (1064 nm)
- -1550 V-Coating (1550 nm)
Thorlabs还提供用于紫外、可见或近红外(如图2.4所示)的宽带增透膜。点击这里查看我们完整的紫外级熔融石英平凸透镜的所有镀膜选项。

图2.4:Thorlabs标准宽带增透膜(8° AOI)的反射率曲线图。

联系电话 : 0755-83317774 移动电话 : 18938648240 Email : 1605935956@qq.com QQ : 1605935956