Thorlabs索雷博    LB1450-B-ML   双凸透镜
特性
- 材料:N-BK7
- 增透膜范围650 - 1050 nm
- 可选尺寸:Ø1/2英寸和Ø1英寸
- 焦距范围15.0 mm至1.0 m
- 非常适合许多有限远成像应用
- 安装在兼容SM螺纹的透镜外壳内
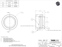
Thorlabs已安装的B膜N-BK7双凸透镜由N-BK7制成,两个面上镀增透膜,增透膜范围为650 - 1050 nm。N-BK7可能是高质量光学组件最常用的光学玻璃。通常在没有必要利用紫外熔石英的额外优点(即,在深紫外波段良好透光,且具有较低的热膨胀系数) 时选用它。这些Ø1/2英寸和Ø1英寸透镜分别安装在兼容SM05螺纹(0.535"-40)和SM1(1.035"-40)螺纹的外壳内。
双凸透镜很适合用于许多有限远成像应用。这种透镜最适合用于这种情况:即,物和像位于透镜两个相反侧,且物距和像距之比(共轭比)介于0.2与5之间。
虽然本页介绍了我们的B膜(650 - 1050 nm)双凸透镜,但是这些透镜也可以提供未镀膜或者两面镀增透膜的版本,其中增透膜可选-A膜(350 - 700 nm)或 -C膜(1050 - 1700 nm) ,它们用来减少反射光。表1.2中可以找到这些页面各自的链接。镀膜详情请看曲线标签。
 我们也提供透镜套件。点击这里查看相关信息。
| Table 1.2  Bi-Convex Lens Selection Guide | 
|---|
| N-BK7 | Uncoated-A (350 - 700 nm)
 -AB (400 - 1100 nm)
 -B (650 - 1050 nm)-C (1050 - 1700 nm)
 | 
| Mounted N-BK7 | Uncoated-A (350 - 700 nm)
 -B (650 - 1050 nm)-C (1050 - 1700 nm)
 | 
| UV Fused Silica | Uncoated-UV (245 - 400 nm)
 -A (350 - 700 nm)
 -AB (400 - 1100 nm)
 -B (650 - 1050 nm)
 -C (1050 - 1700 nm)-532 V-Coating (532 nm)
 -YAG (532 / 1064 nm)
 -1064 V-Coating (1064 nm)
 -1550 V-Coating (1550 nm)
 | 
| CaF2 | Uncoated -E1 (2 - 5 µm) | 
| ZnSe | -E3 (7 - 12 µm) | 
镀膜也可以定制。
| Table 1.1  N-BK7 Bi-Convex Spherical Singlets | 
|---|
| Lens Shape | Convex/Convex | 
| Material | N-BK7 (Grade A) | 
| AR Coating Wavelength Rangea
 | 650 - 1050 nm | 
| AR Coating Reflectance | Ravg < 0.5% | 
| Design Wavelength | 587.6 nm | 
| Index of Refraction | 1.517 (@ 587.6 nm) | 
| Surface Quality | 40-20 Scratch-Dig | 
| Spherical Surface Powerb | 3λ/2 | 
| Surface Irregularityb | λ/4 | 
| Damage Thresholdc | 7.5 J/cm2 (810 nm, 10 ns, 10 Hz, Ø0.144 mm) | 
| Abbe Number | Vd = 64.17 | 
| Centration | ≤3 arcmin | 
| Clear Aperture | Ø1/2" lenses: >Ø11.04 mm Ø1" lenses: >Ø22.86 mm
 | 
| Diameter Tolerance | +0.00 mm / -0.10 mm | 
| Focal Length Tolerance | ±1% | 
- 我们也提供未镀膜及镀增透膜-A膜(350 - 700 nm)、-AB膜(400 - 1100 nm)或-C膜(1050 - 1700 nm)版本。
- λ = 633 nm
- 受到增透膜限制
图2.1是N-BK7(符合RoHS标准形式的BK7)的透过率曲线。图中给出了10毫米厚的未镀膜样品的总体透过率曲线,包含了表面反射。通过增透膜可以减少表面反射,从而可以获得材料的内部透射率。每种N- BK7双凸透镜都可定购未镀膜或镀下列宽带增透膜之一的版本:350 - 700 nm(指定为-A膜),650-1050 nm(指定为-B膜,下有售)或1050 - 1700 nm(指定为-C膜)。
这些高性能的多层增透膜,在指定波长范围内的平均反射率小于0.5%(每个表面)。这些增透膜是专为0到30度的入射角(数值孔径0.5)而设计的。对于那些用于更大入射角度的光学元件,可以考虑定制专为45度入射角优化的薄膜;这些膜推荐用于25度到52度的入射角。下图所示为这个系列的标准增透膜的性能与波长的函数关系。宽带膜的典型吸收为0.25%,这一点在反射率曲线中并没有体现。
 Click to Enlarge
Click to Enlarge
Click Here for Raw Data
图2.1 符合RoHS标准的BK7的透过率曲线。10毫米厚的未镀膜样品的总体透过率曲线,包含了表面反射
 Click to Enlarge
Click to Enlarge
Click Here for Raw Data
图2.2 蓝色阴影区域表示可实现最佳性能的650 - 1050 nm指定波长范围。


联系电话 : 0755-83317774  移动电话 : 18938648240 Email : 1605935956@qq.com QQ : 1605935956