Thorlabs索雷博 AC127-075-B-ML 消色差双胶合透镜
特性
- 650到1050 nm波长的增透膜
- Ø5 mm、Ø6 mm、Ø6.35 mm、Ø8 mm、Ø1/2英寸、Ø1英寸或Ø2英寸已安装的可见光消色差双胶合正透镜
- 刻有螺纹的外壳易于集成到Thorlabs的光机系统中
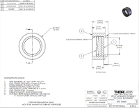
- Ø1/2英寸以上的透镜外壳刻有焦距和镀膜信息
- 可选焦距长度为:7.5 mm到1000 mm
Thorlabs畅销的近红外消色差胶合透镜现在有了预安装在刻有螺纹的安装座上的版本,便于将这些光学元件集成到您的装置中。它们具有7种可选直径:Ø5 mm、Ø6 mm、Ø6.35 mm、Ø8 mm、Ø1/2英寸、Ø1英寸或Ø2英寸。请查看我们的近红外消色差双胶合透镜,购买这些透镜的未安装版本。
安装1/2英寸以上透镜的安装座上清晰地刻有部件号、焦距和表面镀有的增透膜等信息。所刻箭头从透镜曲率半径较大的一侧(较平侧)指向曲率半径较小的一侧,并指示准直点源的推荐光传播方向。如果聚焦准直光束,所刻箭头应指向与光传播相反的方向。无穷大符号表示这个透镜具有无限的共轭比(即,如果发散光源放置在距离平的透镜表面一个焦距的位置时,从弯曲表面出来的光束将是准直光束)。小于Ø1/2英寸的安装座则只刻有部件号。
这些消色差双胶合透镜设计用于近红外光谱范围(650 - 1050 nm),针对无穷共轭比进行了优化。其设计波长为706.5 nm、855.0 nm和1015 nm。对于波长范围小于410 nm的应用,Thorlabs的空气间隔紫外双胶合透镜提供低至240 nm的优良性能。
消色差双胶合透镜可以有效地控制色差,常被用于在使用诸如激光等的单色光源时实现衍射极限的光斑。请参考上方的应用标签,了解关于消色差双胶合透镜与单透镜相比的优越性。
在表G1.1到G5.1中,正的曲率半径表示透镜如参考图中朝向时表面向右张开,负的曲率半径则对应表示表面朝左张开。正透镜和负透镜都具有无穷共轭比(即,如果发散光源放 置在距离平的透镜表面一个焦距的位置时,从弯曲表面出来的光束将是准直光束)。
为了实现最佳性能,透镜上曲率半径较大的(较为平坦的)一侧应不朝向被准直的光束。请参看表G1.1到G5.1参考图连接下方的图示了解细节。
定制消色差透镜
Thorlabs的光学事业部拥有出色的制造能力,使我们能同时为OEM及小批量订单提供多种定制光学元件。可以定制尺寸、焦距、基底材料、胶合材料和镀膜的消色差光学元件。此外,我们提供比库存产品规格更好的光学元件。关于定制下单的更多信息或者咨询,请联系技术支持。
Click to Enlarge
点击这里获取数据
| General Specifications |
|---|
| Design Wavelengths | 706.5 nm, 855 nm, and 1015 nm |
| AR Coating Range | 650 - 1050 nm |
Reflectance Over AR Coating Range (0° AOI) | Ravg < 0.5% |
| Diameters Available | 5 mm, 6 mm, 6.35 mm, 8 mm, 1/2", 1", and 2" |
| Diameter Tolerance | +0.00 / -0.10 mma,b |
| Focal Length Tolerance | ±1% |
| Surface Quality | 40-20 Scratch-Dig |
| Spherical Surface Powerc | 3λ/2 |
Spherical Surface Irregularity (Peak to Valley) | λ/4 at 632.8 nm |
| Centration | < 3 arcmind |
| Clear Aperture | >90% of Diameter |
| Damage Thresholde | Pulse | 5 J/cm2 (810 nm, 10 ns pulse, 10 Hz, 0.155 mm) |
| CWf | 1000 W/cm (1070 nm, Ø0.971 mm) |
| Operating Temperature | -40 °C to +85 °C |
- AC254-080-B-ML和AC254-125-B-ML的此规格为+0.00/-0.1 mm。
- ACT508-200-B-ML、ACT508-250-B-ML、ACT508-300-B-ML、ACT508-400-B-ML、ACT508-500-B-ML、ACT508-750-B-ML和ACT508-1000-B-ML的此规格为+0.0/-0.1 mm。
- 与平面光学元件的表面平整度很类似,球面光圈数是衡量曲面光学元件表面与已校准的参考标准件之间差异的参数,除特殊说明外,通常照明光源为633 nm。该规格还通常被称为曲面拟合度。
- Ø6.35 mm以下的透镜,以及AC080-010-B-ML、AC080-016-B-ML和AC-080-020-B-ML的中心度≤3 arcmin。
- 胶合的消色差双胶合透镜的损伤阈值受到胶合剂限制。对于需要更高损伤阈值的应用,请考虑我们的空气间隔双胶合透镜。
- 光束的功率密度应以W/cm为单位计算。关于为何线性功率密度是长脉冲和连续光的最佳量度,请查看损伤阈值标签。
| Mounted Achromat Diameter | Mounting Threads |
|---|
| Ø5 mm, Ø6 mm, or Ø6.35 mm | M9 x 0.5 |
| Ø8 mm | M12 x 0.5 |
| Ø1/2" | SM05 (0.535"-40) |
| Ø1" | SM1 (1.035"-40) |
| Ø2" | SM2 (2.035"-40) |
| Achromatic Doublets Selection Guide |
|---|
| Unmounted Lenses | Mounted Lenses |
| Visible (400 - 700 nm) | Visible (400 - 700 nm) |
| Extended Visible (400 - 1100 nm) | Extended Visible (400 - 1100 nm) |
| Near IR (650 - 1050 nm) | Near IR (650 - 1050 nm) |
| IR (1050 - 1700 nm) | IR (1050 - 1700 nm) |
| Achromatic Doublet Kits |
每种消色差双胶合透镜的详细信息,都能够在它的支持文档中的Zemax®文件中找到。下面是应用Zemax®文件进行性能检测的一些例子。
焦距和波长的关系
Thorlabs的消色差双胶合透镜经优化,在较宽带宽范围上提供几乎不变的焦距。这是通过利用多重元件的设计,尽可能减少透镜色差来实现的。双胶合透镜的第一个(负透镜)元件的色散由第二个(正透镜)元件校正,导致宽带性能比球面单合透镜或非球面透镜更好。图2.1为AC254-200-B双胶合透镜的随波长变化的近轴焦点移动,该双胶合透镜是焦距200 mm、Ø24.5 mm的消色差双胶合透镜,镀有增透膜,增透膜范围是650至1050 nm。

Click to Enlarge
图2.1:AC254-400-A消色差双胶合透镜随波长变化的近轴焦移
波前误差和光斑尺寸
球面双胶合透镜可对多种像差进行矫正。一种表征像差校正的理论水平的方法是通过波前误差和光线追踪来确定光斑尺寸。例如,图2.2中像平面的波前,给出了利用AC254-125-C透镜的矫正后的像差矫正信息。在本例中,理论波前误差在3/100波长的量级。这告诉我们,对于光线阵列经过透镜中心和整个透镜区域的情况,光程差是非常小的。
图2.3中给出了光线追踪得到的AC254-250-C透镜像面上光斑尺寸。在这个近红外消色差双胶合透镜中,利用三个设计波长(706.5 nm、855 nm和1015 nm)对其进行了追迹,分别以不同的颜色表示。图中的光线交点轨迹周围的圆环代表了艾里斑的直径。如果光斑尺寸在艾里斑范围内,一般认为透镜性能是接近衍射极限的。光斑尺寸是由光线追踪光线绘制的,由于衍射的限制,不可能得到比艾里斑小很多的光斑。

Click to Enlarge
图2.2:AC254-125-C像平面的波前

Click to Enlarge
图2.3:AC254-250-C像平面上光斑尺寸追迹
理解调制传递函数,MTF
调制传递函数图像质量是透镜的重要特征。通常是通过对比度来衡量它。调制传递函数曲线经常被作为理论和实际通用的图像质量评判标准。透镜的传递函数描述了透镜传输不同分辨率水平图像的对比度的能力。一般情况下,通过对不同间距的黑白条纹组成的分辨率目标进行成像,就能够测量对比度。100%的对比度是由纯黑和纯白的线条组成。随着对比度的下降,线条分界开始变得模糊。光学传递函数曲线给出了对比度百分比随着线条间距的减少而产生的变化。物体的线条间距通常代表空间频率,单位为线/毫米。
Zemax®所计算的MTF曲线通常呈现的是加权平均结果,其中包含来自多个波长的值,此曲线被称为多色MTF曲线。由于较短和较长波长都具有不同的分辨率限制,因此具有不同的单个MTF曲线,根据曲线计算中包含的波长,可能会产生不同数量的多色MTF曲线。
Click to Enlarge
图2.4:AC254-200-B的理论调制传递函数
图中给出了我们的直径为Ø25.4 mm,焦距为200毫米的近红外消色差双胶合透镜的理论调制传递函数。从图中可以看出80%的对比度对应着约20 线/毫米的空间频率。这说明间距为0.05 mm的线条经过透镜后有80%的对比度。理论的光学调制函数给出的设计性能,是指光学元件的实际尺寸和设计尺寸完全相同时的结果。事实上,由于制造公差的存在,大多数光学元件的光学传递函数将低于理论值。
图2.5:这些截图是以USAF 1951分辨率板作为物体的实际测量结果。对于这个目标物体,测得的对比度为82.3%。

联系电话 : 0755-83317774 移动电话 : 18938648240 Email : 1605935956@qq.com QQ : 1605935956