Thorlabs索雷博 MVBT2353 双远心透镜
特性
- 在整个景深范围内提供不变的放大率
- 可选放大率:0.128X、0.243X、0.528X或1.000X
- 兼容带最大2/3英寸传感器的C-Mount相机
- 每个透镜附带详细的测试报告,包含透镜性能数据
- 提供用于轻松安装或拆除MVBT2313和MVBT2324的夹具
Thorlabs为机器视觉应用提供自己的双远心透镜系列。这些透镜在物空间和像空间的放大率与距离(景深范围内)或者视场内位置无关。这一特性非常适合机器视觉应用:在测量尺寸时,无论物距或位置如何变化,远心透镜都能获得相同的测量结果。关于远心透镜的详细信息以及其与标准透镜的区别,请查看远心透镜教程标签。
这些透镜设计用于2/3英寸传感器,例如我们科研级CMOS相机中的传感器。透镜也可用于小于2/3英寸的传感器,但视场会有所减小。透镜外壳的图像侧带有C-Mount(1.000"-32)外螺纹,也兼容我们的许多相机。通过SM1A10螺纹转接件,可匹配C-Mount与SM1(1.035"-40)内螺纹,从而兼容我们的透镜套筒或其他SM1螺纹安装座。如果使用CML05 CS-转C-Mount转接件,CS-Mount相机也兼容这些镜头。
每个透镜附带详细的测试报告,显示准确规格和和畸变图,包括RMS畸变、最大畸变、放大率、最大远心、图像尺寸和工作距离。报告样本见表1.1。应要求可提供原始数据文件。文件包含畸变、绝对畸变和远心度,以及测量数据报告。曲线标签显示了畸变(%)与视场高度(mm)的典型性能图。
请注意,由于MVBT2313的尺寸和重量,用户必须小心且正确地安装和支撑此透镜;不应仅通过其C-Mount螺纹安装。下面销售用于安装MVBT2313和MVBT2324透镜的夹具。这些夹具具有沉头孔槽和沉头孔,可用于实现多种安装配置。
| Table 1.1 Key Specificationsa |
|---|
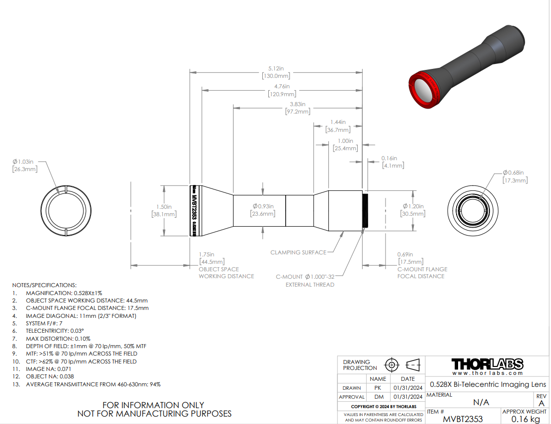
| Item # | MVBT2313 | MVBT2324 | MVBT2353 | MVBT2310 |
| Magnification | 0.128X ± 1% | 0.243X ± 1% | 0.528X ± 1% | 1.000X ± 1% |
| Working Distanceb | 179.0 mm | 97.9 mm | 44.5 mm | 44.0 mm |
| Depth of Fieldc | ±15 mm | ±11 mm | ±1 mm | ±0.9 mm |
Field of View (2/3" Format Sensor)d | 85.9 mm | 45.3 mm | 20.8 mm | 11.0 mm |
Modulation Transfer Function (MTF)e | >55% | >51% | >51% | >42% |
| Sample Test Reportf |  |  |  |  |
| Lens Mount | C-Mount (1.000"-32) |
| Lens Lengthg,h | 10.95" (278.1 mm) | 6.74" (171.2 mm) | 5.12" (130.0 mm) | 3.29" (83.5 mm) |
Lens Housing Diameter at Largest Pointh | Ø4.50" (Ø114.3 mm) | Ø2.50" (Ø63.5 mm) | Ø1.50" (Ø38.1 mm) | Ø1.20" (Ø30.5 mm) |
| Mass (Weight) | 1.07 kg (2.36 lbs) | 0.36 kg (0.79 lbs) | 0.16 kg (0.35 lbs) | 0.14 kg (0.31 lbs) |
- 完整规格请查看规格标签。
- 工作距离定义为景深中心到透镜外壳的第一个机械表面。
- 指定为70 lp/mm和50% MTF。
- 视场规定为沿传感器对角线方向。
- 指定为70 lp/mm,穿过视场。
- 点击
图标查看样本测试报告。 - 不包括C-Mount螺纹。
- 查看机械图纸,请点击产品型号旁的红色文件(
) 图标。

联系电话 : 0755-83317774 移动电话 : 18938648240 Email : 1605935956@qq.com QQ : 1605935956