zolix卓立汉光 Omni-λ300s 光谱仪
Omni-λ300s系列“影像谱王”光栅单色仪/光谱仪
作为Omni-λ300i系列光谱仪的升级版本,Omni-λ300s光谱仪采用全新的光路设计,极大提高了光收集效率。采用一体化机身和优化的结构设计,使光谱仪的稳定性进一步提升。同时对整机进行了轻量化设计,使光谱仪的使用更加便利。
功能及特点
光谱仪输出相对强度(使用1800g/mm@500nm光栅测试)
规格参数表(@1200g/mm光栅条件下) |
型号 | Omni-λ300s |
焦距(mm) | 320 |
相对孔径 | F/4.2 |
扫描范围(nm) | 0~1200 |
光谱分辨率(nm)-PMT | 0.08 |
波长准确度(nm) | ±0.2 |
波长重复性(nm) | ±0.025 |
最小步距(nm) | 0.005 |
焦平面尺寸 | 30 (w) × 14 (h) |
光轴高度(mm) | 145.6~160.6 |
光栅规格 | 68 × 68 |
光栅台 | 三光栅 |
狭缝规格 | 缝宽0.01-3mm连续手动可调,可选配自动狭缝;逢高2,4,14可更换 |
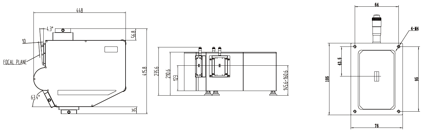
外形尺寸(mm)、重量(kg) | 448 × 416 × 236 (L × W × H),20kg |
通讯接口 | 标配USB2.0,可选RS-232 |
规格参数表@不同光栅 |
|
光栅(g/mm) | 2400 | 1800 | 1200 | 600 | 300 | 150 | 75 |
倒线色散(nm/mm) | 0.91 | 1.39 | 2.29 | 4.87 | 9.97 | 20.13 | 40.43 |
机械扫描范围(nm) | 0~600 | 0~800 | 0~1200 | 0~2400 | 0~4800 | 0~9600 | 0~19200 |
扫描步距(nm) | 0.0025 | 0.0035 | 0.005 | 0.01 | 0.02 | 0.04 | 0.08 |
狭缝光谱分辨率(nm) | 10um | 0.05 | 0.07 | 0.08 | 0.16 | 0.32 | 0.64 | ─── |
100um | ── | ── | 0.23 | 0.46 | 0.92 | 1.84 | 3.7 |
光谱分辨率(nm)-CCD(15um) | 0.069 | 0.105 | 0.173 | 0.368 | 0.754 | 1.52 | 3.05 |
CCD单次摄谱范围(nm@30mm CCD) | 27.6 | 41.7 | 68.7 | 146.1 | 299.1 | 603.9 | 1212.9 |
波长准确度(nm) | ±0.1 | ±0.15 | ±0.2 | ±0.4 | ±0.8 | ±1.6 | ±3.2 |
波长重复性(nm) | 0.015 | 0.02 | 0.025 | 0.05 | 0.1 | 0.4 | 0.8 |
注1:狭缝光谱分辨率,常规光谱仪在中心波长435.83nm,狭缝宽度10um;镀金光谱仪在中心波长632.8nm,狭缝宽度100um;
注2:CCD单次摄谱范围、倒线色散为中心波长为435.83nm下的典型值,随着中心波长增加,摄谱范围变窄;
注3:随着中心波长的增大,倒线色散数值减小,随着中心波长减小,倒线色散数值增大;
注4:直入狭缝无法配置电动狭缝。
典型型号表
型号 | 描述 |
Omni-λ3004s | 侧入口、CCD双出口 |
Omni-λ3005s | 侧入口、狭缝直出口 |
Omni-λ3006s | 侧入口、CCD直出口 |
Omni-λ3007s | 侧入口、狭缝双出口 |
Omni-λ3008s | 侧入口、CCD直出口、狭缝侧出口 |
Omni-λ3015s | 侧入口、狭缝直出口、红外镀膜 |
Omni-λ3017s | 侧入口、狭缝双出口、红外镀膜 |
Omni-λ3024s | 双入口、CCD双出口 |
Omni-λ3027s | 双入口、狭缝双出口 |
Omni-λ3028s | 双入口、CCD直出口、狭缝侧出口 |
Omni-λ3047s | 侧入口、狭缝双出口、紫外镀膜 |
Omni-λ3048s | 侧入口、CCD直出口、狭缝侧出口、紫外镀膜 |
注1:本型号系列,为手动狭缝(电动狭缝需要额外选择) |
注2:本型号系列,需要额外选配光栅,最多可配置3块光栅; |
注3:本型号系列,不包含滤光片轮、快门,需要额外选择附件 |
光谱仪Omni-λ3008s外形尺寸图:

联系电话 : 0755-83317774 移动电话 : 18938648240 Email : 1605935956@qq.com QQ : 1605935956