HIKROBOT  海康机器人 MV-SC3050XM-16M-WBN-S  视觉传感器
  • HIKROBOT  海康机器人 MV-SC3050XM-16M-WBN-S  视觉传感器

HIKROBOT 海康机器人 MV-SC3050XM-16M-WBN-S 视觉传感器

HIKROBOT  海康机器人 MV-SC3050XM-16M-WBN-S  视觉传感器


功能特性

  • 采用嵌入式硬件平台,可进行高速的图像处理

  • 植入高精度定位、测量、识别算法,可实现计数、缺陷、有无、定位等功能

  • IO接口丰富,可接入多路输入、输出信号

  • 多角度可视机身指示灯可实时查看设备状态,方便调试与维护

  • 偏振、扩散、全透多重光学照明,超强环境适应性

  • 支持RS-232、TCP、UDP、FTP、Modbus、PROFINET、EtherNet/IP等多种通讯模式

 

订货型号

MV-SC3050XM-16M-WBN-S


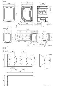
外形尺寸

  

*产品所涉数据可能因环境等因素而产生差异,本公司不承担由此产生的后果。


型号型号MV-SC3050XM-16M-WBN-S
名称SC3000X视觉传感器,16mm镜头,500万像素,黑白,电动调焦,尾部甩线
工具视觉工具测量:点点测量、点线测量、对比度测量、灰度面积、节距测量、宽度测量、亮度均值、线线角度、直径测量、直线角度
有无:斑点有无、边缘有无、轮廓有无、图案有无、圆有无、直线有无
计数:斑点计数、边缘计数、轮廓计数、图案计数
识别:码识别、注册分类、注册目标检测、字符识别
逻辑:变量计算、分支控制、逻辑判断、条件判断、字符比较、组合判断
缺陷:异常检测
定位:标定转换、单点对位、单点纠偏、单点抓取、单位转换、位置修正
深度学习:分类、目标检测
方案能力支持方案导入/导出,最多可存储32个方案
通讯协议RS-232、TCP、UDP、FTP、PROFINET、Modbus、EtherNet/IP、MELSEC/SLMP、FINS、Keyence KV
相机传感器类型CMOS,全局快门
像元尺寸3.45 μm × 3.45 μm
靶面尺寸1/1.45"
分辨率2432 × 2048
最大采集帧率40 fps
动态范围77.8 dB
信噪比43 dB
增益0 dB ~ 15 dB
曝光时间6 μs ~ 1 sec
像素格式Mono 8
黑白/彩色黑白
电气特性数据接口Fast Ethernet(100 Mbit/s)
数字I/O17-pin M12接口提供电源和I/O:包含3路光耦隔离输入(LINE0/1/2输入),3路光耦隔离输出(LINE3/4/5输出),1路RS-232接口
支持通过顶部按钮触发设备
供电24 VDC
典型功耗6.5 W@24 VDC
结构镜头接口M12-mount,机械对焦
焦距16 mm
镜头罩全透+偏振+扩散镜头罩
光源聚光白光,可选购红光/蓝光/红外
瞄准器橙光LED
指示灯多角度可视机身指示灯
外形尺寸43 mm × 57 mm × 45.9 mm
重量约200 g
IP防护等级IP65
温度工作温度0 ~ 50°C,储藏温度-30 ~ 70°C
湿度20% ~ 95%RH无冷凝
一般规范软件SCMVS
认证CE,KC




联系电话 : 0755-83317774  移动电话 : 18938648240 Email : 1605935956@qq.com QQ : 1605935956

联系我们 Contact us

联系电话:18938648240
固定电话:0755-83317774
邮箱:1605935956@qq.com
联系地址:深圳市龙岗区平湖双拥街
扫一扫加微信
深圳市朗磊贸易有限公司  版权所有
本站使用百度智能门户搭建 管理登录
粤ICP备12090468号