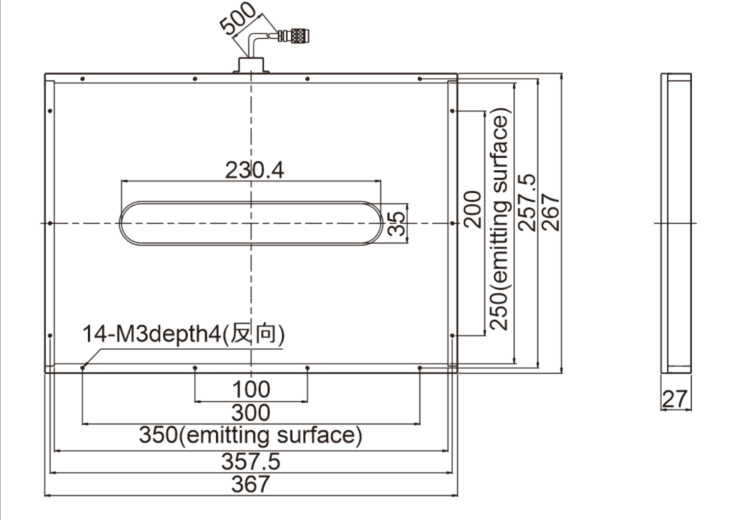
LOTS乐视 LTS-3FTB350250-W 定制回形背光源
LED阵列分布于光源底部,经过优化设计成回形或 环形的结构,发出的光经过特殊导光板以后形成均匀的背 光,可用于测量四侧外形轮廓或检测大尺寸PCB板字符。 亦可作为前向光照明使用。
产品特点: 1.高密度LED分布于光源底部 2.亮度高、均匀性好 3.外形尺寸和开孔大小均可定制 | 行业应用: 1.边缘轮廓尺寸测量 2.PCB板电子元件检测 3.大型零 件缺陷检测 4.印刷包装缺陷检测 |
光源参数:
产品型号 | LTS-3FTB350250-W |
产品类型 | 定制回形背光源 |
LED类型 | 贴片式 |
颜色 | 白色 |
波长 | -- |
色温 | 6600K |
功率 | 61W |
输入电压 | DC 24V max. |
线缆长度 | 0.5m |
连接器型号 | SMR-03V-B |
连接器定义 | 1:正极(+)红色;2:留空;3:负极(—)黑色; |
外壳材质 | 铝合金(表面氧化发黑处理) |
冷却方式 | 自然风冷 |
外形尺寸 | L367mmxW267mmxH27mm |
使用温度和湿度 | 温度 : 0 to 40ºC,湿度 : 20 to 85%RH(非凝结) |
使用寿命 | 在本公司指定使用条件下,红光5万小时,白光3万小时,亮度降低到出厂值的50% |
质保期 | 在本公司指定使用条件下,出货日起质保一年,一年内如出现故障问题,可免费维修 或更换;(一年内如亮度衰减超过50%,可免费更换新光源) |
增值服务 | 一年免费技术支持,免费出借样品测试 |
配套电源(可选) | 1.模拟控制器 2.数字控制器 |
配套线缆(可选) | 1.LTS-EX系列(光源延长线) 2.LTS-TS系列(接头转接线) 3.LTS-SE系列(接头分接线) |
*2012年1月起,LOTS所有颜色的光源*大输入电压均为24V。
*LOTS公司保留在未事先通知的情况下对产品进行更改的权利。
*LOTS公司可根据客户需求定制紫外、红外、黄色等非标光源。

联系电话 : 0755-83317774 移动电话 : 18938648240 Email : 1605935956@qq.com QQ : 1605935956