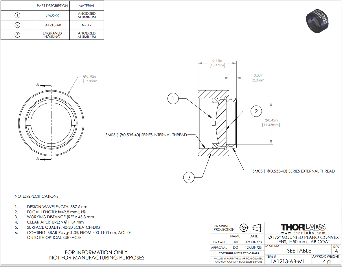
Thorlabs索雷博 LA1213-AB-ML 平凸透镜
特性
- 材料:N-BK7
- 增透膜波长范围:400 - 1100 nm
- 提供Ø1/2英寸、Ø1英寸、Ø1.5英寸或Ø2英寸版本
- 焦距范围从15 mm到2500 mm
- 使用卡环安装在兼容SM螺纹的透镜槽中
这些平凸透镜由符合RoHS标准的N-BK7材料制成,且镀有增透(AR)膜,在400 nm - 1100 nm波长范围内提供每个表面< 1.0%的平均反射率。N-BK7通常用于不需要紫外熔融石英的高级性能(如在紫外波段的高透过率和较低的热膨胀系数)的应用场合。这些Ø1/2英寸、Ø1英寸、Ø1.5英寸和Ø2英寸的透镜分别安装在兼容SM05(0.535"-40)、SM1(1.035"-40)、SM1.5 (1.535"-40)和SM2(2.035"-40)螺纹的安装座中,从而兼容我们的SM螺纹透镜套筒。SM螺纹卡环用于将透镜固定在安装座中。每个安装座都刻有产品型号、透镜类型、焦距、指向透镜曲面的箭头以及增透膜范围。
与所有的平凸透镜一样,对于无限远和有限远共轭应用,这些透镜的焦距是正焦距,而且具有几乎最佳的外形。它们可以用来会聚准直光束或准直点光源发出的光。为了最大程度地减少球差,准直光聚焦时应从透镜的曲面入射,而点光源准直时应从透镜的平面入射。
透镜的焦距可用简化的厚透镜方程来计算:

此处,n为折射率,R为透镜表面的曲率半径。更多信息,请见教程标签。
我们已安装的N-BK7平凸透镜提供未镀膜的版本或从五种增透膜(A、AB、B、C或D膜)中选择一种镀膜的版本,增透膜可减少透镜每个表面指定波长范围的反射光。本页为镀AB膜的已安装透镜,AB膜的设计波长范围是400 nm - 1100 nm。其他增透膜透镜在我们网站的页面链接已在下方的选择指南表格中给出。镀膜信息请看曲线图标签。
| N-BK7 Plano-Convex Lens Selection Guide |
|---|
| Unmounted Lenses | Mounted Lenses |
| Uncoated | Uncoated |
| -A Coating (350 - 700 nm) | -A Coating (350 - 700 nm) |
| -AB Coating (400 - 1100 nm) | -AB Coating (400 - 1100 nm) |
| -B Coating (650 - 1050 nm) | -B Coating (650 - 1050 nm) |
| -C Coating (1050 - 1700 nm) | -C Coating (1050 - 1700 nm) |
| -D Coating (1650 - 3000 nm) | - |
也提供定制镀膜。需要报价请联系技术支持techsupport-cn@thorlabs.com。我们还提供N-BK7透镜套件。
| 通用规范 |
|---|
| 镜片形状 | 平凸 |
| 基板材料 | N-BK7光学玻璃a |
| AR镀膜范围 | 400纳米至1100纳米(-AB涂层) |
反射率过高 AR镀膜范围(AOI = 0°) | R < 1.0%avg |
| 设计波长 | 587.6纳米或633纳米b |
| 折射率 | 1.517(@ 587.6 纳米) 1.515(在633纳米处) |
| 表面质量 | 40-20划痕-麻点 |
| 表面平整度c普莱诺侧 | 半波长 |
球面屈光度c,d 凸面 | 3λ/2 |
| 表面不规则c峰谷值 | 四分之一波长 |
| 损伤阈值e | @ 532 纳米 | 7.5 焦耳每平方厘米2 (10纳秒,10赫兹,直径0.456毫米) |
| @ 1064纳米 | 7.5 J/cm2 (10 ns, 10 Hz, Ø0.407 mm) |
| 阿贝数 | 五 = 64.17d |
| 专注 | < 3角分
|
| Clear Aperture | 大于90%的直径 |
| 焦距公差 | ±1% |
- 点击链接查看关于基底的详细规格
- 各个透镜规格请看下表。
- 633纳米处
- 光圈数(surface power)类似于平面光学元件的表面平整度,它是球面光学元件的表面相对于已校准的基准量规的偏差度。此规格也常被称为曲面拟合。
- 受到增透膜限制。详情请看损伤阈值标签。

Click to Enlarge
Click Here for Raw Data
图2.1:这是入射光法线入射一块10 mm厚、未镀膜的N-BK7样品时的透过率曲线。请注意,这是测得的透过率,包含了表面反射。

Click to Enlarge
Click Here for Raw Data
图2.2:蓝色阴影区域表示具有最佳性能的400 - 1100 nm指定波长范围。
| N-BK7 Plano-Convex Lens Selection Guide |
|---|
| Unmounted Lenses | Mounted Lenses |
| Uncoated | Uncoated |
| -A Coating (350 - 700 nm) | -A Coating (350 - 700 nm) |
| -AB Coating (400 - 1100 nm) | -AB Coating (400 - 1100 nm) |
| -B Coating (650 - 1050 nm) | -B Coating (650 - 1050 nm) |
| -C Coating (1050 - 1700 nm) | -C Coating (1050 - 1620 nm) |
| -D Coating (1650 - 3000 nm) | - |
本页提供的透镜还有未镀膜或镀五种宽带增透膜之一的版本,对应的反射率曲线图请看下方:350 - 700 nm(-A)、400 - 1100 nm(-AB)、650 - 1050 nm(-B)、1050 - 1700 nm(-C)或1.65 - 3.0 µm(-D)。
这些高性能多层增透膜层在指定的波长范围上每个表面的平均反射率小于0.5%(-AB膜和-D膜除外,它们的平均反射率< 1.0%),且在0到30度(0.5 NA)的入射角范围内提供良好性能。对于想使用大角度入射的光学元件,可以考虑针对45度入射角优化的定制光学薄膜;这些薄膜可以在25到52°的入射角下使用。图2.3的曲线图给出了这个系列中标准镀膜的性能与波长的关系。宽带镀膜的典型吸收为0.25%,这在反射率曲线中没有显示出来。

图2.3:Thorlabs标准宽带增透膜(8° AOI)的反射率曲线图。

联系电话 : 0755-83317774 移动电话 : 18938648240 Email : 1605935956@qq.com QQ : 1605935956