HAYASHI林时计     HDB60×60S      高亮度背光照明
  • HAYASHI林时计     HDB60×60S      高亮度背光照明

HAYASHI林时计     HDB60×60S      高亮度背光照明

HAYASHI林时计     HDB60×60S      高亮度背光照明

abcde
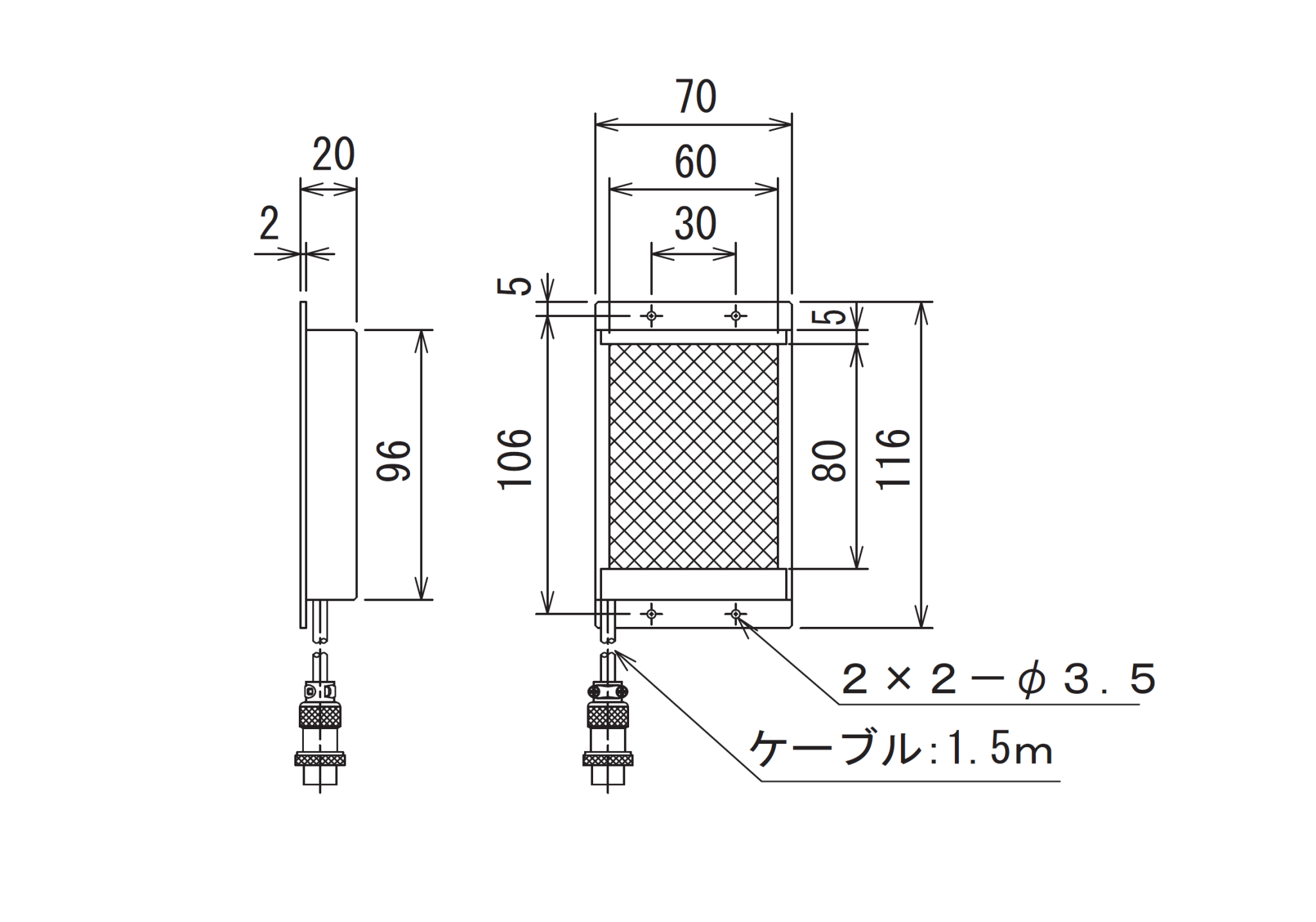
型号发光色外观图尺寸(mm)
HDB60×30S□160807011620
HDB60×60S□2909012010522
※红(R)色以外的发光色,请商谈


HDB80x60R
3111_HDB80-60R_gaikan.png

联系电话 : 0755-83317774  移动电话 : 18938648240 Email : 1605935956@qq.com QQ : 1605935956

联系我们 Contact us

联系电话:18938648240
固定电话:0755-83317774
邮箱:1605935956@qq.com
联系地址:深圳市龙岗区平湖双拥街
扫一扫加微信
深圳市朗磊贸易有限公司  版权所有
本站使用百度智能门户搭建 管理登录
粤ICP备12090468号