IRAYPLE  大华华睿  MTL17-11010XD-C  远心镜头
  • IRAYPLE  大华华睿  MTL17-11010XD-C  远心镜头

IRAYPLE 大华华睿 MTL17-11010XD-C 远心镜头

IRAYPLE  大华华睿  MTL17-11010XD-C  远心镜头


● 采用物方远心光学设计;

● 最大支持1.1英寸靶面工业相机;

● 110mm工作距离,可选同轴光功能;

● 支持12MP、20MP分辨率工业相机,成像清晰度均匀;

● 低畸变,高远心度,适用于高精度测量和定位等工业应用;



基本参数

  • 型号

    MTL17-11010XD-C

  • 光学结构

    物方远心

  • 放大倍率

    1X

  • 像方视野

    1.1'' (φ17.6mm)

  • 工作距离

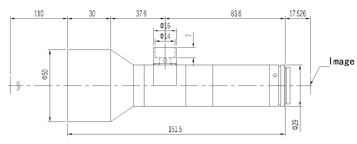
    110 mm±3%

  • F数

    F10

  • 景深

    1.1 mm

  • 分辨力

    6.5μm

  • 像方MTF

    >0.3@100lp/ mm

  • 远心度

    <0.08°

  • 光学畸变

    <0.08%

  • 视场范围

    14.2×10.4 mm(1.1'' 14.2×10.4 mm);n 8.5×7.1 mm(2/3'' 8.45×7.07);n 6.4×4.8 mm(1/2'' 6.4×4.8 mm)

结构

  • 相机接口

    C-接口

  • 产品尺寸

    φ50×151.5 m

环境

  • 工作温度

    -10℃~50℃



联系电话 : 0755-83317774  移动电话 : 18938648240 Email : 1605935956@qq.com QQ : 1605935956


联系我们 Contact us

联系电话:18938648240
固定电话:0755-83317774
邮箱:1605935956@qq.com
联系地址:深圳市龙岗区平湖双拥街
扫一扫加微信
深圳市朗磊贸易有限公司  版权所有
本站使用百度智能门户搭建 管理登录
粤ICP备12090468号