HIKROBOT 海康机器人 MV-CL021-60UM-OCT 工业线阵相机
功能特性
丰富的ISP处理技术,支持手动调节Gamma校正、平场校正、LUT、黑电平调节等
支持双向I/O接线,输入/输出可灵活配置
紧凑的结构设计,相机正面板和侧面板均有安装孔,可进行灵活安装
兼容USB3 Vision协议及GenICam标准
订货型号
MV-CL021-60UM-OCT
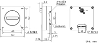
外形尺寸

*产品所涉数据可能因环境等因素而产生差异,本公司不承担由此产生的后果。
| 型号 | 型号 | MV-CL021-60UM-OCT |
| 名称 | 2k USB3.0线阵,10*180μm,黑白 |
| 性能 | 传感器类型 | CCD |
| 像元尺寸 | 10 μm × 180 μm |
| 分辨率 | 2048 × 1 |
| 最大行频 | 66.6 kHz |
| 传输模式 | U3V |
| 动态范围 | 65.2 dB |
| 信噪比 | 46 dB |
| 增益 | 2.0x |
| 曝光时间 | 15 μs ~ 10 ms |
| 快门模式 | 支持自动曝光、手动曝光、一键曝光模式 |
| 黑白/彩色 | 黑白 |
| 像素格式 | Mono 8/10/12/14 |
| Binning | 支持1 × 1,1 × 2,2 × 1,2 × 2 |
| 镜像 | 支持水平镜像 |
| 触发模式 | 外触发,内触发 |
| 外触发模式 | 行触发,帧触发,行+帧触发 |
| 电气特性 | 数据接口 | USB3.0,兼容USB2.0 |
| 数字I/O | 6-pin P7接头提供供电和I/O:2路可配置非隔离I/O(Line0/1),支持单端/差分 |
| 供电 | 12~24 VDC |
| 典型功耗 | 5 W@24 VDC |
| 结构 | 外形尺寸 | 60 mm × 60 mm × 23.4 mm |
| 重量 | 约140 g |
| IP防护等级 | IP40(正确安装镜头以及线缆的情况下) |
| 温度 | 工作温度 -20 ~ 35°C,储藏温度-30 ~ 80°C |
| 湿度 | 5% ~ 90%RH无冷凝 |
| 一般规范 | 软件 | MVS 或第三方支持 USB3 Vision 协议软件 |
| 操作系统 | Windows 7/10/11 32/64 bits |
| 协议/标准 | USB3 Vision,GenlCam |
| 认证 | RoHS |
联系电话 : 0755-83317774 移动电话 : 18938648240 Email : 1605935956@qq.com QQ : 1605935956