HIKROBOT 海康机器人 MV-PE5502-P 光电传感器
功能特性
清晰红色光斑,方便对准
抗干扰能力强,应对复杂光照环境
稳定检出低反射率物体
订货型号
MV-PE5502-P
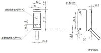
外形尺寸

*产品所涉数据可能因环境等因素而产生差异,本公司不承担由此产生的后果。
| 型号 | 型号 | MV-PE5502-P |
| 名称 | 漫反射型距离设定小型光电传感器(30-350毫米/红光,PNP) |
| 性能 | 检测距离 | 10 ~ 350 mm |
| 标准检测物 | 100 mm x 100 mm 5%标准反射板 |
| 输出方式 | PNP(暗通/亮通可切换) |
| 光源 | 红光660 nm |
| 响应时间 | ≤500 us |
| 应差 | 设定距离10%以内 |
| 距离设定调节 | 多圈旋钮 |
| 电气特性 | 电源电压 | 12~24V DC±10% |
| 残余电压 | ≤2 V |
| 工作电流 | ≤20 mA |
| 负载电流 | ≤100 mA |
| 回路保护 | 反接保护,过流保护,过压保护 |
| 绝缘电阻 | 20 MΩ以上(电源连接端子与外壳之间) |
| 耐电压 | 1000V AC,1分钟(电源连接端子与外壳之间) |
| 结构 | 外形尺寸 | 20 mm × 12 mm × 31.6 mm |
| 重量 | 约45 g(含导线) |
| 温度 | 工作温度-25 ~ 55°C,存储温度-30 ~ 70°C |
| 湿度 | 35 ~ 85%RH |
| 环境光照 | 太阳光:<10000 lux 白炽灯: <3000 lux |
| IP防护等级 | IP67 |
| 材质 | 外壳:塑料PC 透镜:亚克力 |
| 指示灯 | 工作状态指示灯:橙色 稳定指示灯:绿色 |
| 连接方式 | 导线引出型(标配2米) |
| 震动 | 10 ~ 500 Hz,上下振幅1.5 mm,X、Y、Z各方向2小时 |
| 冲击 | 500m/s2,X、Y、Z各方向3次 |
| 一般规范 | 认证 | RoHS |
联系电话 : 0755-83317774 移动电话 : 18938648240 Email : 1605935956@qq.com QQ : 1605935956