zolix卓立汉光 PSAV200-240ZF 电动升降滑台
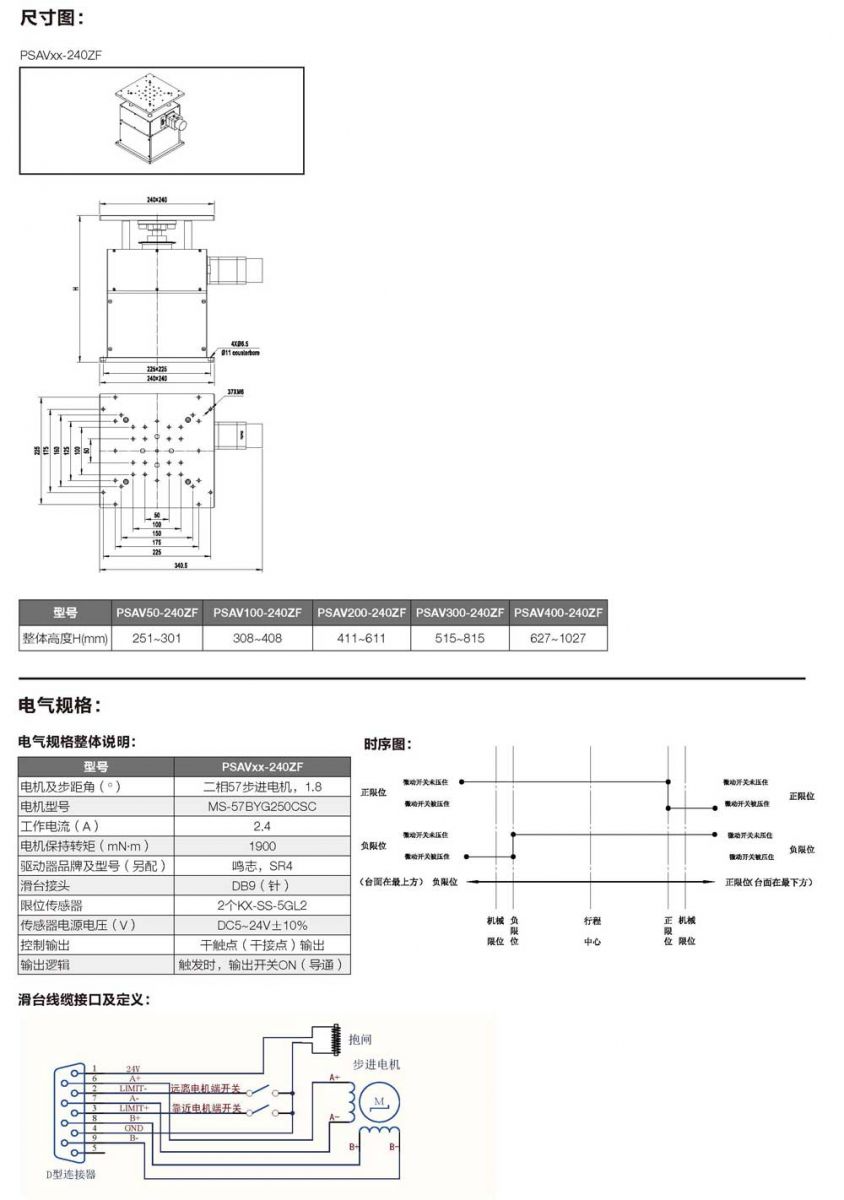
PSAV 系列电动升降滑台采用滚珠丝杠减速机,具有超高的负载能力,且比梯型丝杠减速机回程间隙大幅降低,具有更高的运动精度和定位精度。主体材料为优质铝合金,通过四根线性轴承导轨导向,保证高负载运动过程中,运行平稳。PSAV 系列产品行程范围大,可达50 ~ 400mm,可满足大部分行程要求。PSAV 系列电动升降滑台特别适合于负载能力强、行程较大的精密光学实验、精密定位、精密加工等领域。
特点:
• 采用滚珠丝杠减速机,具有较大行程和较高负载能力
• 四根线性轴承导轨导向,运动精度高、运行平稳
• 行程范围大,包括50mm~400mm
• 二相57步进电机驱动,扭矩大、负载能力强、稳定、可靠
命名规则:

选型表:


联系电话 : 0755-83317774 移动电话 : 18938648240 Email : 1605935956@qq.com QQ : 1605935956