IRAYPLE 大华华睿 PFM-HX5260CO28R-A-1A1 工业光源
● 提供不同角度照射,突出产品特征
● 高品质、高密度LED,发光稳定亮度高
● 波峰焊接工艺、容易安装、设计简洁紧凑
● 可选配漫射板使得增高光源均匀性
基本参数
型号
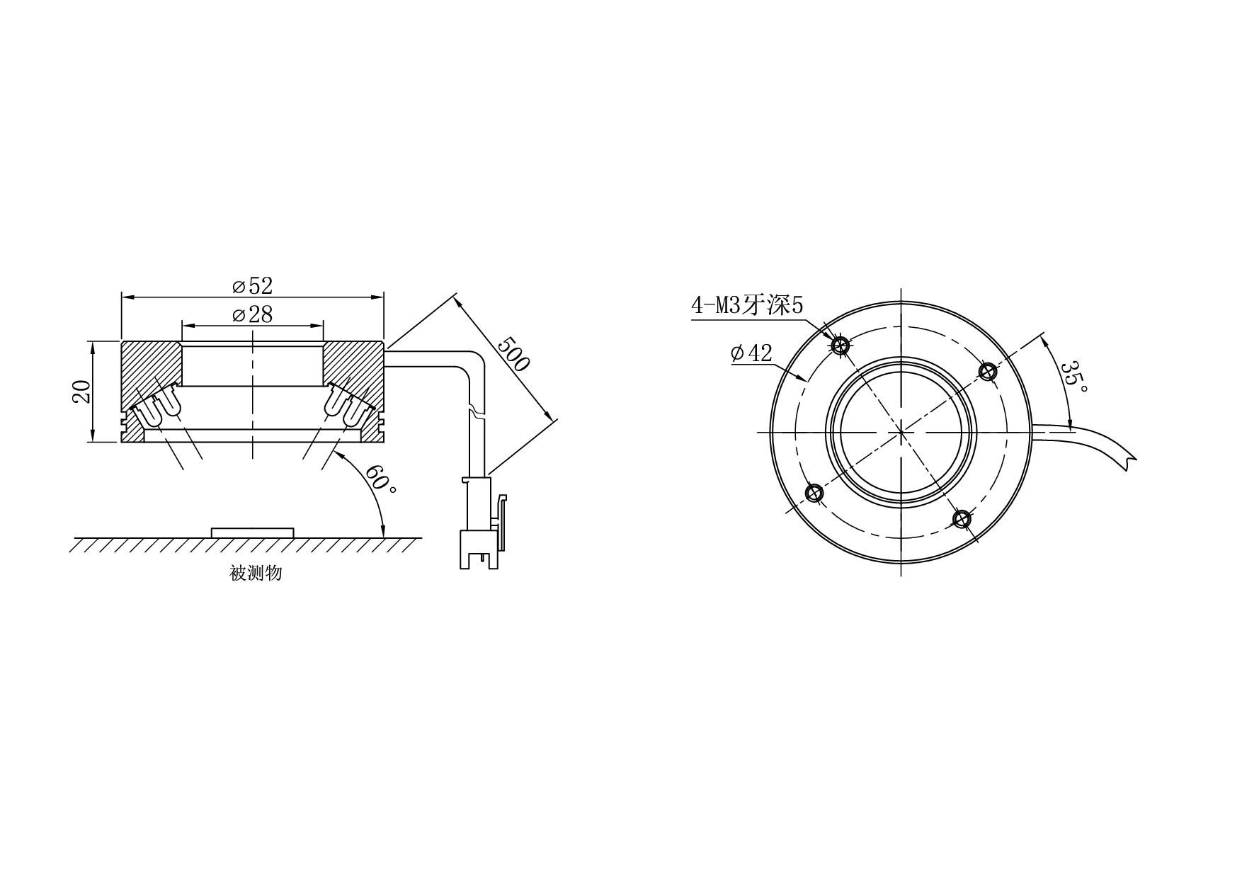
PFM-HX5260CO28R-A-1A1
颜色
红色
波长
620-630 nm
功率
2.4 W
输入电压
DC24 V
线缆长度
500 mm
外部接口
结构参数
灯珠排数
2
发光角度
60°
开孔直径
φ28 mm
冷却方式
自然冷却
漫射板
有
产品尺寸
φ52×20 mm
环境参数
工作温度
0~40℃
工作湿度
20~85%RH(非凝结)
储存温度
-20~60℃
储存湿度
20~85%RH(非凝结)

联系电话 : 0755-83317774 移动电话 : 18938648240 Email : 1605935956@qq.com QQ : 1605935956