HIKROBOT 海康机器人 MV-CH089-10GM(EoL) 工业面阵相机
功能特性
支持自动或手动调节增益、曝光时间、白平衡、LUT、Gamma校正等
采用千兆以太网接口,无中继的情况下,最大传输距离可到100m
128MB板上缓存,可缓存多张图片,用于Burst模式下的数据传输或图像重传
兼容GigE Vision V2.0协议及GenlCam标准,无缝接入第三方软件平台
订货型号
MV-CH089-10GM(EoL)
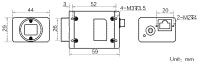
外形尺寸

*产品所涉数据可能因环境等因素而产生差异,本公司不承担由此产生的后果。
| 型号 | 型号 | MV-CH089-10GM(EoL) |
| 名称 | 890万像素网口面阵相机,IMX267,黑白 |
| 性能 | 传感器类型 | CMOS,全局快门 |
| 传感器型号 | Sony IMX267 |
| 像元尺寸 | 3.45 μm × 3.45 μm |
| 靶面尺寸 | 1” |
| 分辨率 | 4096 × 2160 |
| 最大帧率 | 13 fps @4096 × 2160 Mono 8 |
| 动态范围 | 72.5 dB |
| 信噪比 | 40.1 dB |
| 增益 | 0 dB ~ 20 dB |
| 曝光时间 | 超小曝光模式:1 μs ~ 14 μs 正常曝光模式:15 μs ~ 10 sec |
| 快门模式 | 支持自动曝光、手动曝光、一键曝光模式 |
| 黑白/彩色 | 黑白 |
| 像素格式 | Mono 8/10/10Packed/12/12Packed |
| Binning | 支持1 × 1,1 × 2,1 × 4,2 × 1,2 × 2,2 × 4,4 × 1,4 × 2,4 × 4 |
| 下采样 | 支持1 × 1,1 × 2,2 × 1,2 × 2 |
| 镜像 | 支持水平镜像、垂直镜像输出 |
| 电气特性 | 数据接口 | Gigabit Ethernet(1000Mbit/s)兼容Fast Ethernet(100Mbit/s) |
| 数字I/O | 6-pin P7接头提供供电和I/O:1路光耦隔离输入(Line0),1路光耦隔离输出(Line1),1路双向可配置非隔离I/O(Line2) |
| 供电 | 12 VDC,支持PoE供电 |
| 典型功耗 | 3.5 W@12 VDC |
| 结构 | 镜头接口 | C-Mount |
| 外形尺寸 | 29 mm×44 mm×59 mm |
| 重量 | 约100 g |
| IP防护等级 | IP30(正确安装镜头以及线缆的情况下) |
| 温度 | 工作温度0°C~ 50°C,储藏温度 -30°C~ 70°C |
| 湿度 | 20% ~ 80%RH无冷凝 |
| 一般规范 | 软件 | MVS或第三方支持GigE Vision协议软件 |
| 操作系统 | Windows XP/7/10/11 32/64bits,Linux 32/64bits以及MacOS 64bits |
| 协议/标准 | GigE Vision V2.0,GenICam |
| 认证 | CE,RoHS,KC |
联系电话 : 0755-83317774 移动电话 : 18938648240 Email : 1605935956@qq.com QQ : 1605935956