Thorlabs索雷博     LC1060-C-ML   平凹透镜
特性
- 材料: N-BK7
- 增透膜,波长范围1050 - 1700 nm
- 可选择Ø1/2英寸、Ø1英寸或Ø2英寸的光学元件
- 安装在兼容SM螺纹的透镜槽内
- 在可见光和近红外范围内提供出色的透过率
这些平凹透镜由符合RoHS的N-BK7玻璃制成,镀有1050 - 1700 nm波段的宽带增透膜。这种镀膜可大大减少使用未镀膜透镜时会发生的每表面4%的光损失(详情请看曲线标签)。
N-BK7是用于高质量光学元件的一种最常见的光学玻璃之一。通常在紫外熔融石英的额外优点(即,深入紫外波段的良好透过率,和更低的热膨胀系数)不是必需时选用它。然而,对于光学元件可能暴露至碱和酸的特别恶劣的环境,请考虑使用我们的N-SF11平凹透镜。因为N-SF11的阿贝数(25.76)低于N-BK7的阿贝数(64.17),因此由N-SF11制成的透镜会展示出比N-BK7材料更高的色散。
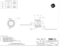
这些Ø1/2英寸、Ø1英寸和Ø2英寸透镜分别安装在兼容SM05- (0.535"-40)、SM1- (1.035"-40)和SM2- (2.035"-40)螺纹的安装座中,从而兼容我们的SM螺纹透镜套管系列产品。这些透镜与所有平凹透镜一样,具有负焦距,可用于发散准直光。在这种情况下,透镜的曲面应面对光源,以减少球面像差。此外,它们可用于抵消光学系统中其它透镜引起的球面像差的影响。
我们还提供N-BK7透镜套件。
| N-BK7 Plano-Concave Lens Selection Guide | 
|---|
| Unmounted Lenses | Mounted Lenses | 
| Uncoated | Uncoated | 
| A Coating (350 - 700 nm) | A Coating (350 - 700 nm) | 
| B Coating (650 - 1050 nm) | B Coating (650 - 1050 nm) | 
| C Coating (1050 - 1700 nm) | C Coating (1050 - 1700 nm) | 
镀膜也可以定制。
| Common Specifications | 
|---|
| Lens Shape | Plano-Concave | 
| Substrate Material | N-BK7 (Grade A)a | 
| AR Coating Range | 1050 - 1700 nm | 
| AR Coating Reflectance | Ravg < 0.5% per Surface | 
| Diameters Available | Ø1/2" in SM05-Threaded Mount (0.535"-40)
 Ø1" in SM1-Threaded Mount
 (1.035"-40)
 Ø2" in SM1-Threaded Mount
 (2.035"-40)
 | 
| Diameter Tolerance | +0.0/-0.1 mm | 
| Thickness Tolerance | ±0.1 mm | 
| Focal Length Tolerance | ±1% | 
| Design Wavelength | 633 nm | 
| Index of Refraction @ 633 nm
 | 1.515 | 
| Surface Quality | 40-20 Scratch-Dig | 
| Surface Flatness (Plano Side)
 | λ/2 | 
| Spherical Surface Powerb (Concave Side)
 | 3λ/2 | 
| Surface Irregularity (Peak to Valley)
 | λ/4 | 
| Damage Thresholdc | 7.5 J/cm2 (1542 nm, 10 ns, 10 Hz, Ø0.123 mm) | 
| Abbe Number | vd = 64.17 | 
| Centration | < 3 arcmin | 
| Clear Aperture | Ø1/2" Lenses: >Ø11.0 mm Ø1" Lenses: >Ø22.86 mm
 Ø2" Lenses: >Ø45.72 mm
 | 
- 点击链接查看关于基底的详细规格。
- 类似于平面光学元件的表面平整度,光圈数(surface power)为球面光学元件的表面相对校准基准的偏差度,除非另有说明,一般是针对633 nm光源。此参数也常称为曲面拟合。
- 受到增透膜限制。
下方是N-BK7的透过率曲线,它是一种符合RoHS的BK7形式的玻璃。总的透过率显示的是一块10 mm厚、未镀膜的样品,并且包含表面反射。
这些高性能的多层增透膜在整个指定波长范围上平均反射率小于0.5%(每表面),且在0°到30°的入射角范围内提供良好性能(0.5 NA)。 下方所示的图为本系列产品标准镀膜的性能随波长变化的曲线。宽带镀膜的典型吸收率为0.25%,它不显示在反射率曲线中
 Click to Enlarge
Click to Enlarge
Click Here for Raw Data
 Click to Enlarge
Click to Enlarge
Click Here for Raw Data
蓝色阴影区域表示可实现最优性能的1050 - 1700 nm指定波长范围。
 
| N-BK7 Plano-Concave Lens Selection Guide | 
|---|
| Unmounted Lenses | Mounted Lenses | 
| Uncoated | Uncoated | 
| A Coating (350 - 700 nm) | A Coating (350 - 700 nm) | 
| B Coating (650 - 1050 nm) | B Coating (650 - 1050 nm) | 
| C Coating (1050 - 1700 nm) | C Coating (1050 - 1700 nm) | 
本页出售的透镜还可以是未镀膜或镀其它宽带增透膜的版本,下方曲线图中给出了它们的反射率曲线。
这些高性能的多层增透膜在指定波长范围上平均反射率小于0.5%(每个表面),且在0°到30°的入射角范围内提供良好性能(0.5 NA)。下方所示的图为本系列产品标准镀膜的性能随波长变化的曲线。宽带镀膜的典型吸收率为0.25%,它不显示在反射率曲线中。


联系电话 : 0755-83317774  移动电话 : 18938648240 Email : 1605935956@qq.com QQ : 1605935956