Thorlabs索雷博 LA4545-AB-ML 紫外熔融石英平凸球透镜
特性
- 提供Ø1/2英寸、Ø1英寸、Ø2英寸和Ø75 mm透镜,带SM螺纹安装座
- 增透膜波长范围:400 - 1100 nm
- 由紫外级熔融石英制成
- 可选焦距:20 - 1000 mm
这些紫外级熔融石英(UVFS)平凸透镜可选Ø1/2英寸、Ø1英寸、Ø2英寸和Ø75 mm尺寸,安装在SM螺纹外壳内,透镜的两个表面镀400 - 1100 nm增透膜。UVFS在深紫外波段具有很高的透过率,并且几乎不产生激光诱导荧光(测量波长193 nm),这使其特别适合紫外到近红外波段的应用。另外,与N-BK7相比,紫外级熔融石英具有更好的均匀性和更低的热膨胀系数。
这些平凸透镜上镀的增透膜特别适合多个光学元件的应用。由于未镀膜的基底每个表面约有4%的反射率,增透膜提高了透过率,这在弱光应用中尤为重要,可防止多重反射的不良影响(如重影)。
平凸透镜具有正焦距,是应用最广泛的透镜元件。它们一般用于聚焦准直入射光;在这种情况下,为了尽量减小球差,准直光束应入射到透镜的曲面。当成像质量不那么重要时,平凸透镜也可以作为消色差双胶合透镜的替代品。

虽然平凸透镜和双凸透镜都可以会聚准直光,但在选择时,如果想要获得低于0.2或者大于5的绝对放大倍率,通常倾向于选平凸透镜。当需要的放大率介于0.2和5之间时,使用双凸透镜比较适合。


| UVFS平面凸透镜选型指南 |
|---|
| 未安装的镜片 | 安装式镜头 |
| 无涂层 | 未涂层的 |
| 紫外线涂层(245 - 400 纳米) | UV涂层(245 - 400纳米) |
| 涂层(350 - 700 纳米) | 涂层(350 - 700 纳米) |
| -AB涂层(400 - 1100纳米) | AB涂层(400-1100纳米) |
| T1纹理表面(400 - 1100纳米) | T1纹理表面(400 - 1100纳米) |
| -B涂层(650 - 1050纳米) | -B涂层(650 - 1050纳米) |
| C涂层(1050 - 1700 纳米) | C涂层(1050 - 1700纳米) |
| -405 V-镀膜(405 纳米) | - |
| -532 镀膜(532 纳米) | - |
| YAG 增透膜(532/1064 纳米) | YAG 增透膜(532/1064 纳米) |
| -1064 纳米增透膜(1064 纳米) | - |
| -1550 纳米增透膜(1550 纳米) | - |
提供定制镀膜。
| 通用规范 |
|---|
| 镜片形状 | 平凸 |
| 衬底材料 | 紫外级熔融石英a |
| AR镀膜范围 | 400 - 1100 纳米(-AB 镀膜) |
涂层反射率 0°入射角下的范围(平均值) | < 1.0% |
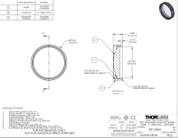
| 直径可选 | Ø1/2" 螺纹(SM05-Threaded,0.535"-40)安装座 SM1-螺纹接口(1.035"-40)中的"Ø1 SM2-螺纹(2.035"-40)接口中的Ø2 SM3螺纹(3.035"-40)安装座,直径75毫米 |
| 光学直径公差 | +0.0 毫米 / -0.1 毫米 |
| 光学厚度公差 | ±0.1毫米 |
| 清晰孔径 | 直径1/2英寸透镜:直径>11.0毫米 镜头:>直径22.9毫米 Ø2" 镜头:>Ø45.7 毫米 Ø75毫米镜头:>Ø67.5毫米 |
| 设计波长 | 587.6纳米 |
折射率 (@ 588 纳米) | 1.460 |
| 表面质量 | 40-20划痕-麻点 |
表面平整度 普莱诺侧b | 半波长 |
球面屈光度 凸面b,c | 3倍波长除以2 |
表面不平整 峰谷值b | 四分之一波长 |
| 集中化 | 3角分 |
| 焦距公差 | ±1% |
损害 阈值c | 7.5 焦耳/平方厘米2(532纳米,10纳秒,10赫兹,直径0.362毫米) 7.5 焦耳/平方厘米2(1064 纳米,10 纳秒,10 赫兹,直径 0.445 毫米) |
|
- 点击链接查看详细的基底规格
- 波长λ = 633纳米
- 类似于平面光学元件的表面平整度,球面光圈数(surface power)为球面光学元件的表面相对校准基准的偏差。此参数也常称为曲面拟合。
- 详情请参考损伤阈值标签。
图2.2为本页所售透镜所镀-AB膜的详细增透膜曲线。这种高性能的多层增透膜在指定波长范围上平均反射率小于1.0%(每个表面),入射角(AOI)在0°和30°之间时具有良好性能。对于需要以更大入射角使用的光学元件,可考虑订购针对45°入射角度优化的定制镀膜;这种定制镀膜建议在25°至52°入射角度下使用。
点击放大
点击这里原始数据
图2.1:此透过率曲线为入射光垂直于10 mm厚未镀膜紫外级熔融石英样品表面的透过率曲线。请注意,这是实际测量的透过率结果,包含了表面反射。
点击放大
点击这里原始数据
图2.2:蓝色阴影区域表示可获得最佳性能的400 - 1100 nm指定波长范围。

图2.3:Thorlabs标准宽带增透膜(8° AOI)的反射率曲线图。

联系电话 : 0755-83317774 移动电话 : 18938648240 Email : 1605935956@qq.com QQ : 1605935956