Thorlabs索雷博 VL19S/M 可调焦透镜
特性
- 焦距调节范围:10 cm(VL15系列)或20 cm(VL19系列)到无限远
- 两种笼式安装选项:
- 安装在带SM05(0.535"-40)螺纹和4-40(M3 x 0.5)螺孔的16 mm笼板中,用于安装Ø6 mm迷你系列接杆
- 安装在带SM1(1.035"-40)螺纹和8-32(M4 x 0.7)螺孔的30 mm笼板中,用于安装Ø1/2英寸接杆
- 响应时间:< 1 ms(达到最终近似值的63.2%)
- 通光孔径:Ø1.55 mm(VL15系列)或Ø1.90 mm(VL19系列)
- 超低功耗:< 1 mW
- 兼容Thorlabs覆盖0 - 50 V电压范围的压电控制器
- 平均透过率:400 - 650 nm范围内95%(典型值)
- 透射波前误差:< 50 nm
这些安装在笼板中的可调焦透镜在400 - 650 nm范围内提供95%(典型值)的平均透过率,焦距调节范围从10 cm或20 cm到无限远,非常适合自搭建的实验光学装置,比如共聚焦显微镜和光学相干断层扫描。这些透镜采用基于TLens®*技术的MEMS设计,旨在复制人眼功能,提供响应时间< 1 ms的快速对焦,且视野恒定,无磁干扰,功耗低至< 1 mW。为了控制设定透镜焦距的压电促动器,可以将仪器外壳顶部的SMC公接头连接到带SMC电缆(不包含)的Thorlabs压电控制器。我们的任意一款可以在至少50 V的电压下工作的压电控制器都可用于控制这些可调焦的透镜,比如我们的KPC101带应变读取功能的K-Cube®压电控制器和MDT694B单通道开环压电控制器。注意不要超过这些设备的绝对最大额定值(有关详细信息,请看规格标签)。
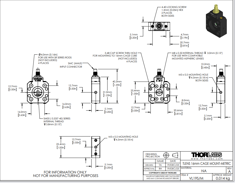
VL15S(/M)和VL19S(/M)可调焦透镜侧面有三个4-40(M3 x 0.5)螺孔,用于安装Ø6 mm迷你系列接杆;还有四个Ø0.16英寸(4.0 mm)通孔,用于安装SR系列笼杆,每根杆可以通过0.05英寸(1.3 mm)六角扳手拧紧4-40锁定螺丝固定;还有四个兼容3-48带帽螺丝的通孔,便于安装到16 mm笼式立方体。VL15C(/M)和VL19C(/M)可调焦透镜有三个8-32(M4 x 0.7)螺孔,用于安装Ø1/2英寸接杆;还有四个Ø0.24英寸(6.0 mm)通孔,用于安装ER系列笼杆,每根杆可以通过5/64英寸(2 mm)六角扳手拧紧M4 x 0.7锁定螺丝固定。为了便于提高成像能力,校正耦合到显微镜或光纤时的球差,所有可调焦透镜的一个面上还有M8 x 0.50内螺纹,用于安装非球面透镜,比如我们的模压玻璃非球面透镜。
*TLens®是poLight ASA.的注册商标。
Click to Enlarge
View Imperial Product List
View Metric Product List
图1.1 VL19C可调焦透镜安装在30 mm笼式系统中,其焦距由KPZ101 K-Cube压电控制器控制。KPZ101 K-Cube压电控制器为上一代产品不再单独提供,替代品为KPC101带应变读取功能的压电控制器。
Click to Enlarge图1.2 将0 V电压施加到促动器上产生的聚焦光束在测试靶上显示的光束光斑
Click to Enlarge图1.3 将50 V电压施加到促动器上产生的准直光束在测试靶上显示的光束光斑
| Item # | VL15S(/M) | VL15C(/M) | VL19S(/M) | VL19C(/M) |
|---|
| Typical Mechanical Specifications |
| Cage Size | 16 mm | 30 mm | 16 mm | 30 mm |
| Inner Bore | SM05 Threaded | SM1 Threaded | SM05 Threaded | SM1 Threaded |
| TLens® Dimensions (L x W x T) | 4.900 mm x 4.400 mm x 0.545 mm |
| Assembly Dimensions (L x W x T) | 40.3 mm x 25.4 mm x 10.2 mm | 54.3 mm x 40.6 mm x 10.2 mm | 40.3 mm x 25.4 mm x 10.2 mm | 54.3 mm x 40.6 mm x 10.2 mm |
| Flatness | < 0.030 mm
|
| TLens® Weight | 15 mg |
| Assembly Weight | 14 g | 30 g | 14 g | 30 g |
| Input Connector Type | SMC Male |
| Drawingsa |  |  |  |  |
| Typical Optical Specifications |
| Focal Range | Infinity to 10 cm | Infinity to 20 cm |
| Clear Aperture - Sensor Sideb | Ø1.55 mm | Ø1.90 mm |
| Clear Aperture - Object Sideb | Ø2.00 mm | Ø2.25 mm |
| Transmitted Wavefront Error (RMS)c | 30 nm |
| Average Transmittance (Between 400 and 650 nm) | 95% |
| Typical Actuator Specifications |
| Minimum Optical Power | -4 m-1 |
| Maximum Optical Power | 14 m-1 | 9 m-1 |
| Hysteresisc | 1 m-1 |
| Maximum Response Timed | 1 ms |
| Equivalent Capacitance @ 0 V | 40 nF | 25 nF |
| Operating Conditions |
| Operating Voltage (Between Top and Bottom Electrode) | 0 V - 50 V |
| Duty Cycle Over Lifetime-Operating Voltage Cycle | 10% |
| Minimum Operating Voltage Cycles | 106 |
| Operating Temperature | -20 °C - 85 °C |
| Relative Humidity | < 85% |
| Absolute Maximum Ratings |
| Storage Temperature | -40 °C - 85 °C |
| Applied Voltage (Between Top and Bottom Electrode) | -15 V - 60 V |
| Applied Current | < 1 mA |
- 点击蓝色信息图标查看图纸。
- 传感侧是带有Thorlabs logo和产品型号的一侧,物体侧是与之相反的一侧。
- 从-1 dpt到9 dpt(VL15系列)或从-1 dpt到5 dpt(VL19系列)的整个工作范围
- 系统达到最终近似值的1-1/e ≈ 63.2%的时间

Click to Enlarge
Click for Raw Data
上图显示了VL15和VL19系列可调焦透镜的典型透过率。蓝色阴影区域表示指定性能最优的400 - 650 nm波长范围。
Click to Enlarge
Click for Raw Data
上图显示了室温下未安装VL15系列的光焦度与电压曲线关系图。实线显示了无限远和最小焦距之间的扫描,显示了电压升高和降低时的光焦度响应。虚线表示扩展电压范围的光焦度与电压的关系。
Click to Enlarge
Click for Raw Data
上图显示了室温下未安装VL19系列的光焦度与电压曲线关系图。实线显示了无限远和最小焦距之间的扫描,显示了电压升高和降低时的光焦度响应。虚线表示扩展电压范围的光焦度与电压的关系。
Click to Enlarge
Click for Raw Data
上图显示了在室温(25 °C)、-20 °C和80 °C工作时,未安装VL15系列可调焦透镜的典型热性能。笼板中任何可能影响透镜热性能的应力都忽略不计。
Click to Enlarge
Click for Raw Data
上图显示了在室温(25 °C)、-20 °C和80 °C工作时,未安装VL19系列可调焦透镜的典型热性能。笼板中任何可能影响透镜热性能的应力都忽略不计。

联系电话 : 0755-83317774 移动电话 : 18938648240 Email : 1605935956@qq.com QQ : 1605935956