HIKROBOT 海康机器人 MVGL-AC084L-40GM 工业线阵相机
功能特性
支持图像无损压缩、TDI、脉宽控制曝光
丰富的ISP处理技术,支持手动调节Gamma校正、平场校正、LUT、黑电平调节等
支持双向I/O接线,输入/输出可灵活配置
紧凑的结构设计,相机正面板和侧面板均有安装孔,可进行灵活安装
兼容GigE Vision V2.0协议及GenICam标准
订货型号
MVGL-AC084L-40GM
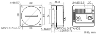
外形尺寸

*产品所涉数据可能因环境等因素而产生差异,本公司不承担由此产生的后果。
| 型号 | 型号 | MVGL-AC084L-40GM |
| 名称 | 8192 像素千兆以太网工业线阵相机 |
| 性能 | 传感器类型 | CMOS |
| 像元尺寸 | 5 μm |
| 分辨率 | 8192×4 |
| 成像模式 | 支持1-Line/2-TDI/4-TDI |
| 最大行频 | 基础行频:14 kHz@Mono 8、7 kHz@Mono 10/Mono 12、9.4 kHz@Mono 10p/Mono 12p HB峰值行频:29.8 kHz@Mono 8、20 kHz@Mono 10/Mono 12 |
| 动态范围 | 54.8 dB |
| 信噪比 | 40.3 dB |
| 增益 | 支持1.2×、2.7×、4.6× |
| 曝光时间 | 3 μs ~ 10 ms |
| 快门模式 | 支持自动曝光、手动曝光、一键曝光、脉冲控制曝光 |
| 黑白/彩色 | 黑白 |
| 像素格式 | Mono 8/10/10Packed/12/12Packed |
| Binning | 支持1 × 1,1 × 2,1 × 4,2 × 1,2 × 2,2 × 4,4 × 1,4 × 2,4 × 4 |
| 镜像 | 支持水平镜像 |
| 触发模式 | 外触发,内触发 |
| 外触发模式 | 行触发,帧触发,行+帧触发 |
| 电气特性 | 数据接口 | Gigabit Ethernet(1000Mbit/s)兼容Fast Ethernet(100Mbit/s) |
| 数字I/O | 12-pin P10接头提供供电和I/O:4路可配置输入/输出(Line 0/1/3/4),支持单端/差分 |
| 供电 | 12~24V DC |
| 典型功耗 | 12.4 W@12V DC |
| 结构 | 镜头接口 | M72*0.75,法兰后焦12 mm |
| 外形尺寸 | 80 mm × 80 mm × 46.3 mm |
| 重量 | 约465 g
|
| IP防护等级 | IP40(正确安装镜头以及线缆的情况下) |
| 温度 | 工作温度-20~55°C,储藏温度-30~80°C |
| 湿度 | 5%~90%RH无冷凝 |
| 一般规范 | 软件 | MVS或第三方支持GigE Vision协议软件 |
| 操作系统 | Windows XP/7/10 32/64bits,Linux 32/64bits以及MacOS 64bits |
| 协议/标准 | GigE Vision V2.0,GenICam |
| 认证 | CE,FCC,RoHS,KC |
联系电话 : 0755-83317774 移动电话 : 18938648240 Email : 1605935956@qq.com QQ : 1605935956