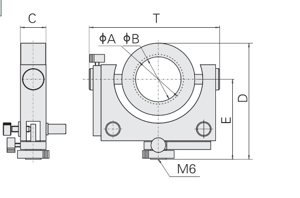
BOCIC北光世纪 GM204 万向镜片架
型号 | GM201 | GM202 | GM202B | GM204 |
夹持直径ΦA | 40 | 50 | 50.8 | 64 |
ΦB | 34 | 46 | 46 | 60 |
调整范围 | 粗调 | 360° |
微调 | ±3° |
C | 26 | 26 | 26 | 32 |
D | 103 | 119 | 119 | 149 |
E | 72 | 82 | 82 | 101 |
F | 112 | 132 | 132 | 166 |
自重 | 0.55 | 0.65 | 0.65 | 0.75 |
夹持厚度 | 4-17 | 2.5-9.5 | 2.5-9.5 | 2.5-11 |

联系电话 : 0755-83317774 移动电话 : 18938648240 Email : 1605935956@qq.com QQ : 1605935956