zolix卓立汉光 OTSB2020-13 铝合金面包板
OTSB系列铝合金面包板命名规则

特点:
• 非磁性实心铝合金面包板。
• 哑光黑色处理,低反射工作表面。
• 方便安装的沉头通孔

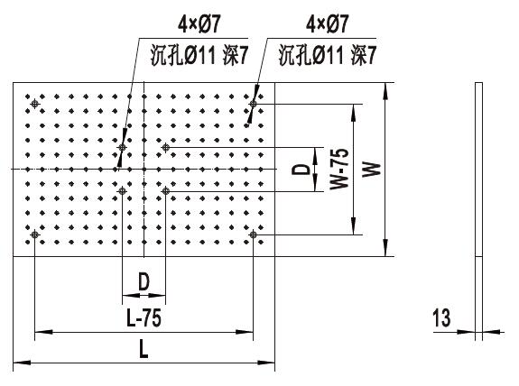
注:OTSB4560-13铝合金面包板四角沉孔固定时,中心施加120N的力;
技术指标:
• 材料:铝合金
• 厚度:13mm
• 平面度:0.3mm/600mm×600mm
• 安装孔:M6
• 孔距:25mm×25mm
• 安装孔距边:25mm
• 沉头孔:M6沉头孔
• 重量:约3Kg/300mm×300mm
选型表:
型号 | 名称 | 尺寸(mm) | L | W | D |
OTSB2020-13 | 铝合金面包板 | 200×200×13 | 200 | 200 |
|
OTSB2030-13 | 铝合金面包板 | 300×200×13 | 300 | 200 |
|
OTSB3030-13 | 铝合金面包板 | 300×300×13 | 300 | 300 |
|
OTSB3045-13 | 铝合金面包板 | 450×300×13 | 450 | 300 | 75 |
OTSB3060-13 | 铝合金面包板 | 600×300×13 | 600 | 300 | 75 |
OTSB4545-13 | 铝合金面包板 | 450×450×13 | 450 | 450 | 75 |
OTSB4560-13 | 铝合金面包板 | 600×450×13 | 600 | 450 | 75 |
OTSB6060-13 | 铝合金面包板 | 600×600×13 | 600 | 600 | 75 |
OTSB6090-13 | 铝合金面包板 | 900×600×13 | 900 | 600 | 75 |
尺寸图:
联系电话 : 0755-83317774 移动电话 : 18938648240 Email : 1605935956@qq.com QQ : 1605935956
联系电话 : 0755-83317774 移动电话 : 18938648240 Email : 1605935956@qq.com QQ : 1605935956