Thorlabs索雷博 354710-B 模压玻璃非球面透镜
特性
- 模压玻璃非球面透镜,用于无限放大倍率
- 聚焦或准直光,不会引入球差
- 可选未安装或预安装在刻有型号的无磁303不锈钢外壳版本
- 宽带AR膜,波长范围为600 - 1050 nm或650 - 1050 nm
非球面透镜在聚焦或者准直时不会在透射波前中引入球差。对于单色光源,球差往往是限制单个球面透镜在聚焦或者准直时达到衍射极限性能的因素。因此,非球面透镜经常是在许多应用中使用单光学元件的最佳方案,包括对光纤或激光二极管的输出光进行准直、将光耦合到光纤中、空间滤波、或者将光束成像在探测器上。
本页所有的模压玻璃透镜在其两面都镀有增透膜,用于600 - 1050 nm或650 - 1050 nm。增透膜选项见表1.1。
所有这些模压玻璃透镜可选未安装版本或选安装在303无磁不锈钢外壳中的版本,且外壳上刻有方便识别的产品型号。这些已安装版本带有公制螺纹,方便集成到光学装置或者OEM应用中。通过使用非球面透镜转接件,已安装非球面透镜能够直接兼容我们的SM1螺纹(1.035"-40)透镜套管。与显微物镜转接件延伸套管组合使用时,它们能够直接替换多元件显微镜物镜。
本页出售的一些透镜设计用于准直激光二极管。如下表所示,透镜具有兼容的激光窗口厚度。这些透镜的NA、工作距离和波前是根据激光窗口(不包含)来定义的。
如果使用未安装非球面透镜来准直点光源或者激光二极管时,应将曲率半径较大的一面(即更平坦的一面)朝向点光源或者激光二极管。如果使用已安装非球面透镜对光束进行准直时,将外壳带有外螺纹的一侧朝向光源。
我们使用多种光学玻璃生产模压玻璃非球面透镜,从而达到需要的性能。模压工艺会使得这些玻璃的属性(比如阿贝数)轻微偏离玻璃生产商给出的数据。点击下方信息图标
并选择Glass标签可以查看每种透镜的特定的材料属性。
Table 1.1 Molded Glass Aspheric Lenses |
|---|
| Infinite Conjugate |
| Uncoated |
| 350 - 700 nm (-A Coating) |
| 600 - 1050 nm (-B Coating) |
| 1050 - 1700 nm (-C Coating) |
| 1.8 - 3 µm (-D Coating) |
| 3 - 5 µm (-E Coating) |
| 8 - 12 µm (-F Coating) |
| 405 nm V-Coating |
| 1064 nm V-Coating |
| Finite Conjugate |
| Uncoated |
Click to Enlarge
Click Here to Download Raw Data
如何选择透镜
一般使用非球面透镜将直径为1到5 mm的光束耦合到单模光纤中。下面通过一个简单的实例来说明选择正确的透镜需要考虑的主要规格。
实例:
光纤:P1-630A-FC-2
透过透镜前的准直光束:Ø3 mm
查看P1-630A-FC-2, 630 nm, FC/PC单模光纤跳线的规格知其模场直径(MFD)为4.3 μm,该规格需要满足下面方程计算出的衍射极限光斑大小:

这里,f是透镜的焦距,λ是入射光的波长,D是入射在透镜上的准直光的直径。换算求解准直透镜的焦距,得到

Thorlabs提供大量可供选择的已安装或者未安装非球面透镜。最接近16 mm的非球面透镜的焦距为15.29 mm (产品型号354260-B或A260-B)。该透镜的通光孔径也大于准直光的直径。因此,这个非球面透镜是符合以上参数要求(即P1-630A-FC-2单模光纤和3 mm准直光束直径)的最佳选择。另外,聚焦光束的光斑应该小于单模光纤的模场直径时,才能获得最佳的耦合。这样,如果没有完全匹配的非球面透镜,可以选择焦距比计算结果更小的非球面透镜。如果非球面透镜的通光孔径足够大,也可以在通过非球面透镜之前对光束进行扩束,这样可以减小聚焦光斑的大小。
非球面透镜设计公式
| Definitions of Variables |
|---|
| z | Sag (Surface Profile) as a Function of Y |
| Y | Radial Distance from Optical Axis |
| R | Radius of Curvature |
| k | Conic Constant |
| An | nth Order Aspheric Coefficient |
这些透镜的非球面可以用Y的多项式展开来描述,Y为距离光轴的径向距离。曲面形状或sagitta(通常缩写为sag)用z表示,并由以下表达式给出:

其中R是曲率半径,k是圆锥常数,An是n阶非球面系数。R的符号由透镜表面曲率中心位于透镜顶点的左右所决定;正R表示曲率中心位于透镜顶点右侧,负R表示曲率中心位于透镜顶点的左侧。例如,双凸透镜左表面的曲率半径被指定为正数,而其右表面的曲率半径被指定为负数。
非球面透镜系数
由于透镜表面的旋转对称性,上面的多项式的展开中只包含Y的偶数次方。每个产品的非球面系数目标值可以点击下表中的蓝色信息图标(
)或点击下方出售的每个透镜旁的红色文件图标(
)查看。

Click to Enlarge
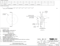
图3.1 参考图

联系电话 : 0755-83317774 移动电话 : 18938648240 Email : 1605935956@qq.com QQ : 1605935956