Thorlabs索雷博 C220MP-B 非球面透镜对
特性
- 模压玻璃非球面透镜,具有衍射极限性能
- 聚焦或准直光,不会引入球差
- 预对准并安装在刻有型号的金属外壳中
- 增透(AR)膜用于600 - 1050 nm或1050 - 1700 nm
非球面透镜在聚焦光时不会在透射波前中引入球差。对于单色光源,球差往往会限制单个球面透镜在聚焦光时达到衍射极限性能。
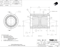
我们的非球面透镜对由安装在金属外壳中的两个预对准非球面透镜组成。匹配的非球面透镜对具有两个完全相同的非球面透镜,非常适用于一对一成像,并具有接近衍射极限的性能。我们还提供光纤耦合非球面透镜对,其中两个透镜具有不同的数值孔径,非常适合将激光二极管直接耦合到多模光纤中。增透膜可选600 - 1050 nm或1050 - 1700 nm。
每个非球面透镜对都预安装在刻有产品型号的金属外壳中,便于识别。为便于安装,外壳具有M11 x 0.5外螺纹或M9 x 0.5外螺纹。有关如何使用Thorlabs组件将非球面透镜对集成到光机械组件中,请查看下文。
| Item # | C110MP-B | C220MP-B | C220MP-C |
|---|
| Numerical Aperture | 0.40 | 0.25 |
| AR Coating | 600 - 1050 nm | 1050 - 1700 nm |
Distance to Focal Point from Housing Front | 1.800 mm | 6.096 mm |
| Housing Thread | External M11 x 0.5 |
| Reference Drawing | 
|
- 几乎无像差1:1 成像的插入式解决方案
- 数值孔径(NA)为0.40或0.25
- 增透膜用于600 - 1050 nm或1050 - 1700 nm
Thorlabs匹配的非球面透镜对可提供几乎无像差的一对一成像。每对由两个相同的非球面透镜组成,经过预先对准并安装在带M11 x 0.5外螺纹的金属外壳中。匹配的透镜对提供0.40或0.25数值孔径,以及用于600 - 1050 nm或1050 - 1700 nm的增透膜。
如需安装匹配的非球面透镜对,可使用RMS11P转接件将M11 x 0.5外螺纹转为标准RMS螺纹。然后RMS螺纹组件可直接安装到我们的HCS031挠性位移台支架或KM100R调整架。另外,还可以使用额外的SM1A3转接件将RMS螺纹组件安装到任何带SM1螺纹(1.035"-40)的透镜套筒上。
Click to Enlarge
Click Here for Raw Data
蓝色阴影区域表示具有最佳性能的指定600 - 1050 nm波段。
Click to Enlarge
Click Here for Raw Data
蓝色阴影区域表示具有最佳性能的指定1050 - 1700 nm波段。

联系电话 : 0755-83317774 移动电话 : 18938648240 Email : 1605935956@qq.com QQ : 1605935956