HIKROBOT 海康机器人 MV-ID5050XM-08M-RBN 工业读码器
功能特性
内置深度学习读码算法,可适应多种复杂工况,鲁棒性强
屏幕与按钮联动,轻松实现自动调谐、参数配置、系统信息预览等基础操作
多面可视状态指示灯,读码状态一目了然
可旋转尾线出线方式,小巧机身,狭小空间灵活应对
光源多路分控,根据工件材质自动切换最佳照明
丰富IO接口,可接入多路输入、输出信号
多种高精度传感器加持,轻松复制/还原安装位置
丰富配件,支持扩展爆闪光源、多色光源、晶圆光源等,轻松解决行业痛点
支持HDR功能,图像对比度更高
订货型号
MV-ID5050XM-08M-RBN
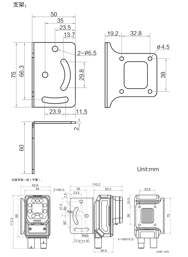
外形尺寸


*产品所涉数据可能因环境等因素而产生差异,本公司不承担由此产生的后果。
| 型号 | 型号 | MV-ID5050XM-08M-RBN |
| 名称 | ID5050mini,500W分辨率,8mm焦距,红光全透型号 |
| 性能 | 条码类别 | 一维码:Code 39、Code 93、Code 128(含GS1-128)、CodaBar、EAN8、EAN13、UPCA、UPCE、ITF14、ITF25、Matrix 25、MSI、China Post、Code 11、Industrial 2of5、Pharmacode等 二维码:QR Code(含GS1-QR)、Data Matrix(含GS1-DM)、MicroQR、AZTEC、HanXin等 堆叠码:PDF417 |
| 最大处理帧率 | 92 fps |
| 最大读取速度 | 120个码/秒 |
| 传感器类型 | CMOS,全局快门 |
| 像元尺寸 | 3.45 μm × 3.45 μm |
| 靶面尺寸 | 1/1.45” |
| 分辨率 | 2432 × 2048 |
| 曝光时间 | 6 μs ~ 3 ms |
| 增益 | 0 dB ~ 37 dB |
| 黑白/彩色 | 黑白 |
| 通讯协议 | SmartSDK,TCP Client,Serial,FTP,TCP Server,Profinet,Melsec/SLMP,Ethernet/IP,ModBus,UDP,FINS |
| 电气特性 | 数据接口 | Gigabit Ethernet(1000 Mbit/s) |
| 数字I/O | 12-pin M12接头提供电源和I/O,包含3路光耦隔离输入(LineIn 0/1/2),3路光耦隔离输出(LineOut 3/4/5),1路RS-232输入,1路RS-232输出 支持机身显示屏配合按键触发设备 |
| 供电 | 24 VDC |
| 功耗 | 平均功耗:11 W@24 VDC(启用自带补光灯) 最大功耗:36 W@24 VDC(启用自带补光灯) |
| 结构 | 焦距 | 8 mm |
| 镜头接口 | M12-Mount,可机械调焦 |
| 镜头罩 | 半偏振镜头罩,可选购透明、全偏振 |
| 光源 | 红色光源,可选购白光、蓝光或红外光 |
| 指示灯 | 多角度机身指示灯 |
| 外形尺寸 | 平角:112.3 mm × 54 mm × 60.2 mm 直角:88.7 mm × 54 mm × 82.5 mm |
| 重量 | 约405 g |
| IP防护等级 | IP67 |
| 温度 | 工作温度0 ~ 50°C,储藏温度-30 ~ 70°C |
| 湿度 | 20% ~ 95%RH无冷凝 |
| 一般规范 | 软件 | IDMVS |
| 认证 | CE、RoHs、KC |
联系电话 : 0755-83317774 移动电话 : 18938648240 Email : 1605935956@qq.com QQ : 1605935956