IRAYPLE 大华华睿 PFM-SHX196CO146W-A-1A2 工业光源
● 采用特殊漫射材质,光源更加均匀
● 采用发光角度更大的LED
● 发光颜色可按需自有搭配组合
基本参数
型号
PFM-SHX196CO146W-A-1A2
类型
环形无影光源
颜色
白色
色温
6000 -6500K
功率
27 W
输入电压
DC24V
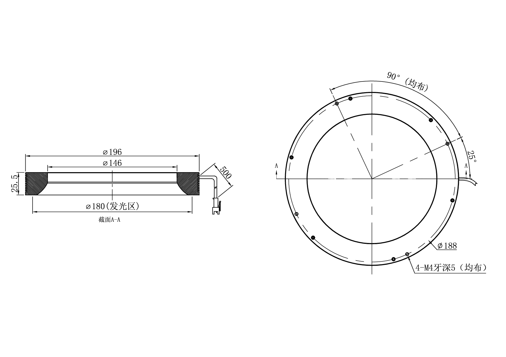
线缆长度
500 mm
外部接口
结构参数
开孔直径
φ146 mm
冷却方式
自然冷却
漫射板
有
产品尺寸
φ196×25.5 mm
净重
418g
环境参数
工作温度
0~40℃
工作湿度
20~85%RH(非凝结)
储存温度
-20~60℃
储存湿度
20~85%RH(非凝结)

联系电话 : 0755-83317774 移动电话 : 18938648240 Email : 1605935956@qq.com QQ : 1605935956