HIKROBOT 海康机器人 MV-SC3013XC-05M-MED 视觉传感器
功能特性
采用嵌入式硬件平台,可进行高速的图像处理
植入高精度算法,读码率高,且可实现试管帽有无判断、液面高度检测、血液质量检测等功能
IO接口丰富,可接入多路输入、输出信号
多角度可视机身指示灯可实时查看设备状态,方便调试与维护
支持RS-232、TCP、UDP、FTP、Modbus、PROFINET、EtherNet/IP等多种通讯模式
订货型号
MV-SC3013XC-05M-MED
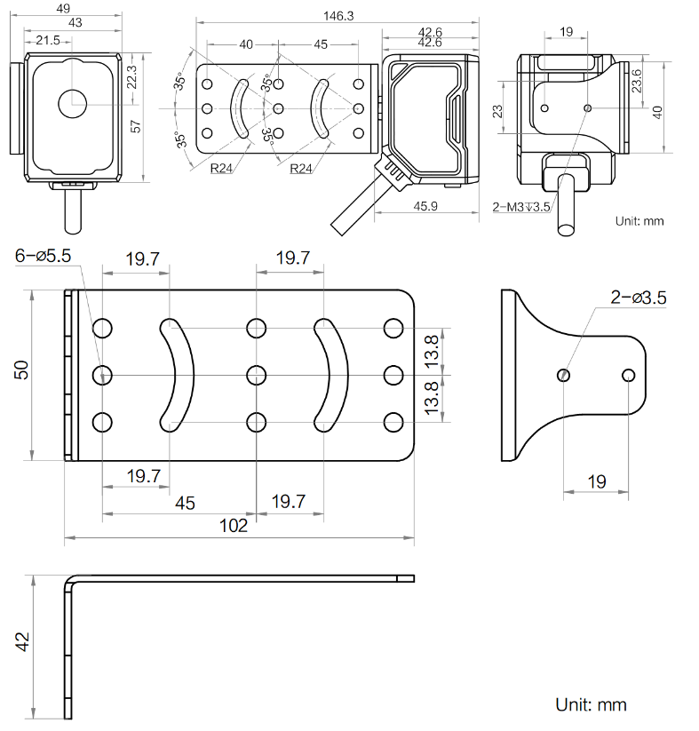
外形尺寸


*产品所涉数据可能因环境等因素而产生差异,本公司不承担由此产生的后果。
| 型号 | 型号 | MV-SC3013XC-05M-MED |
| 名称 | SC3000X医疗专用视觉传感器,5mm镜头,130万像素,彩色,电动调焦 |
| 工具 | 视觉工具 | 计数:斑点计数、边缘计数、图案计数、轮廓计数、颜色计数 有无:圆有无、直线有无、斑点有无、边缘有无、图案有无、轮廓有无 定位:位置修正、单位转换 逻辑:Json格式输出、条件判断、逻辑判断、字符比较、变量计算、组合判断、分支控制 测量:线线角度、直径测量、亮度均值、对比度测量、宽度测量、液位测量、灰度面积、直线角度、节距检测、颜色面积、点点测量、颜色测量 识别:字符识别、注册分类、颜色比较、颜色识别、码识别、注册目标检测、血液质量识别 深度学习:目标检测、分类 |
| 方案能力 | 支持方案导入/导出,最多可存储32个方案 |
| 通讯协议 | RS-232、TCP、UDP、FTP、PROFINET、Modbus、EtherNet/IP、MELSEC/SLMP、FINS、Keyence KV |
| 相机 | 传感器类型 | CMOS,全局快门 |
| 像元尺寸 | 3.45 μm × 3.45 μm |
| 靶面尺寸 | 1/1.45" |
| 分辨率 | 1216 × 1024 |
| 最大采集帧率 | 100 fps |
| 动态范围 | 74 dB |
| 信噪比 | 41 dB |
| 增益 | 0 dB ~ 15 dB |
| 曝光时间 | 16 μs ~1 sec |
| 像素格式 | RGB 8,Mono 8 |
| 黑白/彩色 | 彩色 |
| 电气特性 | 数据接口 | Fast Ethernet(100 Mbit/s) |
| 数字I/O | 17-pin M12接口提供电源和I/O:包含3路光耦隔离输入(LINE0/1/2),3路光耦隔离输出(LINE3/4/5),1路RS-232接口 输出信号的NPN或PNP类型可配 |
| 供电 | 24 VDC |
| 典型功耗 | 6.5 W@24 VDC |
| 结构 | 镜头接口 | M12-mount,机械对焦 |
| 焦距 | 5 mm |
| 镜头罩 | 全偏镜头罩 |
| 光源 | 聚光白光,可选购红光/蓝光/红外 |
| 瞄准器 | 橙光LED |
| 指示灯 | 多角度可视机身指示灯 |
| 外形尺寸 | 43 mm × 57 mm × 45.9 mm |
| 重量 | 约200 g |
| IP防护等级 | IP65 |
| 温度 | 工作温度0 ~ 40°C,储藏温度-30 ~ 70°C |
| 湿度 | 20% ~ 95%RH无冷凝 |
| 一般规范 | 软件 | SCMVS |
| 认证 | CE,KC |
联系电话 : 0755-83317774 移动电话 : 18938648240 Email : 1605935956@qq.com QQ : 1605935956